Malo sam ga prepravio (dve led da vizuelno pratim kada je pod napon i kada su ukljuceni kontakti relea)Pitanje je dali mogu direktno da ga koristim za ukljucenje bojlera od 2000W ili da idem preko male CN-sklopke.
Digitalni programator vremena (RESENO)
Urednik: alexa_pg
Pravila foruma
Praktikujemo da na kraju opišemo kako smo rešili problem. Zatim zatvorimo temu >UPUTSTVO<
Praktikujemo da na kraju opišemo kako smo rešili problem. Zatim zatvorimo temu >UPUTSTVO<
- vlatkocopa
- gx

- Postovi: 3034
- Pridružen: 04 Jun 2008, 22:41
- Location: Makedonija-Kumanovo
- Contact person: Vlado
- Phone number: 0038931420808
- Specialty: tv
Digitalni programator vremena (RESENO)
Kod nas u MK postavili nove satove koji registriraju i punjac od mobilnog i nema vise uklopnika,pa da sami stelujemo jeftinu tarifu
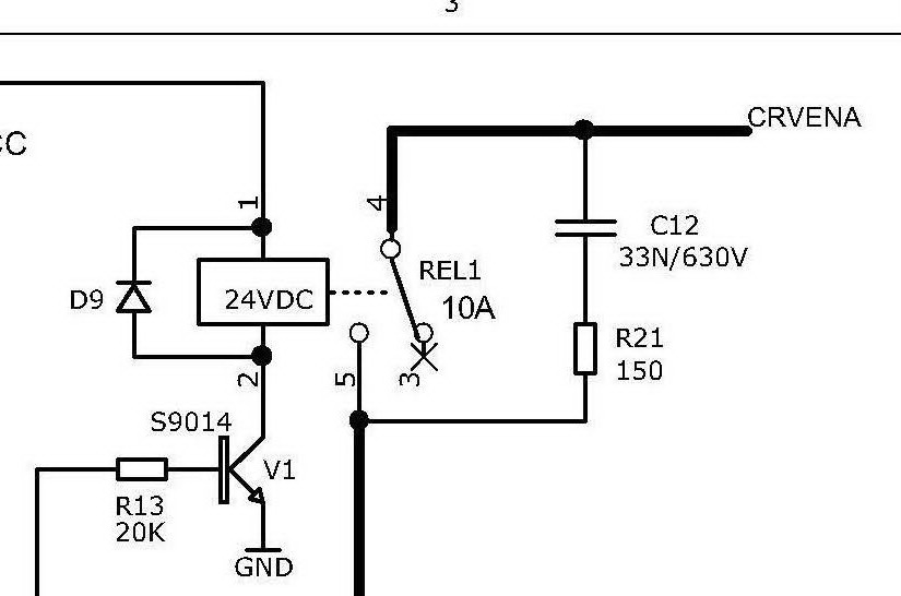
Posto su moji kod kuce jako zaboravni oko jeftine i skupe struje (pogotovo oko bojlera),jeftino nabavim timer doticne firme (mada je kineski) koji na pakovanju kaze da moze da se moze opteretiti sa 3600w,a u uputstvu 360W
.U njemu ima solidan rele 48V/25A.
Malo sam ga prepravio (dve led da vizuelno pratim kada je pod napon i kada su ukljuceni kontakti relea)Pitanje je dali mogu direktno da ga koristim za ukljucenje bojlera od 2000W ili da idem preko male CN-sklopke.
Malo sam ga prepravio (dve led da vizuelno pratim kada je pod napon i kada su ukljuceni kontakti relea)Pitanje je dali mogu direktno da ga koristim za ukljucenje bojlera od 2000W ili da idem preko male CN-sklopke.
- Prilog
-
- DSC00393-400.jpg (15.23 KiB) Pregledano 3644 puta.
-
- DSC00388-400.jpg (10.26 KiB) Pregledano 3640 puta.
Zadnja izmena: vlatkocopa, dana 17 Okt 2010, 21:40, ukupno menjano 1 put.
Za sjaj u očima, rumenilo u licu i lepršav hod - koristite kozmetiku -Šljivovica a moze i domaca jabukovaca ..:))
- jaro
- bela tehnika

- Postovi: 1286
- Pridružen: 21 Jun 2009, 11:53
- Location: stara pazova
- Contact person: jaro
- Specialty: whitegoods
Re: Digitalni programator vremena
Teoretski moze...ali prakticno, stavi neki kontaktorcic, ili relej, paaa- 
Bez alata nema zanata!.....a bez znanja dzaba ti alat!
-
darko080372
- ___

- Postovi: 494
- Pridružen: 28 Nov 2007, 22:03
- Location: Beograd
- Contact person: Darko
- Specialty: whitegoods
Re: Digitalni programator vremena
Moze i preko tog relea a ako nisi mnogo siguran u kineze ugradi cn sklopku,po onome sto si napisao da je na releju deklrisano 25A a tebi taj grejac vuce 9A moze,ali sto je sigurno sigurno je ja bih sebi ubacio sklopkicu.
- vlatkocopa
- gx

- Postovi: 3034
- Pridružen: 04 Jun 2008, 22:41
- Location: Makedonija-Kumanovo
- Contact person: Vlado
- Phone number: 0038931420808
- Specialty: tv
Re: Digitalni programator vremena
Samo ona ce biti sigurno bucna,a neke znaju i da zuje po malo...
Planiram da na radnom kontaktu prikacim paralelno dva bloka recimo 470nf/630v da bi smanjio varnicenje.
Za sjaj u očima, rumenilo u licu i lepršav hod - koristite kozmetiku -Šljivovica a moze i domaca jabukovaca ..:))
-
darko080372
- ___

- Postovi: 494
- Pridružen: 28 Nov 2007, 22:03
- Location: Beograd
- Contact person: Darko
- Specialty: whitegoods
Re: Digitalni programator vremena
Sto se tice zujanja svaka manje vise zuji i malo iritira.Na ves masinama i masinama za sudove grejaci od nekih 1850W idu preko releja 16A i to radi posao,znaci kao sto i ti znas moze i bez kontaktora pa odluci sam.Proveravaj povremeno dali se greju kablovi ili kako si vec zamislio da ga prikacis.
-
darko080372
- ___

- Postovi: 494
- Pridružen: 28 Nov 2007, 22:03
- Location: Beograd
- Contact person: Darko
- Specialty: whitegoods
Re: Digitalni programator vremena
Nesto nalik ovome:vlatkocopa je napisao:Samo ona ce biti sigurno bucna,a neke znaju i da zuje po malo...Planiram da na radnom kontaktu prikacim paralelno dva bloka recimo 470nf/630v da bi smanjio varnicenje.
- vlatkocopa
- gx

- Postovi: 3034
- Pridružen: 04 Jun 2008, 22:41
- Location: Makedonija-Kumanovo
- Contact person: Vlado
- Phone number: 0038931420808
- Specialty: tv
Re: Digitalni programator vremena
Upravo tako,samo bez otpornika u seriji.Planiram da ga zakacim direktno na razvodnu tablu (zbog vlage u kupatilu) seriski na osigurac za bojler.
Za sjaj u očima, rumenilo u licu i lepršav hod - koristite kozmetiku -Šljivovica a moze i domaca jabukovaca ..:))
- Stolle
- Preminuo
- Postovi: 19098
- Pridružen: 12 Avg 2006, 23:35
- Location: Srbija
- Specialty: tv-multimedia
- Lokacija: Dimitrovgrad
Re: Digitalni programator vremena
Koristim, koliko vidim na slici, isti takav za uljni radijator 1,3kW + 1,7kW. Uključujem samo jedan ili drugi, nikad oba, ali najčešće 1,3kW, ništa nisam prepravljao i evo radi dve godine. A dobro je da se stavi kondenzator.
"29 poslednjih dana u mesecu je najteže"
- vlatkocopa
- gx

- Postovi: 3034
- Pridružen: 04 Jun 2008, 22:41
- Location: Makedonija-Kumanovo
- Contact person: Vlado
- Phone number: 0038931420808
- Specialty: tv
Re: Digitalni programator vremena
Hvala 
Za sjaj u očima, rumenilo u licu i lepršav hod - koristite kozmetiku -Šljivovica a moze i domaca jabukovaca ..:))
- vlatkocopa
- gx

- Postovi: 3034
- Pridružen: 04 Jun 2008, 22:41
- Location: Makedonija-Kumanovo
- Contact person: Vlado
- Phone number: 0038931420808
- Specialty: tv
Re: Digitalni programator vremena (RESENO)
Javio se problem kad sam paralelno sa radnim kontaktima postavio 630nf/400V. Nakon 5-6 ukljucenja-iskljucenja relea,uredjaj se resetira kao da mu se pritisne master-reset.Izvadio sam blok i sad ga ponovo testiram.
Za sjaj u očima, rumenilo u licu i lepršav hod - koristite kozmetiku -Šljivovica a moze i domaca jabukovaca ..:))
- Majstor Duja
- Neaktivan
- Postovi: 3136
- Pridružen: 23 Avg 2006, 17:29
- Location: Novi Sad - centar
- Warranty service: http://www.elektrocentar.com
- Contact person: Goran Duic
- Specialty: tv-multimedia
Re: Digitalni programator vremena (RESENO)
Ja takav prog. timer koristim godinama za 3kW TA pec i nije nikad bilo problema...jednom mi se istopio utikac ali nije timer...
Rule #1 "Always stand for what you believe, even if it means standing alone."
- vlatkocopa
- gx

- Postovi: 3034
- Pridružen: 04 Jun 2008, 22:41
- Location: Makedonija-Kumanovo
- Contact person: Vlado
- Phone number: 0038931420808
- Specialty: tv
Re: Digitalni programator vremena (RESENO)
Dujo, radi on bez problema, al ja hteo da ga malo "cipujem" sa blokom i da malo smanjim varnicenje na kontaktima od relea, a ispasce izgleda da ga je bas blok resetirao...nista mi nije jasno... :zid:
Pozz
Pozz
Za sjaj u očima, rumenilo u licu i lepršav hod - koristite kozmetiku -Šljivovica a moze i domaca jabukovaca ..:))
- filka
- gx

- Postovi: 1988
- Pridružen: 13 Avg 2006, 10:38
- Location: Kavadarci Makedonija
- Warranty service: Fuego Grundig LG Beko Samsung
- Specialty: tv
Re: Digitalni programator vremena (RESENO)
Stavi Solid State Rele SSR 25A i nece biti varnicenja....
-će izginemo ki Mančester
- vlatkocopa
- gx

- Postovi: 3034
- Pridružen: 04 Jun 2008, 22:41
- Location: Makedonija-Kumanovo
- Contact person: Vlado
- Phone number: 0038931420808
- Specialty: tv
Re: Digitalni programator vremena (RESENO)
Ma nije on varnicio, hteo sam preventivno sa blokom da zastitim kontakte...a evo ga bez bloka radi bez greske, nije mi jasno kako ga je blok resetirao....
Ujedno da pitam gde moze da se nabavi taj rele i po kojoj ceni.
Pozz
Pozz
Za sjaj u očima, rumenilo u licu i lepršav hod - koristite kozmetiku -Šljivovica a moze i domaca jabukovaca ..:))
- Stolle
- Preminuo
- Postovi: 19098
- Pridružen: 12 Avg 2006, 23:35
- Location: Srbija
- Specialty: tv-multimedia
- Lokacija: Dimitrovgrad
Re: Digitalni programator vremena (RESENO)
Neće ti se to isplatiti. 
Zavisi i od proizvođača. U firmi je bila neka serija od CRYDOM-a i crkavali su ko ludi.
Zavisi i od proizvođača. U firmi je bila neka serija od CRYDOM-a i crkavali su ko ludi.
- Prilog
-
- 1.jpg (24.5 KiB) Pregledano 3169 puta.
"29 poslednjih dana u mesecu je najteže"
- filka
- gx

- Postovi: 1988
- Pridružen: 13 Avg 2006, 10:38
- Location: Kavadarci Makedonija
- Warranty service: Fuego Grundig LG Beko Samsung
- Specialty: tv
Re: Digitalni programator vremena (RESENO)
20A- 900denari Elmark
25A -2750 denari Omron
25A -2750 denari Omron
-će izginemo ki Mančester
- vlatkocopa
- gx

- Postovi: 3034
- Pridružen: 04 Jun 2008, 22:41
- Location: Makedonija-Kumanovo
- Contact person: Vlado
- Phone number: 0038931420808
- Specialty: tv
Re: Digitalni programator vremena (RESENO)
Ostavicu ga tako
,posto vidim da su kolege zadovoljne i da nisu imali problem sa njime cak i sa 3kw opterecenje.
Hvala i pozdrav
Hvala i pozdrav
Za sjaj u očima, rumenilo u licu i lepršav hod - koristite kozmetiku -Šljivovica a moze i domaca jabukovaca ..:))
- Stolle
- Preminuo
- Postovi: 19098
- Pridružen: 12 Avg 2006, 23:35
- Location: Srbija
- Specialty: tv-multimedia
- Lokacija: Dimitrovgrad
Re: Digitalni programator vremena (RESENO)
Ma da, ako izgori kontakt, a neće skoro, staviš drugi rele. A i ceo uređaj nije skup.
"29 poslednjih dana u mesecu je najteže"
-
- Slične teme
- Odgovori
- Pregledano
- Zadnji post
-
-
willem programator programiranje 93c46BX problem (Reseno)
napisao Japanac » 29 Mar 2015, 13:41 » u Elektronika - 6 Odgovori
- 3046 Pregledano
-
Zadnji post napisao Majstor Duja
30 Mar 2015, 10:06
-
-
- 1 Odgovori
- 1276 Pregledano
-
Zadnji post napisao tvmikro
07 Apr 2008, 20:07
-
- 0 Odgovori
- 1072 Pregledano
-
Zadnji post napisao grifon
08 Mar 2009, 19:19
-
- 17 Odgovori
- 5691 Pregledano
-
Zadnji post napisao XbaneX
25 svi 2017, 14:59
