Stranica: 1/1.
integralna kola SG104T i SG105T
Napisan post: 10 Jan 2011, 23:28
napisao kibsa
Na jednom elektronskom sklopu imam dva integralna kola 104t i 105t, ne mogu da saznam o čemu je riječ i da li ih mogu zamijeniti nečim. Najradije bih zamijenio komplet modul, ali složeno da se pravi,a da se kupuje ne znam da li se više proizvodi. Mislim da se radi o operacionim pojačivačima ili o regulatorima napona, u metalnom su kućištu i ispred pomenutih oznaka ima oznaka,mislim da je riječ o proizvođaču,SG.ako neko može pomoć hitno mi je.
Re: integralna kola 104t i 105t
Napisan post: 11 Jan 2011, 11:27
napisao miodrag popovic
I fotografiju pride dodaj ko zna mozda nekom stoji kao drzac za lemilicu
Re: integralna kola 104t i 105t
Napisan post: 11 Jan 2011, 22:05
napisao kibsa
Nagovoriste se vi meni da valja,nakislo vam izgleda.Sva sreća pa vam ja ne uzimam za zlo.Bio sam u žurbi, pa sam, tačno, malo podataka dao, ali nisam tražio da mi riješite problem, već sam tražio pomoć, ako je nekome nešto poznato sa pomenutim oznakama. Privremeno sam riješio problem sa drugom karticom. Naime riječ je o rudarskoj mašini iz sedamdesetih godina proizvedenoj u Americi (P@H) koja posjeduje ovu karticu kao dvostruki stabilizator napona +-15v za napajanje drugih kartica. Ulaz je dva puta po 24v.Nabuđio sam drugu karticu sa drugog stroja- dampera, ali bih da riješim i ovu. Mislim da su obje kartice proizvod General Elecric-a.Ova sa dampera je mnogo jednostavnija ima 2 ic-a 723 i 2x 2N3055, dok originalna ima isto 2x2N3055 i ove SG104T i SG105T. I jedan i drugi ic su u metalnom kućištu sa po 8 izvoda. Obostrano je štampana veza, a na ploči imaju i dva rid releja, pretpostavljam da su u krugu prekostrujne zaštite.Nisam imo vremena, provjeriću malo na ploči, ova ic mogla biti OP u ulozi komparatora. I nemoj te porediti babe i žabe.
Re: integralna kola 104t i 105t
Napisan post: 11 Jan 2011, 22:22
napisao milan
Metalno kuciste kog je oblika.
Bilo je TO39 i TO3, ili neko drugo, opisi malo.
Re: integralna kola 104t i 105t
Napisan post: 11 Jan 2011, 22:25
napisao Stolle
Sva sreća pa vam ja ne uzimam za zlo.
I ne treba.

Falilo je ovo SG.
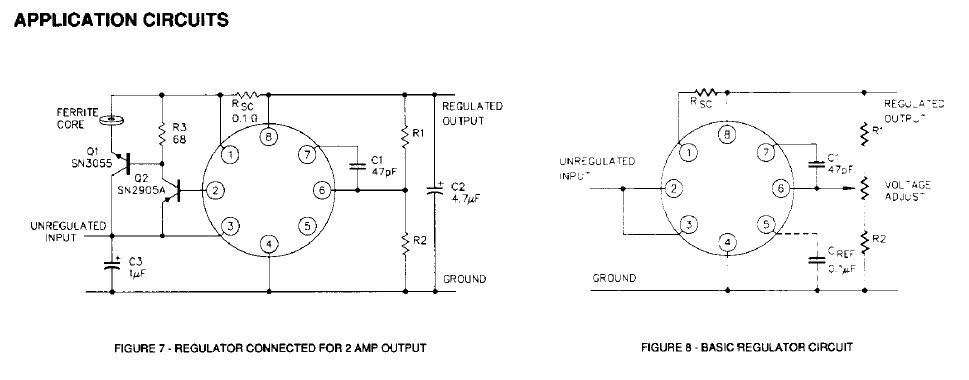
SG104T
Adjustable Negative Voltage Regulator - Vr -40 to -15mV, 0.01%/V line regulation
Linfinity Microelectronics
Negative Voltage Regulators
Load Current Max. (A)=25m
Min. Adjustable Output Voltage=1.2
Max. Adjustable Output Voltage=37
Output Voltage Nominal (V)=40
Drop-Out Volt Max.=2.0
P(D) Max.(W) Power Dissipation=500m
Nom. Supp (V)=50.0
SG105T
Adjustable Positive Voltage Regulator - Line regulation 0.06%/V, Load regulation 0.01%/mA
Linfinity Microelectronics
Positive Voltage Regulators
Load Current Max. (A)=20m
Min. Adjustable Output Voltage=4.5
Max. Adjustable Output Voltage=40
Output Voltage Nominal (V)=40
Drop-Out Volt Max.=3.0
P(D) Max.(W) Power Dissipation=1.0
Nom. Supp (V)=50
Supply Voltage Maximum (V)=50
Package=Can
Pins=8
Military=N
SG104T
SG105T
Re: integralna kola SG104T i SG105T
Napisan post: 11 Jan 2011, 22:38
napisao fanzo
Sad je mnogo jasnije