Potrebna šema za obrtomer

Hobi i ostala elektronika

Urednik: alexa_pg

Pravila foruma
Praktikujemo da na kraju opišemo kako smo rešili problem. Zatim zatvorimo temu >UPUTSTVO<
Avatar
Djuntaman
_
_
Postovi: 6
Pridružen: 31 Avg 2012, 15:37
Location: NS
Specialty: computers

Potrebna šema za obrtomer

Post napisao Djuntaman » 10 Sep 2012, 01:43

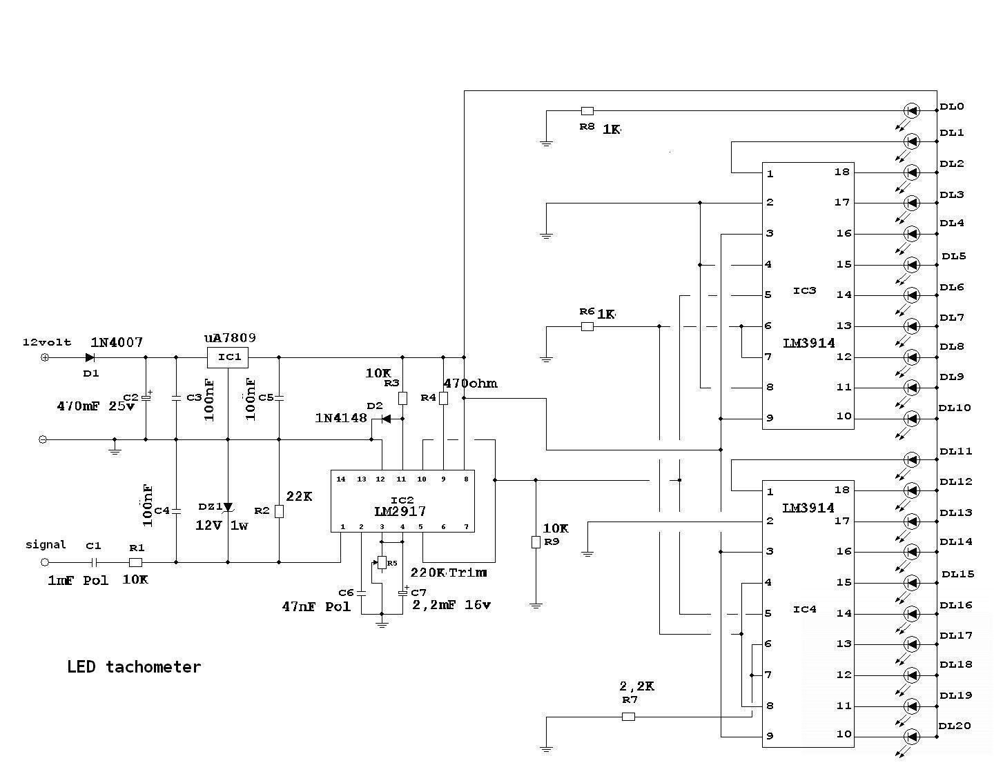
Buduci da je voltmetar "projekat" uspeo, zeleo bih jos malo da se igram sa lm3914 i da napravim obrtomer za auto (4 cilindra), nasao sam neku semu na dragom nam internetu ali ipak da pitam da li neko poseduje neku koja provereno radi ne bih li ustedeo novac na mozda bespotrebne probe. Hvala unapred
Prilog
ledtachot3.jpg
sema koju sam nasao
If you can't explain it simply enough, you don't understand it well enough.

Odgovori
  • Slične teme
    Odgovori
    Pregledano
    Zadnji post

Natrag na “Elektronika”