shema UPS-a?
Urednik: alexa_pg
Pravila foruma
Praktikujemo da na kraju opišemo kako smo rešili problem. Zatim zatvorimo temu >UPUTSTVO<
Praktikujemo da na kraju opišemo kako smo rešili problem. Zatim zatvorimo temu >UPUTSTVO<
- Majstor Duja
- Neaktivan
- Postovi: 3136
- Pridružen: 23 Avg 2006, 17:29
- Location: Novi Sad - centar
- Warranty service: http://www.elektrocentar.com
- Contact person: Goran Duic
- Specialty: tv-multimedia
shema UPS-a?
Da li neko kojim slucajem ima shemu onog UPS-a za kompjuter sto prvo sa 12V podigne na 250V pa ga onda fazno obrce na 50Hz..ima strujnu zastitu a i neku povratnu vezu pa je AC napon uvek konstantan ...
pretvarac je izveden sa dva feritna jezgra, sto umanjuje i gabarite uredjaja...
Poz
pretvarac je izveden sa dva feritna jezgra, sto umanjuje i gabarite uredjaja...
Poz
nisi napisao model
ja imam ups ali ovak ima i 24c08, procesor smd i neki kabal koji se spaja sa racunarom kako sam zaklucijo kad se isprazni bat gasi racunar na shut down. i sto gluposti ako si mislio da pravis (projekt) nemoguce ga iskopirat smd a napred samo 4 dugmica
ja imam ups ali ovak ima i 24c08, procesor smd i neki kabal koji se spaja sa racunarom kako sam zaklucijo kad se isprazni bat gasi racunar na shut down. i sto gluposti ako si mislio da pravis (projekt) nemoguce ga iskopirat smd a napred samo 4 dugmica
proradijo mi net zahvaljujuci fanzi
- Majstor Duja
- Neaktivan
- Postovi: 3136
- Pridružen: 23 Avg 2006, 17:29
- Location: Novi Sad - centar
- Warranty service: http://www.elektrocentar.com
- Contact person: Goran Duic
- Specialty: tv-multimedia
ne to. suvishe je to komplikovano...ima se za kupiti oko 40e je gotov, mislim da ima jedan tl494 koji pravi od 12V 250V i ne555 kao oscilator za 50Hz..krajnje jednostavno!
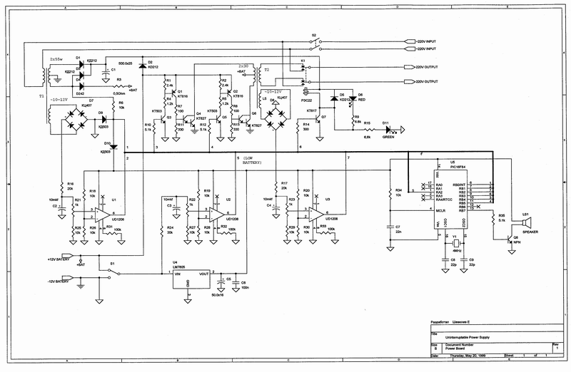
Nasao sam ovu shemu od nekog Ruje ali nema objasnjenja i poluprovodni elementi su sa ruskim oznakama, pa me nesto stah da se upustam...
Mada je zanimljiva zbog velicine plocice i PIC-a..imam i kod ako nekom treba
Nasao sam ovu shemu od nekog Ruje ali nema objasnjenja i poluprovodni elementi su sa ruskim oznakama, pa me nesto stah da se upustam...
Mada je zanimljiva zbog velicine plocice i PIC-a..imam i kod ako nekom treba
- Prilog
-
- Ups mala.gif (91.8 KiB) Pregledano 4318 puta.
- Majstor Duja
- Neaktivan
- Postovi: 3136
- Pridružen: 23 Avg 2006, 17:29
- Location: Novi Sad - centar
- Warranty service: http://www.elektrocentar.com
- Contact person: Goran Duic
- Specialty: tv-multimedia
ceo paket sa .asm i .hex i kratkim uputstvom na ruskom pisano glagoljicom....
- Prilog
-
UPS16f84.rar- (117.02 KiB) Preuzeto 514 puta.
- Majstor Duja
- Neaktivan
- Postovi: 3136
- Pridružen: 23 Avg 2006, 17:29
- Location: Novi Sad - centar
- Warranty service: http://www.elektrocentar.com
- Contact person: Goran Duic
- Specialty: tv-multimedia
- Majstor Duja
- Neaktivan
- Postovi: 3136
- Pridružen: 23 Avg 2006, 17:29
- Location: Novi Sad - centar
- Warranty service: http://www.elektrocentar.com
- Contact person: Goran Duic
- Specialty: tv-multimedia
Jos bolje, smislicu shemu pa cu da je okacim ovde pa da svi imaju koristi...Ja majstor, pih! :---:
Ovo je blok shema, strucnjaci - slobodno se ukljucite u razvoj...
Brine me samo otvaranje IRF840 i to ona dva na 115V vodu jer je
frekvencija mala (50Hz) pa brzo padaju u zasicenje...neka ideja?
Postavio bih indikaciju:
- mreza
- aku prazan
- pretvarac aktivan
Onaj SMPS sto radi 12V-115V radi nonstop zbog brzeg preklapanja
a zbog povratne sprege ne trosi struju skoro uopste u praznom hodu.
TL494 koji radi 50Hz ima ogranicen duty cycle na 50/50% i nema soft-start
i povratnu vezu..
Ovo je blok shema, strucnjaci - slobodno se ukljucite u razvoj...
Brine me samo otvaranje IRF840 i to ona dva na 115V vodu jer je
frekvencija mala (50Hz) pa brzo padaju u zasicenje...neka ideja?
Postavio bih indikaciju:
- mreza
- aku prazan
- pretvarac aktivan
Onaj SMPS sto radi 12V-115V radi nonstop zbog brzeg preklapanja
a zbog povratne sprege ne trosi struju skoro uopste u praznom hodu.
TL494 koji radi 50Hz ima ogranicen duty cycle na 50/50% i nema soft-start
i povratnu vezu..
- Prilog
-
- ups small.jpg (25.78 KiB) Pregledano 4218 puta.
-
Barbarella56
- Preminuo
- Postovi: 599
- Pridružen: 16 Feb 2007, 22:59
- Location: Kraljevo
- Specialty: audio
- Majstor Duja
- Neaktivan
- Postovi: 3136
- Pridružen: 23 Avg 2006, 17:29
- Location: Novi Sad - centar
- Warranty service: http://www.elektrocentar.com
- Contact person: Goran Duic
- Specialty: tv-multimedia
feritna jezgra imas u COMET-u u Beogradu www.comet.co.yu,
pretpostavljam da ti treba nesto kao ETD49 (mozes da preguras 500W u kvazi bridzu- veza kao na atx napajanju, u full bridge-u verovatno i 1kW...
Da li ti treba motanje tih feritnih trafoa ili obicnog ?
pretpostavljam da ti treba nesto kao ETD49 (mozes da preguras 500W u kvazi bridzu- veza kao na atx napajanju, u full bridge-u verovatno i 1kW...
Da li ti treba motanje tih feritnih trafoa ili obicnog ?
Rule #1 "Always stand for what you believe, even if it means standing alone."
Vidi na ovaj link sto sam dao
http://www.elektronika.ba/forum/viewtop ... 66&start=0
Lik koji je dao semu i nacrt plocice kaze da je postigao 1000W sa ovim pretvaracem
http://www.elektronika.ba/forum/viewtop ... 66&start=0
Lik koji je dao semu i nacrt plocice kaze da je postigao 1000W sa ovim pretvaracem
Sto vise ucim sve vise vidim koliko neznam :plaz:
-
Barbarella56
- Preminuo
- Postovi: 599
- Pridružen: 16 Feb 2007, 22:59
- Location: Kraljevo
- Specialty: audio
[quote="Joca"]Treba mi namotati trafo na feritnom jezgru za pretvarac sa 12V na 300V nesto za napajanje vise TV aparata u autobusu.Inace Hvala za informaciju nazvacu ih da vidim za to jezgro koje bi mi odgovaralo.[
/quote]
Pre nekoliko godina sam u jednom busu,u ti-viju nasao jedan pretvarac 24VDC-300VDC.To je napravila neka firma ili TV-servis secam se samo da je iz Bgd-a,ul.Vojvode Stepe.To je radilo besprekorno,malih dimenzija,niti je bucno,niti se greje.Nedostatak je bio samo sto je dimenzionisano za jedan TV.
/quote]
Pre nekoliko godina sam u jednom busu,u ti-viju nasao jedan pretvarac 24VDC-300VDC.To je napravila neka firma ili TV-servis secam se samo da je iz Bgd-a,ul.Vojvode Stepe.To je radilo besprekorno,malih dimenzija,niti je bucno,niti se greje.Nedostatak je bio samo sto je dimenzionisano za jedan TV.
-
- Slične teme
- Odgovori
- Pregledano
- Zadnji post
-
- 7 Odgovori
- 2658 Pregledano
-
Zadnji post napisao banertd
09 Dec 2022, 22:17
-
- 11 Odgovori
- 2809 Pregledano
-
Zadnji post napisao misa
29 Jun 2009, 13:32
-
- 0 Odgovori
- 1325 Pregledano
-
Zadnji post napisao tanebosev
05 Sep 2009, 11:06
-
- 5 Odgovori
- 3160 Pregledano
-
Zadnji post napisao Krajnc Karlo
29 Jun 2010, 22:42
-
-
Shema promene smera obrtanja monofaznog kaveznog motora?
napisao dane » 23 Okt 2010, 20:39 » u Elektronika - 8 Odgovori
- 16882 Pregledano
-
Zadnji post napisao Majstor Duja
24 Okt 2010, 17:58
-
-
-
Potrebna shema-iskljucivanje akumulatora kada je napunjen
napisao srdjannn » 15 Nov 2010, 09:48 » u Elektronika - 21 Odgovori
- 8028 Pregledano
-
Zadnji post napisao Majstor Duja
04 Jan 2011, 12:16
-




