ESR Metar analogni sema pomoc ?
Urednik: alexa_pg
Pravila foruma
Praktikujemo da na kraju opišemo kako smo rešili problem. Zatim zatvorimo temu >UPUTSTVO<
Praktikujemo da na kraju opišemo kako smo rešili problem. Zatim zatvorimo temu >UPUTSTVO<
-
- _
- Postovi: 26
- Pridružen: 07 Dec 2011, 23:55
- Location: Kosovska Mitrovica
- Contact person: Miljan
ESR Metar analogni sema pomoc ?
Postovanje uvazene kolege... Dali neko ima ili zna mozda koja je sema i dokumentacija ovog analognog ESR metra... Hvala unapred svima...
Re: ESR Metar analogni sema pomoc ?
izgleda da autor tog uređaja ne želi djeliti šemu kad je izgrebao oznake na čipovima da se ne vidi koji su
-
- _
- Postovi: 26
- Pridružen: 07 Dec 2011, 23:55
- Location: Kosovska Mitrovica
- Contact person: Miljan
Re: ESR Metar analogni sema pomoc ?
Pa verovatno je tako , a niko mu hleb uzeti nece za ovo. Ovo je verovatno kolo TL071 i 74C14N ali ajt sad eci peci pec ko ce ga znati ...
- Stolle
- Preminuo
- Postovi: 19099
- Pridružen: 12 Avg 2006, 23:35
- Location: Srbija
- Specialty: tv-multimedia
- Lokacija: Dimitrovgrad
Re: ESR Metar analogni sema pomoc ?
Skini datasheetove pa uporedi kako je ovde povezano.
"29 poslednjih dana u mesecu je najteže"
- bolle86
- _
- Postovi: 75
- Pridružen: 06 Apr 2008, 12:57
- Location: Srbija
- Specialty: broadcast
- Lokacija: Nis
Re: ESR Metar analogni sema pomoc ?
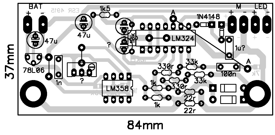
Sto rece Stolle proveri preko datasheet-ova, meni sto prvo pada na pamet je ne555 I neko NAND Schmitt Trigger kolo npr 74HC14N... postavi sliku da pogledamo kako su vezane komponnete stampanim vezama
-
- _
- Postovi: 26
- Pridružen: 07 Dec 2011, 23:55
- Location: Kosovska Mitrovica
- Contact person: Miljan
Re: ESR Metar analogni sema pomoc ?
Vazi uvazeni kolega postavicu sliku ...
-
- _
- Postovi: 26
- Pridružen: 07 Dec 2011, 23:55
- Location: Kosovska Mitrovica
- Contact person: Miljan
Re: ESR Metar analogni sema pomoc ?
Evo uvazene kolege jos slika i saznanja, saznao sam da je ovo vece kolo TL084CN a nisam siguran a vi cete mi u tome nadam se pomoci da je ovo malo LM358N, evo jos slika ESR Metra pa pogledajte ovo malo crno je L7806 stabilizator napona 6V
- fanzo
- Site Admin
- Postovi: 16010
- Pridružen: 02 Avg 2006, 06:41
- Location: Bački Petrovac, Srbija
- Phone number: 0038121781575
- Specialty: tv-multimedia
- Lokacija: Bački Petrovac
Re: ESR Metar analogni sema pomoc ?
Evo ti jedna šema:
http://static.elitesecurity.org/uploads ... R%203V.zip
http://static.elitesecurity.org/uploads ... R%203V.zip
Svakodnevno usavršavanje je bolje od zakasnelog savršenstva
-
- _
- Postovi: 26
- Pridružen: 07 Dec 2011, 23:55
- Location: Kosovska Mitrovica
- Contact person: Miljan
Re: ESR Metar analogni sema pomoc ?
Nije ta sema, evo izgleda ove plocice ali nisu ova kola navedena na plocici. Posto sam stavio podnozja i kad ih zamenim sa postojecim izgrebanim nece skala da krene nikako kad spojim pipalice instrumenta ...
- fanzo
- Site Admin
- Postovi: 16010
- Pridružen: 02 Avg 2006, 06:41
- Location: Bački Petrovac, Srbija
- Phone number: 0038121781575
- Specialty: tv-multimedia
- Lokacija: Bački Petrovac
Re: ESR Metar analogni sema pomoc ?
Nije ta šema, ali možeš da ga sastaviš za par sati, a kutiju i skalu već imaš
i rešio si problem..

Svakodnevno usavršavanje je bolje od zakasnelog savršenstva
-
- _
- Postovi: 26
- Pridružen: 07 Dec 2011, 23:55
- Location: Kosovska Mitrovica
- Contact person: Miljan
Re: ESR Metar analogni sema pomoc ?
Ovo veliko znam koje je, premazao ga alkoholom i izaslo je na videlo TL084CN. A ovo malo je ogrebano bas i ne moze da se vidi koje je ... evo i slike velikog kola...
- Stolle
- Preminuo
- Postovi: 19099
- Pridružen: 12 Avg 2006, 23:35
- Location: Srbija
- Specialty: tv-multimedia
- Lokacija: Dimitrovgrad
Re: ESR Metar analogni sema pomoc ?
Najprostije, ako imaš neki CD plejer, tamo sigurno imaš dupli operacioni u izlazu, stavi i probaj. Da nije negde greška na PCB?
Skiciraj kako je vezano. Da ti nije neispravan OP?
Skiciraj kako je vezano. Da ti nije neispravan OP?
"29 poslednjih dana u mesecu je najteže"
-
- _
- Postovi: 26
- Pridružen: 07 Dec 2011, 23:55
- Location: Kosovska Mitrovica
- Contact person: Miljan
Re: ESR Metar analogni sema pomoc ?
Kada stavim umesto ovog malog DIP 8 ogrebanog drugo kolo TL082 skala skrene malo ispred polovine instrumenta nece do kraja da ode ...
- bogoljub
- gx
- Postovi: 138
- Pridružen: 15 Avg 2006, 14:32
- Location: Gardinovci
- Contact person: Bogoljub
Re: ESR Metar analogni sema pomoc ?
Dali je taj esr proradio sa novim osmopinskim IC kolom,i koje je ako nije tajna?
ZAKLINJEM SE NARODU I BOGU DA CU U KAFANU ICI KAD GOD MOGU
-
- _
- Postovi: 26
- Pridružen: 07 Dec 2011, 23:55
- Location: Kosovska Mitrovica
- Contact person: Miljan
Re: ESR Metar analogni sema pomoc ?
Pa ja kad bi zanao koje je ovo ogrebano osmopinsko kolo nebi temu postavljao ....
Re: ESR Metar analogni sema pomoc ?
Riješi li ti problem sa ESR- metrom. Taj mali integralni sklop ti je sigurno neko operaciono pojačalo (moguće da je 358) koje se napaja na 4. i 8. nožici kako se vidi sa slika. Ako su ti loši spojevi u podnožju hoće zezati. Nađi podnožje malo kvalitetnije, ako je moguće sa profi uređaja u kojeg su kontakti pozlaćeni ili lemi oba integralca na ploču direktno. Kontroliši i napon baterija češto, ako oslabe ne pokazuje tačno. Meni se dešavalo da ostane uključen pa izvuče bateriju, pa sam ugradio crvenu led da me podsjeti - u godinama čovjek zaboravlja, haha. Izađem iz kuće, pa ne znam jesam li pošo ili došo, a kad se udaljim 100- tinjak metara zaboravim da sam oženjen.
- bogoljub
- gx
- Postovi: 138
- Pridružen: 15 Avg 2006, 14:32
- Location: Gardinovci
- Contact person: Bogoljub
Re: ESR Metar analogni sema pomoc ?
Pošto si zaboravan tu je oklagija da te podseti ...
ZAKLINJEM SE NARODU I BOGU DA CU U KAFANU ICI KAD GOD MOGU
-
- _
- Postovi: 12
- Pridružen: 06 Apr 2013, 14:12
- Location: Beograd
- Contact person: Djordje Dimitrijevic
Re: ESR Metar analogni sema pomoc ?
Mislim da treba staviti CA3240A ili TL082. Ukoliko nekog jos uvek zanima - naravno.
- bogoljub
- gx
- Postovi: 138
- Pridružen: 15 Avg 2006, 14:32
- Location: Gardinovci
- Contact person: Bogoljub
Re: ESR Metar analogni sema pomoc ?
Pošto se postavljač teme ne oglašava da se ja nadovežem na Zoranov odgovor ili ti Makedonski ESR ja sam taj famozni esr uradio sa drugačijom pločicom.Nacrt pločice sam dobio od jednog kolege radioamatera iz Argentine.Možda u fajlu ima i nekih stvari koje se ne odnose na ESR uglavno bitana je pločica.
ZAKLINJEM SE NARODU I BOGU DA CU U KAFANU ICI KAD GOD MOGU
-
- _
- Postovi: 26
- Pridružen: 07 Dec 2011, 23:55
- Location: Kosovska Mitrovica
- Contact person: Miljan
Re: ESR Metar analogni sema pomoc ?
TL084 i TL082
-
- Slične teme
- Odgovori
- Pregledano
- Zadnji post
-
- 0 Odgovori
- 978 Pregledano
-
Zadnji post napisao gapostolski
11 Sep 2008, 14:09
-
- 5 Odgovori
- 1045 Pregledano
-
Zadnji post napisao Srečko
16 Mar 2009, 21:00
-
-
Izbor pogonskog motora - potrebna pomoc
napisao ArmyInfoForum.org » 24 svi 2008, 17:30 » u Elektronika - 27 Odgovori
- 4133 Pregledano
-
Zadnji post napisao fanzo
25 Jul 2009, 12:55
-
-
- 6 Odgovori
- 1447 Pregledano
-
Zadnji post napisao richiezr
29 Jan 2009, 18:45
-
- 9 Odgovori
- 2785 Pregledano
-
Zadnji post napisao rrpisti
08 Nov 2009, 20:20
-
- 5 Odgovori
- 1423 Pregledano
-
Zadnji post napisao Joca
13 Nov 2009, 20:46
-
-
pomoc oko elektronskih transformatora 12v za halogenke
napisao rajkovas » 11 Nov 2010, 22:33 » u Elektronika - 21 Odgovori
- 5900 Pregledano
-
Zadnji post napisao Majstor Duja
16 Nov 2010, 09:27
-
-
- 2 Odgovori
- 1211 Pregledano
-
Zadnji post napisao INI SERVIS
02 Jun 2011, 21:47