ESR METAR - MAKEDONAC

Najposećenije teme su u ovom podforumu. Molimo ne otvarajte nove teme ako već postoji slična otvorena.

Urednik: alexa_pg

Avatar
VJEKOSLAV
gx
gx
Postovi: 413
Pridružen: 14 Jun 2008, 23:20
Location: VUKOVAR
Specialty: tv

ESR METAR

Post napisao VJEKOSLAV » 28 Mar 2013, 12:21

Stolle je napisao:Jako je povoljan, na oglasima kod nas cena sličnih je 3 i više puta skuplji. Koliko je precizan, to ćeš sam da vidiš, nije ni onaj gore idealno tačan, ali služi i jako je koristan. Vidi samo kako stoji sa punim kondenzatorima, da li ima zaštitu ili ne, da ga ne spališ.
Makedonskim sam pre neki dan merio mrežni elko, vidim malo zaiskrilo, kad pogledam TV uključen, 300V. :shock: :plaz:
Pokazao je da dobar. :mrgreen:
Ništa mu nije bilo, diode i kondenzator na ulazu su odradili svoje.
ih, još se zamajavam sa ovim, kako je naizgled jednostavna stvar ugradnje u kućište, samo "naizgled jednostavna".
a hoću da i liči na 'nešto', pa ne žurim previše :mrgreen:

nego, nema zaštitu koliko vidim test kontakti idu preko otpornika drito na čip :shock:
kako ide sklop zaštite, i povezivanje ako može neka 'šemica' pa da napravim ?
(vidio sam sliku, tu na temi ali ne i šemu sklopa, možda mi je promaklo :? )

Avatar
fanzo
Site Admin
Site Admin
Postovi: 16010
Pridružen: 02 Avg 2006, 06:41
Location: Bački Petrovac, Srbija
Phone number: 0038121781575
Specialty: tv-multimedia
Lokacija: Bački Petrovac

Re: ESR METAR

Post napisao fanzo » 28 Mar 2013, 12:42

Na makedonskoj šemi ćeš naći i zaštitu. Šema je negde na početku teme.
Svakodnevno usavršavanje je bolje od zakasnelog savršenstva

Avatar
rubin_miki
Preminuo
Postovi: 3382
Pridružen: 13 Avg 2006, 00:22
Location: Prilep Makedonija
Specialty: tv-multimedia
Kontakt:

Re: ESR METAR

Post napisao rubin_miki » 28 Mar 2013, 13:37

VJEKOSLAV je napisao:Pozdrav svima :pivopije:
juče mi je stigao ovaj, trebalo je oko 20 dana od narudžbe.
http://www.ebay.com/itm/Transistor-Test ... 2224886%26
..
jel moguće da je ovaj jeftinjak pouzdan u mjerenju, šta mislite vi iskusniji ?
dali je pouzdan ili ne, to ces nam Ti to reci :) posto si ga ti evo i vec dobio, davaj sve svoje utiske da ga porucujem i ja odma :)
ce da izadjem na televizor,a????
http://www.macedonium.org/makedonija.swf

Avatar
alexa_pg
Site Admin
Site Admin
Postovi: 6029
Pridružen: 22 Avg 2006, 08:10
Location: Podgorica
Specialty: tv-multimedia

Re: ESR METAR

Post napisao alexa_pg » 28 Mar 2013, 13:52

Ovako je uradjena zastita kod "makedonca". Jedan C 470nF i dvije antiparalelne diode.
Zastita.png
Zastita.png (55.79 KiB) Pregledano 1753 puta.
Komletna sema na viewtopic.php?p=10566#p10566
"I ja volim ljude ali ih sve manje podnosim"

Avatar
Stolle
Preminuo
Postovi: 19099
Pridružen: 12 Avg 2006, 23:35
Location: Srbija
Specialty: tv-multimedia
Lokacija: Dimitrovgrad

Re: ESR METAR

Post napisao Stolle » 28 Mar 2013, 14:28

E sad, teško je reći da li dogradnja ovog kola neće poremetiti tačnost merenja, moraš da probaš, kalibrišeš.
Damir je stavio sliku kabla sa zaštitom za LCM3 u kutiji, pogledaj malo nazad.
"29 poslednjih dana u mesecu je najteže"

Avatar
VJEKOSLAV
gx
gx
Postovi: 413
Pridružen: 14 Jun 2008, 23:20
Location: VUKOVAR
Specialty: tv

Re: ESR METAR

Post napisao VJEKOSLAV » 28 Mar 2013, 14:44

hvala svima, još sam u fazi ugradnje, i nešto mudrujem zbog praktičnosti, a ovo ću na kraju, pa ću testirati sa tim i bez.
javit ću rezultat. :pivopije:

Avatar
rubin_miki
Preminuo
Postovi: 3382
Pridružen: 13 Avg 2006, 00:22
Location: Prilep Makedonija
Specialty: tv-multimedia
Kontakt:

Re: ESR METAR

Post napisao rubin_miki » 28 Mar 2013, 15:29

a, zna li neko ko prodaje frekfenciometar u ovom stilu naravno za slicne pare? :) pozeljno da meri do 1Ghz mada bi vrsio posao i do 500Mhz? trazio sam malo po netu ali nisam nasao, aj reko da pitam ovde?
ce da izadjem na televizor,a????
http://www.macedonium.org/makedonija.swf

Avatar
Damiru
___
___
Postovi: 924
Pridružen: 19 Avg 2006, 15:26
Location: Srbija
Contact person: Damir
Specialty: tv-multimedia
Lokacija: Kovilj, 127.0.0.1
Kontakt:

Re: ESR METAR

Post napisao Damiru » 29 Mar 2013, 08:14

Pišem napamet, ali čini mi se da je moguće modifikovati postojeći frekvevncmetar. Ili da pitate Časlava radi li i te stvari...

Što se tiče zaštite ovog LCM3, mogu vam prijaviti da radi posao (10uF/250V je - kasnije sam izmerio - imao 180+V i bilo je samo *PEC*). Malo sam se iznenadio i to je bilo sve... Dalo mi je ideju da napunim neki veći elektrolit (100-470uF/350V) pa da na njega vežem pipalice sa zaštitom. Drugi kraj pipalica bih umesto u LCM3 odveo na osciloskop, da vidim šta će da pokaže. Sliku šaljem čim obavim tu sitnicu.

DODATAK:
Prvo sam razmišljao kako napraviti neki jednostavan step-up konvertor i brzo odustao. Jednostavno rešenje su dovoljno dobro za ovu namenu. Evo šeme povezivanja.
1.jpg
Izlaz iz LCM3 metra, rad na prazno (spreman za merenje):
Posle svakih 5 ciklusa idu 2x po +5V.
2.jpg
~535mVpp po ciklusu.
3.jpg
1 ciklus.
4.jpg
Zumiran ciklus - 465kHz. Negde sam pročitao da je frekvencija merenja ~90kHz, pa nije jasno otkud ovaj rezultat.
5.jpg
Kanal 1 krajevi pipalica koji idu u LCM3 (50mVpp 1:1 a ne 10:1 kako piše).
Kanal 2 krajevi pipalica koji idu na elektrolit pod naponom (50Vpp, 10:1).
6.jpg
Da dodam da je kanal 1 ovaj dole, sa šumom (smetnjama), a onaj gore je kanal 2. Da ne bude zabune.

Okačio bih i video, ali je prilično mutna slika. Ako je neko baš zainteresovan, okačiću ga. :pivopije:
Zadnja izmena: Damiru, dana 01 Apr 2013, 11:40, ukupno menjano 2 puta.
Commitment is pushing yourself when no one else is around.

Avatar
VJEKOSLAV
gx
gx
Postovi: 413
Pridružen: 14 Jun 2008, 23:20
Location: VUKOVAR
Specialty: tv

Re: ESR METAR

Post napisao VJEKOSLAV » 31 Mar 2013, 16:01

konačno sam ga 'upakovo' postavit ću sliku kad sve dovršim.
nego, ne mogu ugraditi zaštitu, jer mi i kad ništa nije spojeno, iščitava tu zaštitu, konkretno diode.
jednostavno ću morati paziti da elkosi uvjek budu prazni kad mjerim, jer ne znam koliko je otporan na šokove :?

Avatar
miodrag popovic
gx
gx
Postovi: 3300
Pridružen: 08 Nov 2006, 21:08
Location: Srbija
Phone number: 00381638773821
Specialty: tv
Lokacija: Pančevo Braće Jovanović 56

Re: ESR METAR

Post napisao miodrag popovic » 31 Mar 2013, 16:28

Zaljepi na kutiju parce lima za praznjenje elektrolita.
Ko izgubi dobitak, taj dobija gubitak

Avatar
buzdumra
gx
gx
Postovi: 5364
Pridružen: 22 Okt 2006, 20:14
Location: srbija

Re: ESR METAR

Post napisao buzdumra » 31 Mar 2013, 16:50

mozda bolje staviti taster sa mirnim i radnim kontaktom.? Radni kontakt merenje, mirni masa. :lala:
proradijo mi net zahvaljujuci fanzi

Avatar
Stolle
Preminuo
Postovi: 19099
Pridružen: 12 Avg 2006, 23:35
Location: Srbija
Specialty: tv-multimedia
Lokacija: Dimitrovgrad

Re: ESR METAR

Post napisao Stolle » 31 Mar 2013, 17:54

Za malo veću struju. :mrgreen: Jednostavnije je sa parčetom lima, pa neka seva.
Što se step-up konvertora tiče, meni je to palo na pamet, ali za napajanje, 9V baterije su postale preskupe. Recimo dve AA baterije pa na 9V. Jedino nisam siguran da to neće uneti neke smetnje pri merenju. Za sada ide na adapter, a tako će verovatno i da ostane.
"29 poslednjih dana u mesecu je najteže"

Avatar
fanzo
Site Admin
Site Admin
Postovi: 16010
Pridružen: 02 Avg 2006, 06:41
Location: Bački Petrovac, Srbija
Phone number: 0038121781575
Specialty: tv-multimedia
Lokacija: Bački Petrovac

Re: ESR METAR

Post napisao fanzo » 31 Mar 2013, 23:30

Kupiš punjivu 9V bateriju u aswo, jeftinija je nego kod nas. Ja sam uzeo vartu, radi ok.
Punjač imam odavno.
Da radi na adapter, bar meni nije lagodno jer imam više radnih stolova, a utičnice koliko god da ih ima uvek sve pune.

Za pražnjenje elektrolita extra ideja sa limom i natpisom na njemu (da dopunim ideju) "ISPRAZNI !!!" . ima uvek da se setiš. No nije dobro kad meriš na ploči. Tu bi već Rankova ideja bila ok. Jedan taster na uređaju koji bi odspojio kratak spoj na pipalicama u nekom određenom vremenskom intervalu, naprimer stišneš taster i ima 1 minut da meriš, nakon toga rele prebaci na kratak spoj.
Ma nije ni to dobro.
Napiši samo na kutiju "ISPRAZNI !!!" jer uvek ćeš pogledati prvo na tablicu.. :lala:

A što ne bi Stole ii Damir precrtao šemu iz kutijice? mada mislim da je ista kao i sa makedonca. To su uređaji na istom principu ? Zašto ne bi radilo?
Svakodnevno usavršavanje je bolje od zakasnelog savršenstva

Avatar
buzdumra
gx
gx
Postovi: 5364
Pridružen: 22 Okt 2006, 20:14
Location: srbija

Re: ESR METAR

Post napisao buzdumra » 31 Mar 2013, 23:53

ja sam mislijo da taster uvek mora da pritisnes za svaki elko nista tajmer...
proradijo mi net zahvaljujuci fanzi

Avatar
Stolle
Preminuo
Postovi: 19099
Pridružen: 12 Avg 2006, 23:35
Location: Srbija
Specialty: tv-multimedia
Lokacija: Dimitrovgrad

Re: ESR METAR

Post napisao Stolle » 01 Apr 2013, 10:43

fanzo je napisao:Napiši samo na kutiju "ISPRAZNI !!!" jer uvek ćeš pogledati prvo na tablicu..
:tooo: I jednu blink LED. :b: :mrgreen:
Moraću da uzmem nekoliko punjivih, imam nekakav punjač za 9V NiCd, ne isplati se više kupovati 9V. :?
"29 poslednjih dana u mesecu je najteže"

Avatar
Damiru
___
___
Postovi: 924
Pridružen: 19 Avg 2006, 15:26
Location: Srbija
Contact person: Damir
Specialty: tv-multimedia
Lokacija: Kovilj, 127.0.0.1
Kontakt:

Re: ESR METAR

Post napisao Damiru » 01 Apr 2013, 10:57

Moje skromno iskustvo kaže da je pražnjenje limom OK što se tiče manjih vrednosti (kapaciteta i/ili radnih napona). Ali to nikako ne sme da se radi sa velikim vrednostima, jer seva na sve strane i možete se povrediti nepažnjom. Da ne pominjem da se kratkim spojevima drastično smanjuje radni vek elektrolita, te i ostale sitnice verovatno odavno znate.
Što se tiče zaštite, evo opet fotografije, čisto da se zna od čega je šema.
zastita.jpg
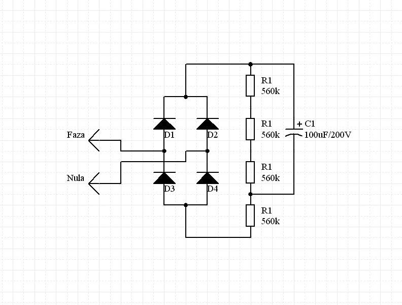
Ono što nisam primetio ranije je otpornik :!: od 22 oma :!: Ni u jednoj predviđenoj varijanti taj otpor ne može da preživi. Omov zakon jasno kaže da je za ovakav otpornik maksimalni napon na njegovim krajevima oko 5V (a ja sam pipalice testirao pod jednosmernim naponom od oko 160V). Koliko sam merenjem primetio, spalio sam ga, jer ommetar pokazuje beskonačnu otpornost. Ne znam zašto je stavljena tako mala vrednost. Staviću 1M, pa ću probati kako se ponaša. Molio bih Stoleta da vidi kako je kod njega izvedena zaštita.
A evo i šeme zaštite:
sema.jpg
Commitment is pushing yourself when no one else is around.

Avatar
Stolle
Preminuo
Postovi: 19099
Pridružen: 12 Avg 2006, 23:35
Location: Srbija
Specialty: tv-multimedia
Lokacija: Dimitrovgrad

Re: ESR METAR

Post napisao Stolle » 01 Apr 2013, 11:18

Ja sam ga već umotao u dva sloja....izgleda da nisam trebao. :mrgreen:
Jeste, tolika je vrednost, malo sam se i ja čudio, ajde probaj, ali sa manjom vrednošću od 1M pa da vidimo kako će da se ponaša.
Mogu se staviti dva parčeta lima za pražnjenje sa žičanim otpornikom izmađu, da ne seva toliko.

Nije šema ni približno ista. šema za LCM3 ima puno po netu, evo jedne teme:

Kod: Označi sve

http://vrtp.ru/index.php?s=720a60bc09c690ce5d7e8cff3bd189da&showtopic=21281&st=0
Prilog
1.jpg
"29 poslednjih dana u mesecu je najteže"

Avatar
Damiru
___
___
Postovi: 924
Pridružen: 19 Avg 2006, 15:26
Location: Srbija
Contact person: Damir
Specialty: tv-multimedia
Lokacija: Kovilj, 127.0.0.1
Kontakt:

Re: ESR METAR

Post napisao Damiru » 01 Apr 2013, 11:36

Stavio sam 560k/2W (snaga nebitna za ovaj primer) i ne vidim nikakve probleme. Obzirom da LCM3 meri vrednost samo do nekoliko desetina oma, 560k ili 1M vezano paralelno mu neće mnogo poremetiti merenje. Greška se u ovom slučaju izražava u desetinama nanooma, što je daleko ispod mernog opsega i tolerancije samog instrumenta.
Staviću 1M/0,5W čim nabavim i pišem - [REŠENO]. :)
Commitment is pushing yourself when no one else is around.

Avatar
Stolle
Preminuo
Postovi: 19099
Pridružen: 12 Avg 2006, 23:35
Location: Srbija
Specialty: tv-multimedia
Lokacija: Dimitrovgrad

Re: ESR METAR

Post napisao Stolle » 01 Apr 2013, 11:38

Mnogo je, koliko vremena treba da se isprazni, recimo 220µF ili 470µF/400V? Mislio sam na mnogo manju vrednost, stotinak Ω, ili par stotina Ω.
"29 poslednjih dana u mesecu je najteže"

Avatar
Damiru
___
___
Postovi: 924
Pridružen: 19 Avg 2006, 15:26
Location: Srbija
Contact person: Damir
Specialty: tv-multimedia
Lokacija: Kovilj, 127.0.0.1
Kontakt:

Re: ESR METAR

Post napisao Damiru » 01 Apr 2013, 11:43

Pipalice sa zaštitom mere samo ESR, nije nužno da se kondenzator isprazni. Bar sam ja tako shvatio. :)

Izgleda da se mi nismo razumeli. Gore sam postavio slike kako sam testirao pipalice, i to pod naponom. Na ulazu je bilo 220V sa mreže. To sam doveo na grec, prepolovio taj jednosmerni napon i doveo ga na elektrolit. Zatim sam povezao i pipalice i to sve pod naponom. Poenta je da zaštita funkcioniše, odnosno da ne vodi sav taj napon na LCM3. Da li se sada razumemo? :mrgreen:
Commitment is pushing yourself when no one else is around.

Odgovori
  • Slične teme
    Odgovori
    Pregledano
    Zadnji post

Natrag na “INTERESANTNE TEME”