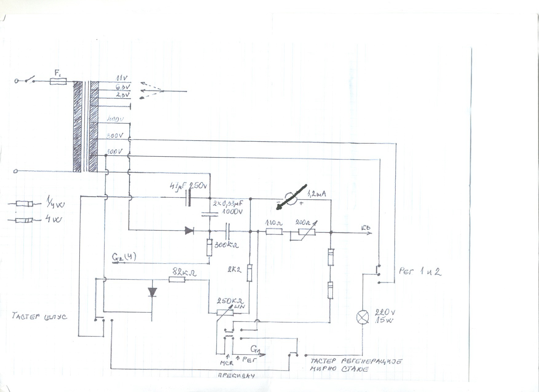
Regenerator ekrana
Urednik: alexa_pg
- Vojvoda
- ___

- Postovi: 2285
- Pridružen: 17 Dec 2006, 22:14
- Location: Srbija
- Contact person: Mirko
- Specialty: tv-multimedia
- Lokacija: Beograd, Karaburma
Starac Fočo od stotinu ljeta
Ovo je moja makina. Nemam pojma ko ga je izmislio ali prenoseći ga s kolena na koleno došao je i do mene.
- Prilog
-
REGENERATOR.rar- (697.24 KiB) Preuzeto 1243 puta.
Budženje je majka zanata.
Ko dobro budži, bolje pare uzima.
http://www.youtube.com/watch?v=WBao61sI ... ture=share
Ko dobro budži, bolje pare uzima.
http://www.youtube.com/watch?v=WBao61sI ... ture=share
Regenerator ekrana
U prilogu 
- Prilog
-
REGENERATOR.rar- (1.4 MiB) Preuzeto 744 puta.
Sto vise ucim sve vise vidim koliko neznam :plaz:
- alexa_pg
- Site Admin

- Postovi: 6119
- Pridružen: 22 Avg 2006, 08:10
- Location: Podgorica
- Specialty: tv-multimedia
Re: Regenerator ekrana
Jos kad bi znali sta je unutra :)
"I ja volim ljude ali ih sve manje podnosim"
Re: Regenerator ekrana
Pozdrav ljudi.
Dobio sam ovaj regenerator, ali nigde ne mogu da nadjem kako se rukuje njime.
Pa ako neko od vas ima neko uputstvo ili je voljan da mi objasni, bio bih mu veoma zahvalan.
Dobio sam ovaj regenerator, ali nigde ne mogu da nadjem kako se rukuje njime.
Pa ako neko od vas ima neko uputstvo ili je voljan da mi objasni, bio bih mu veoma zahvalan.
- Damiru
- ___

- Postovi: 924
- Pridružen: 19 Avg 2006, 15:26
- Location: Srbija
- Contact person: Damir
- Specialty: tv-multimedia
- Lokacija: Kovilj, 127.0.0.1
- Kontakt:
Re: Regenerator ekrana
A gde ćeš to koristiti... Ja nisam video CRT već nekoliko meseci, možda i više od godine... Ne sećam se više...
Commitment is pushing yourself when no one else is around.
Re: Regenerator ekrana
Meni se cini da to nema veze , ali da bi znao sa tim radit dobro je proucit kako radi ekran ...
proradijo mi net zahvaljujuci fanzi
-
- Slične teme
- Odgovori
- Pregledano
- Zadnji post
-
-
Potrebno objasnjenje za regenerator ekrana
napisao makkki79 » 04 Mar 2008, 18:24 » u INTERESANTNE TEME - 30 Odgovori
- 19415 Pregledano
-
Zadnji post napisao Stolle
12 Jul 2008, 22:37
-




