ESR METAR - MAKEDONAC

Najposećenije teme su u ovom podforumu. Molimo ne otvarajte nove teme ako već postoji slična otvorena.

Urednik: alexa_pg

Avatar
Stolle
Preminuo
Postovi: 19099
Pridružen: 12 Avg 2006, 23:35
Location: Srbija
Specialty: tv-multimedia
Lokacija: Dimitrovgrad

Re: ESR METAR

Post napisao Stolle » 24 Feb 2013, 18:00

Hvala. :pivopije: :pivopije: U svemu ima pomalo istine. ESR metar nije idealan, ne mogu se svi neispravni elektroliti pronaći i sa njim, to smo već pisali, ali koliko on ponekad pomogne i skrati nam vreme u rešavanju kvara, ne treba ni govoriti. Ne usporava on rad, naprotiv.
Imaju svoje prednosti i mane i digitalni i analogni, eto sad imam oba. :) I onaj treći sa LED signalizacijom, koji sam retko koristio.
L metar mi je bio potreban, zatreba u raznim situacijama, imao sam na univerzalnom, ali je merio samo velike vrednosti.
mΩ metar takođe zatreba, i njega ima u ovome. Nije šampion u preciznosti, već je pisao Damir, ali ako se ne cepidlači, završava posao.
A ko ga ne želi, to je barem lako. :lala:
"29 poslednjih dana u mesecu je najteže"

Avatar
acavplana
_
_
Postovi: 144
Pridružen: 05 Dec 2011, 11:29
Location: Velika Plana
Contact person: Aleksandar

Re: ESR METAR

Post napisao acavplana » 01 Mar 2013, 08:31

Uradio sam sinoc ESR metar (madjarski) zadovoljan sam sa njim mada mislim da merenje otpora nije bas idealno. Stole kako tebi meri otpor otpornika?
Prilog
Foto1378.jpg
Foto1379.jpg
Postoje dve vrste automobila Mercedes i ostali

Avatar
bogoslav
gx
gx
Postovi: 995
Pridružen: 10 Dec 2006, 01:41
Location: Nikšić
Phone number: 0038268000267
Specialty: tv-multimedia
Lokacija: niksic

Re: ESR METAR

Post napisao bogoslav » 01 Mar 2013, 09:38

Postavi šemu ako nije problem.

Avatar
acavplana
_
_
Postovi: 144
Pridružen: 05 Dec 2011, 11:29
Location: Velika Plana
Contact person: Aleksandar

Re: ESR METAR

Post napisao acavplana » 01 Mar 2013, 11:10

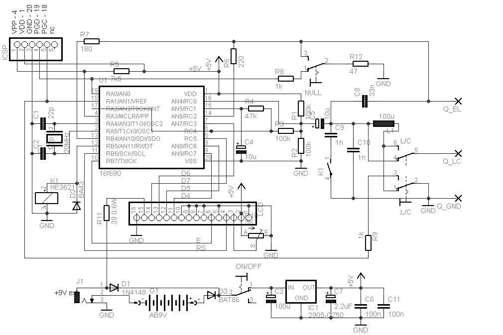
Evo seme. Mada mislim da je objavljena negde u ovoj temi. Ja sam ovaj instrument sastavio na brzaka i ispalo je ok,sem merenja otpora. Najbitnije od svega je da C8,C9 i C10 budu Stiroflex kondenzatori (kod mene trenutno nisu,ali imam ih), C4 i C5 treba da su tantal elektroliti i zavojnica L1 treba da bude sto kvalitetnija (kvalitetno jezgro). Jedan skoro profesionalni uredjaj.
Prilog
lcm3_v2_sch.png
Sema
Postoje dve vrste automobila Mercedes i ostali

Avatar
Stolle
Preminuo
Postovi: 19099
Pridružen: 12 Avg 2006, 23:35
Location: Srbija
Specialty: tv-multimedia
Lokacija: Dimitrovgrad

Re: ESR METAR

Post napisao Stolle » 01 Mar 2013, 12:00

Ne da nije idealno, nego ne valja. Na 10000µF/16V ESR je 11mΩ, a na 22µF/63V je 450mΩ.
"29 poslednjih dana u mesecu je najteže"

Avatar
Damiru
___
___
Postovi: 924
Pridružen: 19 Avg 2006, 15:26
Location: Srbija
Contact person: Damir
Specialty: tv-multimedia
Lokacija: Kovilj, 127.0.0.1
Kontakt:

Re: ESR METAR

Post napisao Damiru » 01 Mar 2013, 12:07

Trebalo bi proveriti to čudo. Uporediti ga sa nekim pouzdanim instrumentom... Pri tome mislim i na ovaj Acin, i na one naše... Uopšte ne znam koliko mogu da mu verujem. Poređenje sa nečim pouzdanijim bi dalo pravu sliku.
Zadnja izmena: Damiru, dana 01 Mar 2013, 12:12, ukupno menjano 1 put.
Commitment is pushing yourself when no one else is around.

Avatar
acavplana
_
_
Postovi: 144
Pridružen: 05 Dec 2011, 11:29
Location: Velika Plana
Contact person: Aleksandar

Re: ESR METAR

Post napisao acavplana » 01 Mar 2013, 12:09

Mislio sam na merenje otpornika,jer mi za otpornik 10 Ohm prikaze oko 13 Ohm-a. Veoma je bitna i temperatura ambijenta,nece uvek isto meriti. Danas cu montirati Stiroflex kondenzatore umesto ovih jeftinih blokova pa cemo videti. Trebalo bi da se popravi merenje ESR-a i otpora.
Da dodam jos nesto...ja imam nekoliko verzija firmvera za ovaj instrument, taj sto je u prodaji na njemu je verzija firmvera 1.25 a ja sam u PIC upisao poslednju verziju 1.35,medjutim ova verzija (1.35) nije kompletno zavrsena jer je autor napustio projekat i ne daje nikome source code. Razlika izmedju ova dva firmvera je samo u tome sto je 1.25 pisan za zavojnicu "bubanj" jezgra L1 100uH dok je firmver 1.35 prilagodjen za zavojnice loncastog jezgra.
Postoje dve vrste automobila Mercedes i ostali

Avatar
Stolle
Preminuo
Postovi: 19099
Pridružen: 12 Avg 2006, 23:35
Location: Srbija
Specialty: tv-multimedia
Lokacija: Dimitrovgrad

Re: ESR METAR

Post napisao Stolle » 01 Mar 2013, 13:18

Merenje otpora i nema nekog smisla, kad ti ne valja ESR. 10Ω na ovome se meri 10.2Ω.
"29 poslednjih dana u mesecu je najteže"

Avatar
acavplana
_
_
Postovi: 144
Pridružen: 05 Dec 2011, 11:29
Location: Velika Plana
Contact person: Aleksandar

Re: ESR METAR

Post napisao acavplana » 01 Mar 2013, 13:35

Ma proradice to danas,probacu sve verzije firmvera i uz kvalitetnije kondenzatore sigurno ce biti bolje. Bitno mi je samo da sredim ESR jer mi je to najpotrebnije. Mada,stari dobri analogni sa dva LM324 mi je mnogo puta pomagao ali ... sad imam dva instrumenta :fanzo: :pivopije:
Postoje dve vrste automobila Mercedes i ostali

Avatar
acavplana
_
_
Postovi: 144
Pridružen: 05 Dec 2011, 11:29
Location: Velika Plana
Contact person: Aleksandar

Re: ESR METAR

Post napisao acavplana » 04 Mar 2013, 15:03

Evo slika kompletno uradjenog LCFM ESR metra spakovanog u kutiju. Vrlo je vazno staviti STO KVALITETNIJE kondenzatore. Zavojnica je sa SAMSUNG stare (ne secam se koja) sasije zalivena u zeleni epoksid sa oznakom 101 sa njom sam dobio najbolje rezultate,dok su se kupljene zavojnice pokazale jako lose. I jos jedna stvar koja me je iznenadila a to je da je instrument bio najtacniji i najstabilniji sa verzijom firmvera 1.2 ,dakle onom verzijom koja se nalazi u prodavanim uredjajima dok je sa verzijom 1.35 merenje otpornosti i ESR-a instrument gresio i preko 50%. U prilogu su slike i obe verzije firmvera.

LCM3 V1.2 i LCM3 V1.35
LCF-ESR metar.rar
LCM3 V1.2 i LCM3 V1.35
(17.07 KiB) Preuzeto 45 puta.
Prilog
3.jpg
3.jpg (23.24 KiB) Pregledano 4212 puta.
4.jpg
5.jpg
6.jpg
7.jpg
8.jpg
9.jpg
9.jpg (2.66 KiB) Pregledano 4228 puta.
Zadnja izmena: acavplana, dana 04 Mar 2013, 22:07, ukupno menjano 1 put.
Postoje dve vrste automobila Mercedes i ostali

Avatar
Stolle
Preminuo
Postovi: 19099
Pridružen: 12 Avg 2006, 23:35
Location: Srbija
Specialty: tv-multimedia
Lokacija: Dimitrovgrad

Re: ESR METAR

Post napisao Stolle » 04 Mar 2013, 20:03

Uhh...slike se postavljaju isključivo u JPEG formatu. Takođe, koristi neki program za crop, capture, tako da postaviš samo ono što je bitno. I nema potrebe za ovoliko velike slike. U velikoj rezoluciji i zapakovane postavljamo samo kad su u pitanju PCB sa SMD komponentama i bitno je da se one vide.
Evo prepravio sam, ali ubuduće se trudi da od ovoga nešto koristiš.
Sve što postavljaš trebaš upisati u post, da bi pretraga mogla to posle da pronađe.
"29 poslednjih dana u mesecu je najteže"

Avatar
VJEKOSLAV
gx
gx
Postovi: 413
Pridružen: 14 Jun 2008, 23:20
Location: VUKOVAR
Specialty: tv

Re: ESR METAR

Post napisao VJEKOSLAV » 27 Mar 2013, 15:39

Pozdrav svima :pivopije:
juče mi je stigao ovaj, trebalo je oko 20 dana od narudžbe.
http://www.ebay.com/itm/Transistor-Test ... 2224886%26
danas smišljam kako da ga upakujem u kućište od nekog pijacarskog instrumenta koji imam pokvaren.
malo sam ga testirao, ali nisam uz njega dobio neku tablicu.
čini mi se da radi dobro, uspoređujući sa onom tablicom sa početka ove teme, ali nemam baš iskustva sa tim jer do sad nisam imao ESR metar.
sviđa mi se što prepoznaje i tranzistore, odmah ispiše NPN/PNP koji je već, i diode, a čini mi se da dobro mjeri i otpornike koliko sam probao.
jel moguće da je ovaj jeftinjak pouzdan u mjerenju, šta mislite vi iskusniji ?

ps.
čini mi se da prilično brzo troši bateriju, iako nema pozadinsko osvjetljenje.
prilikom svakog testiranja ispiše stanje baterije, i svaki put je zeru manje.
morat ću ga na adapter. :oklagija

Avatar
Stolle
Preminuo
Postovi: 19099
Pridružen: 12 Avg 2006, 23:35
Location: Srbija
Specialty: tv-multimedia
Lokacija: Dimitrovgrad

Re: ESR METAR

Post napisao Stolle » 27 Mar 2013, 18:25

Jako je povoljan, na oglasima kod nas cena sličnih je 3 i više puta skuplji. Koliko je precizan, to ćeš sam da vidiš, nije ni onaj gore idealno tačan, ali služi i jako je koristan. Vidi samo kako stoji sa punim kondenzatorima, da li ima zaštitu ili ne, da ga ne spališ.
Makedonskim sam pre neki dan merio mrežni elko, vidim malo zaiskrilo, kad pogledam TV uključen, 300V. :shock: :plaz:
Pokazao je da dobar. :mrgreen:
Ništa mu nije bilo, diode i kondenzator na ulazu su odradili svoje.
"29 poslednjih dana u mesecu je najteže"

Avatar
fanzo
Site Admin
Site Admin
Postovi: 16010
Pridružen: 02 Avg 2006, 06:41
Location: Bački Petrovac, Srbija
Phone number: 0038121781575
Specialty: tv-multimedia
Lokacija: Bački Petrovac

Re: ESR METAR

Post napisao fanzo » 27 Mar 2013, 19:50

Stole, onaj instrument je bez kutije.
Šta misliš koliko bi ti vremena trebalo da ga spakuješ u kutiju + troškovi za izradu kutije + onakvi kablovi kakve si dobio.. konektori .. ihahajj.
Ja ću da ti kupim one iz kine, a ti ćeš da sklapaš. OK? Delimo zaradu? :mrgreen:
Svakodnevno usavršavanje je bolje od zakasnelog savršenstva

Avatar
Stolle
Preminuo
Postovi: 19099
Pridružen: 12 Avg 2006, 23:35
Location: Srbija
Specialty: tv-multimedia
Lokacija: Dimitrovgrad

Re: ESR METAR

Post napisao Stolle » 27 Mar 2013, 19:52

Ma da. :tooo: Nisam mislio na taj, nego na one po oglasima koji su takođe bez kutija i kablova, a cena 60€.
Recimo:
Prilog
1.jpg
1.jpg (9.58 KiB) Pregledano 4035 puta.
"29 poslednjih dana u mesecu je najteže"

Avatar
fanzo
Site Admin
Site Admin
Postovi: 16010
Pridružen: 02 Avg 2006, 06:41
Location: Bački Petrovac, Srbija
Phone number: 0038121781575
Specialty: tv-multimedia
Lokacija: Bački Petrovac

Re: ESR METAR

Post napisao fanzo » 27 Mar 2013, 20:03

AaaAaaa .. na te sam i zaboravio.

Vjekoslave, uzmeš ispravne elektrolite i napraviš si tablicu. A trebalo bi da ispadne blizu one koju si našao ovde u temi, pa ne moraš ništa ni praviti, samo si iskopiraš jednu od ovih esr, osim makendonskog esr.
Svakodnevno usavršavanje je bolje od zakasnelog savršenstva

Avatar
buzdumra
gx
gx
Postovi: 5364
Pridružen: 22 Okt 2006, 20:14
Location: srbija

Re: ESR METAR

Post napisao buzdumra » 27 Mar 2013, 20:22

Stole "makedonac" je ne prevazidjen! :pivopije:
proradijo mi net zahvaljujuci fanzi

Avatar
Stolle
Preminuo
Postovi: 19099
Pridružen: 12 Avg 2006, 23:35
Location: Srbija
Specialty: tv-multimedia
Lokacija: Dimitrovgrad

Re: ESR METAR

Post napisao Stolle » 27 Mar 2013, 20:28

Kad je ovo preživeo... :mrgreen:
Otkucaš ESR table na Google i dobićeš ih na hiljade.
"29 poslednjih dana u mesecu je najteže"

Avatar
Damiru
___
___
Postovi: 924
Pridružen: 19 Avg 2006, 15:26
Location: Srbija
Contact person: Damir
Specialty: tv-multimedia
Lokacija: Kovilj, 127.0.0.1
Kontakt:

Re: ESR METAR

Post napisao Damiru » 28 Mar 2013, 00:24

fanzo je napisao:Vjekoslave, uzmeš ispravne elektrolite i napraviš si tablicu.
Začudio bi se kakvo jeftino smeće prodaju danas. :shock: A skoro da nema ni govora o kupovini kvalietnijih elektrolita. Ili me gledaju belo, ili nemaju na stanju, ili - ako imaju - vrlo retko i vrlo malo.
Commitment is pushing yourself when no one else is around.

Avatar
chellawy
gx
gx
Postovi: 3186
Pridružen: 12 Avg 2006, 22:25
Location: Bačka Palanka
Contact person: SIX
Specialty: tv

Re: ESR METAR

Post napisao chellawy » 28 Mar 2013, 10:09

Ima Damire, ima ...
Čovek se zove Branko "Šubi-dubi". I IMA kvalitetne elkose
Kompletna ponuda rezervnih delova koja će biti veoma ažurirana u narednih dve ,dve i po godine :)
https://www.kupindo.com/Clan/chellawy/SpisakPredmeta

Odgovori
  • Slične teme
    Odgovori
    Pregledano
    Zadnji post

Natrag na “INTERESANTNE TEME”