Post
napisao alexa_pg » 27 Sep 2020, 17:50
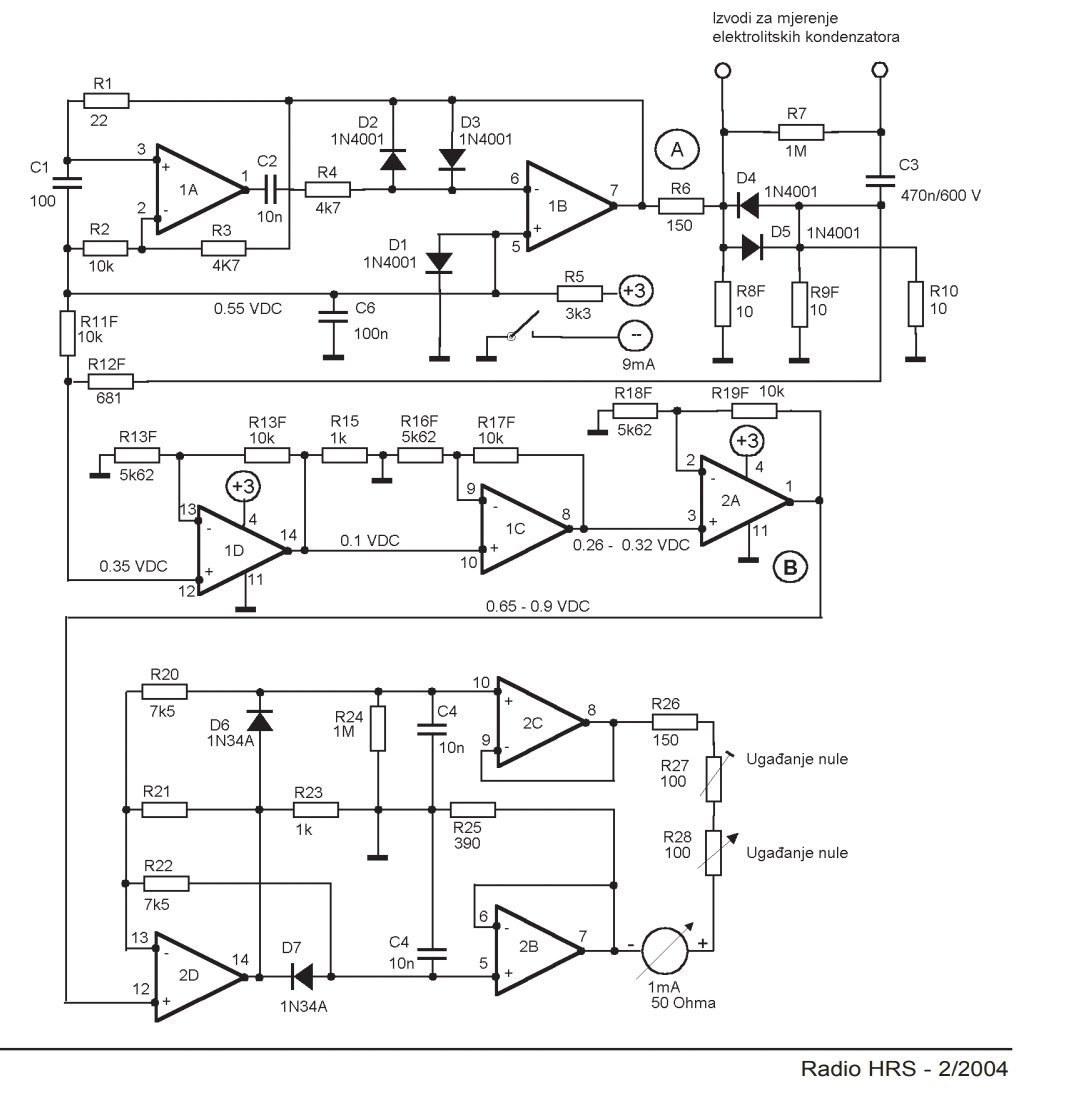
U ovom slučaju je teško reći šta je original a šta kopija. Imam šemu iz makedonskog časopisa i u njoj je navedeno da je instrumenat 500uA.
Što se tiče tačnosti instrumenta, nećeš nista izgubiti ako instrumenat bude 500uA ili 1mA. Koristi koji imaš. Instrumenti sa malom unutrašnjom otpornošću, da bi kazaljka došla do kraja traže veću struju. Ako izvor ne može toliku struju da da, dešava to kao kod tebe da tada kazaljka ne može da dođe do kraja.
U prilogu je šema izlaznog stepena iz makedonskog časopisa.
-
Prilog
-

- Slika.JPG (26.55 KiB) Pregledano 3634 puta.
"I ja volim ljude ali ih sve manje podnosim"