VIVAX TV-32S55DT2 napajanje problem
Pravila foruma
Naslov teme treba da bude u formatu: PROIZVOĐAČ, MODEL, KRATAK OPIS KVARA
Nakon rešenog kvara zatvoriti temu >> >UPUTSTVO< u suprotnom ništa ne činiti.
RAZNA UPUTSTVA
Naslov teme treba da bude u formatu: PROIZVOĐAČ, MODEL, KRATAK OPIS KVARA
Nakon rešenog kvara zatvoriti temu >> >UPUTSTVO< u suprotnom ništa ne činiti.
RAZNA UPUTSTVA
-
febo26
- gx

- Postovi: 129
- Pridružen: 11 svi 2008, 17:00
- Location: pitomaca
- Contact person: Zeljko Feric
- Specialty: tv-multimedia
VIVAX TV-32S55DT2 napajanje problem
LED TV
FIRMA: VIVAX
MODEL: TV-32S55DT
MODEL DODATNO:
CHASSIS:16AT012 V1.0
MAINBOARD: 16AT012 V1.0
PANEL:
T-CON BOARD:
***************************************
SIMPTOMI:
Nakon grmljavine ne pali se više.Nema napona na sekundaru.
Na mrežnom elektrolitu imam 310V i to je to.Sve ostalo mrtvo.
Shemu nemoguce naci na googlu.
Opet neka luda oznak za mrezni chip. 273105
.420C
6 pinsko SMD kučište
Ima netko ideju o kojem cipu se tu radi?
Kako sliku ubaciti na post?
FIRMA: VIVAX
MODEL: TV-32S55DT
MODEL DODATNO:
CHASSIS:16AT012 V1.0
MAINBOARD: 16AT012 V1.0
PANEL:
T-CON BOARD:
***************************************
SIMPTOMI:
Nakon grmljavine ne pali se više.Nema napona na sekundaru.
Na mrežnom elektrolitu imam 310V i to je to.Sve ostalo mrtvo.
Shemu nemoguce naci na googlu.
Opet neka luda oznak za mrezni chip. 273105
.420C
6 pinsko SMD kučište
Ima netko ideju o kojem cipu se tu radi?
Kako sliku ubaciti na post?
Re: VIVAX TV-32S55DT2 napajanje problem
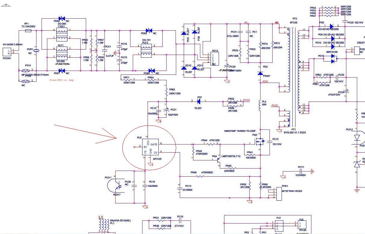
nema SM ni schema od te ploce...evo nesto slicno...mozda pomogne...vidi u sekundaru ima li sta u kr. spoju..daj ploci externo 5V ako ne ukljucuje stby..nemoj se muciti mnogo..posto je od groma, vec da se trazi druga ploca.
cuby
cuby
samo laž treba državnu podršku, istina stoji sama od sebe uspravno! 
-
febo26
- gx

- Postovi: 129
- Pridružen: 11 svi 2008, 17:00
- Location: pitomaca
- Contact person: Zeljko Feric
- Specialty: tv-multimedia
Re: VIVAX TV-32S55DT2 napajanje problem
Moglo bi biti.
Jako je slično spojeno razlike su u nekim vrijednostima dijelova.
Jako je slično spojeno razlike su u nekim vrijednostima dijelova.
Re: VIVAX TV-32S55DT2 napajanje problem
da..markirani IC u mrezi pa je tesko...znaci dosta ako je i kod tebe 3. pin NC...onda je ista familija...najverovatnije, ipak..vidi sta je sa 5V pre ikakvih radova na mrezi..
cuby
cuby
samo laž treba državnu podršku, istina stoji sama od sebe uspravno! 
Re: VIVAX TV-32S55DT2 napajanje problem
Ako se ne varam ploca napajanja je model AY072-2SF01,mozda moze pomoci da na modelu AY072-4HF01 direktno prolazi SG6848 bez ikakvih preinaka,gotovo sam siguran da je primarni dio napajanja isti...
-
febo26
- gx

- Postovi: 129
- Pridružen: 11 svi 2008, 17:00
- Location: pitomaca
- Contact person: Zeljko Feric
- Specialty: tv-multimedia
Re: VIVAX TV-32S55DT2 napajanje problem
evo slike cijele matične s mrežnim dijelom.Da li ima netko za prodati cijelu ploču i da salje u Hrvatsku
Re: VIVAX TV-32S55DT2 napajanje problem
uh,to je noviji model sa napajanjem na ploci,nece onda ici sa onim chipom,odnosno i to bi proslo no sa preinakom u sekundarnom krugu povratne veze,original bi mogao biti MLP36
Re: VIVAX TV-32S55DT2 napajanje problem
LD7536 izgleda da je pronadji manual za ovaj ic i uporedi.
TOCE
Re: VIVAX TV-32S55DT2 napajanje problem
Kolega @febo26- poslao sam vam pp
-
dusan_darim
- _

- Postovi: 19
- Pridružen: 08 Avg 2018, 12:27
- Location: Srbija
- Warranty service: Elin,Davoline,Blaupunkt
- Contact person: Dusan
- Specialty: tv-multimedia
Re: VIVAX TV-32S55DT2 napajanje problem
Imam plocu (novu).Nije napisana oznaka panela ... dopuni podatke pa da vidimo kako dalje.

