AUTO ELEKTRONIKA
VRSTA VOZILA: (putnički auto)
PROIZVOĐAČ: (Opel)
MODEL: (Zafira)
GODIŠTE: 2004
Pre par dana mi se upalila lampica za proklizavanje i ubrzo potom i ona za proveru motora.
Kacenjem na neku prostu bluetooth dijagnostiku procitao sam greske: P0100,P1110, P0135, P0141, P0443.
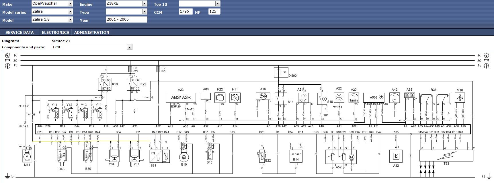
Dobar deo toga se odnosi na MAF i na O2 senzore pa sam proverio napon na jedinoj zajednickoj liniji (oznaceno zutim) i nema ga a trebao bi da bude 12V.
Proverio sam sve osigurace i oni su u redu, ne znam koji je tacno za tu liniju (u tolerance data koji imam nema kutije sa osiguracima).
Probao sam i ABS i rekao bih da ne radi ali ne sija lampica a ESP sija cim se upali auto. Ne znam ima li to bilo kakve veze jedno sa drugim ali se pojavilo u isto vreme.
Auto inace radi bez nekih problema
Ako neko zna gde bih mogao da gledam da ne rasturam sve zice po autu trazeci gde idu bilo bi lepo posto nigde da pronadjem veze same elektronike sa odredjenim osiguracima...
Opel Zafira 1.8 nema napona na senzorima
Urednik: Barbarella56
Pravila foruma
Praktikujemo da na kraju opišemo kako smo rešili problem. Zatim zatvorimo temu >UPUTSTVO<
Praktikujemo da na kraju opišemo kako smo rešili problem. Zatim zatvorimo temu >UPUTSTVO<
Re: Opel Zafira 1.8 nema napona na senzorima
Uspeo sam da pronadjem problem.
U kutiji sa releima postoji jedan osigurac preko koga ide ta linija. Jedva sam pronasao da gde se uopste nalazi taj osigurac a nije mi ni jasno kome je palo na pamet da tu stavi kutiju.
Zavucena ispod lima i poklopac ne moze da se skine pa sam jedva nekim spicastim klestima uspeo da dodjem do njega.
Greske se vise nisu pojavljivale a i ESP lampica ne sija vise.
Uglavnom mozemo da pisemo da je reseno.
U kutiji sa releima postoji jedan osigurac preko koga ide ta linija. Jedva sam pronasao da gde se uopste nalazi taj osigurac a nije mi ni jasno kome je palo na pamet da tu stavi kutiju.
Zavucena ispod lima i poklopac ne moze da se skine pa sam jedva nekim spicastim klestima uspeo da dodjem do njega.
Greske se vise nisu pojavljivale a i ESP lampica ne sija vise.
Uglavnom mozemo da pisemo da je reseno.
-
- Slične teme
- Odgovori
- Pregledano
- Zadnji post
-
-
stabilizator napona SX-100 (5,5KVA) nov
napisao cubica » 17 Dec 2013, 04:14 » u SRB PRODAJA - OSTALO - 0 Odgovori
- 2102 Pregledano
-
Zadnji post napisao cubica
17 Dec 2013, 04:14
-
-
- 25 Odgovori
- 6669 Pregledano
-
Zadnji post napisao zoki_klima
02 svi 2009, 01:04
-
-
opel astra F ne puni dovoljno alternator?
napisao Mega Elektro SU » 18 Dec 2008, 23:13 » u Autoelektronika - 15 Odgovori
- 4529 Pregledano
-
Zadnji post napisao Vojvoda
11 Jan 2009, 15:45
-
-
- 7 Odgovori
- 1725 Pregledano
-
Zadnji post napisao Damiru
11 svi 2009, 12:56
-
- 13 Odgovori
- 6674 Pregledano
-
Zadnji post napisao stojkePN
18 Dec 2009, 23:05
-
-
Opel astra F '92-98. reostat ventilatora kabine [info]
napisao Majstor Duja » 16 Feb 2010, 17:58 » u Autoelektronika - 6 Odgovori
- 7790 Pregledano
-
Zadnji post napisao lcresic
19 Okt 2016, 11:04
-
-
-
Opel Kadet 1.2 neravnomjeran ler gas (reseno)
napisao xipsilon » 21 Avg 2010, 21:31 » u Autoelektronika - 7 Odgovori
- 1996 Pregledano
-
Zadnji post napisao xipsilon
28 Nov 2010, 18:41
-
-
- 3 Odgovori
- 2888 Pregledano
-
Zadnji post napisao RadovanPetkovic
28 Sep 2019, 20:30

