el. sema za t51496p
Urednik: alexa_pg
Pravila foruma
Praktikujemo da na kraju opišemo kako smo rešili problem. Zatim zatvorimo temu >UPUTSTVO<
Praktikujemo da na kraju opišemo kako smo rešili problem. Zatim zatvorimo temu >UPUTSTVO<
el. sema za t51496p
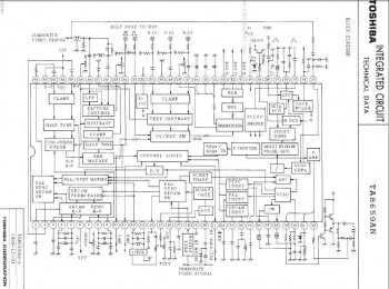
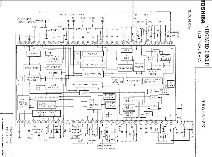
treba mi sema za ovi integralni kola t51496p,ta8615n,ta8659n
- vlatkocopa
- gx

- Postovi: 3030
- Pridružen: 04 Jun 2008, 22:41
- Location: Makedonija-Kumanovo
- Contact person: Vlado
- Phone number: 0038931420808
- Specialty: tv
Re: el. sema za t51496p
Za sjaj u očima, rumenilo u licu i lepršav hod - koristite kozmetiku -Šljivovica a moze i domaca jabukovaca ..:))
Re: el. sema za t51496p
trazio sam na tih strani i na google ali nisam mogao da ga nadzem
- nec
- Site Admin

- Postovi: 4849
- Pridružen: 17 Okt 2007, 22:15
- Location: Makedonija, Strumica
- Phone number: 0038978425778
- Specialty: tv-multimedia
- Kontakt:
Re: el. sema za t51496p
ocigledno nisi trazio dovoljno
Kad zamenimo ideje svi imamo duplo vise ideja
Re: el. sema za t51496p
od koja web adresa gi trgna napisi ako ni je tajnanec je napisao:ocigledno nisi trazio dovoljno
fala
- nec
- Site Admin

- Postovi: 4849
- Pridružen: 17 Okt 2007, 22:15
- Location: Makedonija, Strumica
- Phone number: 0038978425778
- Specialty: tv-multimedia
- Kontakt:
Re: el. sema za t51496p
nema tajne samo ukucaj u GOOGLE to sto trazis i procesljaj malo vishe (ne samo prvu stranu)
Kad zamenimo ideje svi imamo duplo vise ideja
-
- Slične teme
- Odgovori
- Pregledano
- Zadnji post
-
- 6 Odgovori
- 2022 Pregledano
-
Zadnji post napisao grifon
12 Mar 2009, 15:39
-
- 21 Odgovori
- 6575 Pregledano
-
Zadnji post napisao Milos fis
26 Jan 2017, 12:11
-
- 9 Odgovori
- 3278 Pregledano
-
Zadnji post napisao miros981
23 Apr 2009, 18:21
-
-
Mikrofonsko predpojačalo-potrebna šema (Riješeno)
napisao bogoslav » 21 Dec 2008, 15:36 » u Elektronika - 13 Odgovori
- 3028 Pregledano
-
Zadnji post napisao bogoslav
22 Dec 2008, 21:42
-
-
- 3 Odgovori
- 1150 Pregledano
-
Zadnji post napisao alexa_pg
25 Mar 2009, 10:58
-
- 5 Odgovori
- 2112 Pregledano
-
Zadnji post napisao andro79
26 Apr 2009, 16:40
-
- 8 Odgovori
- 2870 Pregledano
-
Zadnji post napisao Vucko_AR
22 Jan 2010, 07:06
-
- 4 Odgovori
- 764 Pregledano
-
Zadnji post napisao Ivans
04 svi 2009, 21:53

