interesuje me ima li ko iskustva sa ovim kolom ili mozda neko zna u kojem uredjaju ga ima ili da ima takav uredjaj da proda
pozdrav puki
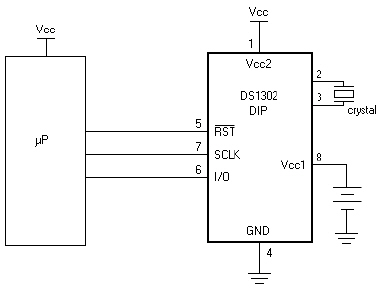
ds1302
Urednik: alexa_pg
Pravila foruma
Praktikujemo da na kraju opišemo kako smo rešili problem. Zatim zatvorimo temu >UPUTSTVO<
Praktikujemo da na kraju opišemo kako smo rešili problem. Zatim zatvorimo temu >UPUTSTVO<
Re: ds1302
.,ima u asvo da se naruci ovo ako ti pasuje DS1302Z IC
1452229
Expected delivery date within 2 - 3 weeks
This spare part is not a stock article.
We like to get it for you, but it is excluded from cancellation and return. 875934388
SONY
mozda si trebao temu otvoriti u kupujem prodaje ili gde nabaviti zoze se prebacit ako hoces tj. ako neces da diskutujes o nekoj zameni ili budzevini
pozz
a vidi i ovde imaju na spisku ELGO Elektronik
Specijalizovana Prodavnica Elektronskog Materijala
Maloprodaja i velikoprodaja
18000 Niš
Sremska 5a lokal 7
tel/fax 018/231-965 018/532-655
kasnije brisem broj
1452229
Expected delivery date within 2 - 3 weeks
This spare part is not a stock article.
We like to get it for you, but it is excluded from cancellation and return. 875934388
SONY
mozda si trebao temu otvoriti u kupujem prodaje ili gde nabaviti zoze se prebacit ako hoces tj. ako neces da diskutujes o nekoj zameni ili budzevini
pozz
a vidi i ovde imaju na spisku ELGO Elektronik
Specijalizovana Prodavnica Elektronskog Materijala
Maloprodaja i velikoprodaja
18000 Niš
Sremska 5a lokal 7
tel/fax 018/231-965 018/532-655
kasnije brisem broj
proradijo mi net zahvaljujuci fanzi
- milan
- Preminuo
- Postovi: 4426
- Pridružen: 19 Avg 2006, 22:38
- Location: Novi Sad
- Specialty: tv-multimedia
Re: ds1302
Za cega ti treba?
Kod: Označi sve
http://www.youtube.com/watch?v=ikWU9xOiMqY- Prilog
-
- ds1302_4.jpg (19.66 KiB) Pregledano 776 puta.
- rubin_miki
- Preminuo
- Postovi: 3382
- Pridružen: 13 Avg 2006, 00:22
- Location: Prilep Makedonija
- Specialty: tv-multimedia
- Kontakt:
Re: ds1302
duga prica :) ocemo da prevarimo jedan aparat koji odbrojava vreme i kad dodje kraj blokira..e mi necemo da dodje kraj :)
puuuuukiiii lepoto mojaaaa

ce da izadjem na televizor,a????
http://www.macedonium.org/makedonija.swf
http://www.macedonium.org/makedonija.swf
- chellawy
- gx

- Postovi: 3186
- Pridružen: 12 Avg 2006, 22:25
- Location: Bačka Palanka
- Contact person: SIX
- Specialty: tv
Re: ds1302
mislim stvarno puki
ako si mogao da skoknes do zlatibora , onda kakav je problem bio da skoknes do Vlasica

ako si mogao da skoknes do zlatibora , onda kakav je problem bio da skoknes do Vlasica
Kompletna ponuda rezervnih delova koja će biti veoma ažurirana u narednih dve ,dve i po godine :)
https://www.kupindo.com/Clan/chellawy/SpisakPredmeta
https://www.kupindo.com/Clan/chellawy/SpisakPredmeta
Re: ds1302
znate sta,bas mi je krivo sto sam prestao da radim TV zbog momaka kao sto ste vi
naime,radi se o diagnostickom uredjaju koji odbrojava vreme i kada stigne do kraja jedne godine moras da platis 500e da bi nastavio,e sada ja znam ako bi skinuo ds1302 on bi izgubio napajanje i kod koji je u njemu otisao bi u nepovrat,ali ako ga ne bi skidao a da zamenim kristal mozda ne bi izgubio podatke(trenutno je 40MHz ja bi napr.stavio 5MHz) i onda bez dopune bi radio 8 godina :).Zato mi treba gotov uredjaj da bi mogao da experimentisem na njemu
pozdrav svima
naime,radi se o diagnostickom uredjaju koji odbrojava vreme i kada stigne do kraja jedne godine moras da platis 500e da bi nastavio,e sada ja znam ako bi skinuo ds1302 on bi izgubio napajanje i kod koji je u njemu otisao bi u nepovrat,ali ako ga ne bi skidao a da zamenim kristal mozda ne bi izgubio podatke(trenutno je 40MHz ja bi napr.stavio 5MHz) i onda bez dopune bi radio 8 godina :).Zato mi treba gotov uredjaj da bi mogao da experimentisem na njemu
pozdrav svima
Re: ds1302
Hvala puno na pozivu ali zbog porodicnih stvari nema sanse ,popi za mene jedno ,kao da sam biochellawy je napisao:mislim stvarno puki
ako si mogao da skoknes do zlatibora , onda kakav je problem bio da skoknes do Vlasica![]()

