light show
Urednik: alexa_pg
Pravila foruma
Praktikujemo da na kraju opišemo kako smo rešili problem. Zatim zatvorimo temu >UPUTSTVO<
Praktikujemo da na kraju opišemo kako smo rešili problem. Zatim zatvorimo temu >UPUTSTVO<
light show
Potrebna pomoc oko light show-a. Doneo mi prijatelj neki light show koji je pravljen u hoby varijanti koji je sav izmuvan izprespajan zicama - cudo. Light show je sa 8 kom. TIC216M i sa 2 SN74SL90. Ako neko ima slucjno shemu za ovo cudo, ako ne neka bilo koja da mu to prepravim. Unapred zahvalan. Pozdrav.
Re: light show
Ne radim ove stvari uopste, pa sam u medjremenu saznao da je ovo u stvari trcece svetlo. Posto nisam uspeo da mu nadjem oiginal shemu nasao sam slicnu samo sa CD4017 i CD4001. Probacu da prepravim uredjaj pa javljam rezultat.
Re: light show
Pozz ljudi!
nov sam na forumu. molio bi ako neko zna kako moze ovo da se objedini sa light show
nov sam na forumu. molio bi ako neko zna kako moze ovo da se objedini sa light show
- Prilog
-
- imagesCAMG853S.jpg (13.02 KiB) Pregledano 1017 puta.
- Majstor Duja
- Neaktivan
- Postovi: 3136
- Pridružen: 23 Avg 2006, 17:29
- Location: Novi Sad - centar
- Warranty service: http://www.elektrocentar.com
- Contact person: Goran Duic
- Specialty: tv-multimedia
Re: light show
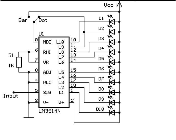
Prvo, donja slika se uopste ne vidi sta je sta...drugo, ako zelis da od led VU metra napravis light show onda moras svaku led da zamenis sa opto trijakom i prikljucis sijalicu 220V preko odgovarajuceg elektronskog kola (rc filtera), shema ima na netu koliko hoces, trazi sam...
Rule #1 "Always stand for what you believe, even if it means standing alone."

