BUDZ>>Juna<< filka

Podforum za majstorije i konstruktivne inovacije. Budž-teme.

za koji predlog glasate ?

Glasanje je završila: 01 Jul 2008, 09:56.

1. toce
4
21%
2. salesk
2
11%
3. filka
8
42%
4. alexa_pg
2
11%
5. stojkePN
3
16%
 
Ukupno glasova: 19

Avatar
chellawy
gx
gx
Postovi: 3186
Pridružen: 12 Avg 2006, 22:25
Location: Bačka Palanka
Contact person: SIX
Specialty: tv

BUDZ>>Juna<< filka

Post napisao chellawy » 03 Jun 2008, 00:25

1. Ova tema (igra) je zabavno šaljivog karatktera. Ali se nadam da se i pored toga može nešto i naučiti .
2. Igra se sastoji od predlaganja improvizacija (BUDŽeva) koje su majstori uradili sami ili su se sreli sa njima u toku svog posla. I od glasanja za predloge.
3. Svaki član foruma ima pravo da postavi jedan svoj predlog mesečno.
4. Svaki član ima pravo da glasa samo jednom za jedan od predloga u toku meseca.
5. Predloga može biti neograničeno(koliko god ima članova foruma) a predavaju se do 20tog u tekućem mesecu.
6. Glasanje za predloge se odvija od 20tog do kraja tekućeg meseca, nakon čega predlog sa najviše glasova osvaja «titulu» Budž meseca.
7. Na kraju godine svi predlozi koji su osvojili «titulu» Budž meseca učestvuju u glasanju za Budž godine.
8. Za kolegu vlasnika predloga Budž godine predlažem da inspirativo smislimo neku simboličnu nagradu kao recimo (primer) pehar.
9. Predlog bi trebao da bude slikovit tj najbolje sama slika(naravno moze i vise slika a ne samo jedna ali u vezi tog istog predloga), uz objašnjenje kako, zašto i naravno mora da bude funkcionalan.
10. Predlozi moraju da budu iz oblasti elektronike. Znači bilo koja oblast shodno tome da ima i takav pod-forum na forumu.
11. Vreme kada je predlog nastao tj uradjen ( pre godinu, dve tri ....) je ne bitno, znači ako ste nešto napravili pre 5 godina i to uslikali , može, predložite ga ....
12. predlozi koji su bili ,mogu da se ponavljaju, ali to pravo ima samo autor predloga i ako odluci da ga predlozi ponovo za drugi mesec
13. Predlog koji osvoji "titulu" budz meseca, ne moze da se ponavlja
14. Tematski slicni budzevi mogu da se predlazu ali ne od istog autora. ako vidim pirateriju, secem

znaci fer - plej


U temama koje ću da otvaram za svaki mesec posebno, vas molim da se postuju SAMO predlozi i da se vrši glasanje. Svi ostali komentari, pitanja, sugestije itd bih vas molio da se pisu u temi ..... http://www.fanzo.org/forum/viewtopic.php?t=5634

Jer ću iste da izbrišem ako budu postovani u okviru tema za svaki mesec posebno. Na kraju svakog meseca tj po isteku glasanja, temu ću da zaključam i proglasim predlog koji je dobio najviše glasova, Budž-om meseca.

Nadam se da ćemo se lepo zabaviti i nasmejati domišljatim idejama kolega

Želim vam puno uspeha i sretno , drugovi
:mrgreen: :mrgreen: :mrgreen:
Kompletna ponuda rezervnih delova koja će biti veoma ažurirana u narednih dve ,dve i po godine :)
https://www.kupindo.com/Clan/chellawy/SpisakPredmeta

Avatar
SaleSk
___
___
Postovi: 656
Pridružen: 04 Nov 2006, 21:08
Location: Skopje
Warranty service: Siemens, Konica Minolta, Kodak, B Braun, Dade Behring, Johnson & Johnson, Drew, TerumoBCT
Kontakt:

Re: BUDZ>>Juna<<

Post napisao SaleSk » 08 Jun 2008, 10:43

Evo postavicu jedan "kulturan" budz koj sam radio pre neko vreme jer skoro nisam nesto :) ili i ako uradim,sklopim to i da ga moje oci ne gledaju :) ...
U pitanju je pojacalo Rotel koj je pregorevao cesto...i pored svega sto sam promenio sve je bilo dzabe...i na kraju sam resio da ubacim plocice koje sam izradio jos u srednju skolu iz knjige "Mala skola elektronike" a bile su u arhivi...Pojacalo je Ok i radi dobro :) .... mislim da ove 2N3055 nece skoro da crknu....
Prilog
1.jpg
2.jpg
3.jpg
4.jpg
5.jpg
Dusevni bolesnik nikada ne napada bez razloga. U tome se razlikuje od normalnih ljudi.

Avatar
filka
gx
gx
Postovi: 1988
Pridružen: 13 Avg 2006, 10:38
Location: Kavadarci Makedonija
Warranty service: Fuego Grundig LG Beko Samsung
Specialty: tv

Re: BUDZ>>Juna<<

Post napisao filka » 11 Jun 2008, 17:03

Montiranje itegralnog kola MSP3400D C5 52 pinski sa MSP3410D PP B4 64pinski
Prilog
MSP.jpg
-će izginemo ki Mančester

Avatar
alexa_pg
Site Admin
Site Admin
Postovi: 6122
Pridružen: 22 Avg 2006, 08:10
Location: Podgorica
Specialty: tv-multimedia

Re: BUDZ>>Juna<<

Post napisao alexa_pg » 16 Jun 2008, 23:50

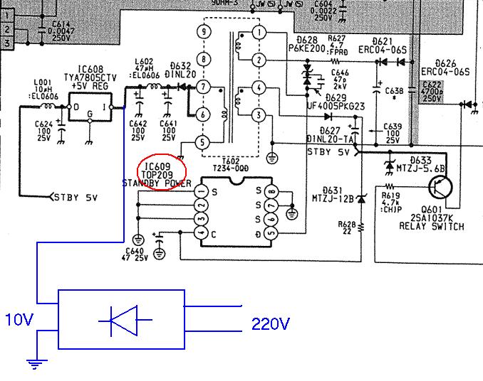
Odavno nije tako grmelo i sijevalo kao u subotu 14. juna. Gromovi su pucali na sve strane. Oko 19 casova zove me prijatelj da mu popravim Sony koji je crkao od grmljavine. Podjem kod njega da vidim ima li srece od aparata, kad za divno cudo pregorelo samo IC609 TOP209 za st. by. Kao i uvijek, Marfi je tu i kolo nemam. Vikend je i gdje pronaci kolo do ponedeljka. Zar kod komsije da se gledaju utakmice.
Sine mi ideja. Zasto ne bih ugradio privremeno obican ispravljac 10V i zavrsio posao. Tako je i bilo. Ugradim obican "pijacni" ispravljac i povezem kao na slici. Cak nista nisam ni skidao. Aparat proradio kao da mu nista nije bilo.
Mislim da ce sve ovo ovako i ostati. Kao u potpisu naseg kolege "privremena rešenja najduže traju"
Slika 1.jpg
Ispravljac samo ubacen u kutiju i povezan kao na sledecoj slici
Ispravljac.JPG
Slika k'o avion lolzi
Slika 2.JPG
Slika 2.JPG (25.64 KiB) Pregledano 3988 puta.
"I ja volim ljude ali ih sve manje podnosim"

Avatar
stojkePN
___
___
Postovi: 1594
Pridružen: 11 Feb 2007, 04:55
Location: Srbija-Paraćin

Re: BUDZ>>Juna<<

Post napisao stojkePN » 19 Jun 2008, 20:17

Cudo tehnike :lala: pojacalo bwt 250 n/p
Prilog
1213829680_DSC00204.JPG
Sto vise ucim sve vise vidim koliko neznam :plaz:

Avatar
chellawy
gx
gx
Postovi: 3186
Pridružen: 12 Avg 2006, 22:25
Location: Bačka Palanka
Contact person: SIX
Specialty: tv

Re: BUDZ>>Juna<<

Post napisao chellawy » 01 Jul 2008, 10:12

proglasavam Budz kolege filka za budz juna !!!
Kompletna ponuda rezervnih delova koja će biti veoma ažurirana u narednih dve ,dve i po godine :)
https://www.kupindo.com/Clan/chellawy/SpisakPredmeta

Zaključano

Natrag na “Majstorije”