ONYX TITANIUM 210 11AK37-11 problem sa geometrijom (Odustao)
Pravila foruma
Naslov teme treba da bude u formatu: PROIZVOĐAČ, MODEL, KRATAK OPIS KVARA
Nakon rešenog kvara zatvoriti temu >> >UPUTSTVO< u suprotnom ništa ne činiti.
HOME -- SERVISERI -- DALJINSKI -- RAZNA UPUTSTVA
Naslov teme treba da bude u formatu: PROIZVOĐAČ, MODEL, KRATAK OPIS KVARA
Nakon rešenog kvara zatvoriti temu >> >UPUTSTVO< u suprotnom ništa ne činiti.
HOME -- SERVISERI -- DALJINSKI -- RAZNA UPUTSTVA
- zilebukovac
- _

- Postovi: 25
- Pridružen: 27 Sep 2010, 10:22
- Location: Novi Sad
- Specialty: tv
ONYX TITANIUM 210 11AK37-11 problem sa geometrijom (Odustao)
FIRMA:ONYX
TITANIUM 210
CHASSIS(oznaka šasije):11AK37-11
PCB(oznake na štampanoj ploči):
MCU(procesor):ST92195C3B1/MSS a ispod piše VESTEL/T3X210
EEPROM:24C08
KVAR:NE PAMTI PODEŠAVANJA
OPIS KVARA:
Moj stariju kolega ima problem.Kada izvrsi podešavanja u servisnom modu i izađe iz istog sva podešavanja se gube, znači ništa ne zapamti.
Što se tiče merenja sve mi deluje u redu.Što se tiče DUMP-a nekoliko sam ih programirao i ništa. Neki lik iz Niša mi je slao navodno original isprogramirane za taj model opet ništa.Ubedjen sam da podešavanja ne trebaju da se posebno snime jer sam imo tv sa sličanim servisnim menijem pre nekoliko dana i taj je uspešno rešen (samo neka sitna podešavanja).
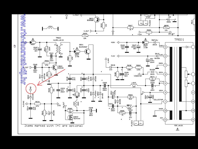
Raster je po vertikali sužen a po horizontali proširen( ne mogu da ocenim da li je jastucasto na krajevima jer je raster van limita ekrana) i kada u servisnom modu podešavam geometriju ne reaguje ni na kakve promene u podešavanju. Slike na ekranu nema jer je u SM-u tuner pogresno setovan. Procesor je zamenjen ali bez rezultata. Napajanje procesora 5V stabilno.
Da li je neko imao ovakav problem ili možda može da da neki savet?
TITANIUM 210
CHASSIS(oznaka šasije):11AK37-11
PCB(oznake na štampanoj ploči):
MCU(procesor):ST92195C3B1/MSS a ispod piše VESTEL/T3X210
EEPROM:24C08
KVAR:NE PAMTI PODEŠAVANJA
OPIS KVARA:
Moj stariju kolega ima problem.Kada izvrsi podešavanja u servisnom modu i izađe iz istog sva podešavanja se gube, znači ništa ne zapamti.
Što se tiče merenja sve mi deluje u redu.Što se tiče DUMP-a nekoliko sam ih programirao i ništa. Neki lik iz Niša mi je slao navodno original isprogramirane za taj model opet ništa.Ubedjen sam da podešavanja ne trebaju da se posebno snime jer sam imo tv sa sličanim servisnim menijem pre nekoliko dana i taj je uspešno rešen (samo neka sitna podešavanja).
Raster je po vertikali sužen a po horizontali proširen( ne mogu da ocenim da li je jastucasto na krajevima jer je raster van limita ekrana) i kada u servisnom modu podešavam geometriju ne reaguje ni na kakve promene u podešavanju. Slike na ekranu nema jer je u SM-u tuner pogresno setovan. Procesor je zamenjen ali bez rezultata. Napajanje procesora 5V stabilno.
Da li je neko imao ovakav problem ili možda može da da neki savet?
Zadnja izmena: zilebukovac, dana 30 Nov 2010, 12:44, ukupno menjano 3 puta.
- nec
- Site Admin

- Postovi: 4870
- Pridružen: 17 Okt 2007, 22:15
- Location: Makedonija, Strumica
- Phone number: 0038978425778
- Specialty: tv-multimedia
- Kontakt:
Re: ONYX TITANIUM210 11AK37-11 NE PAMTI PODEŠAVANJA
Pa onda ti je problem hardverske prirode
Kad zamenimo ideje svi imamo duplo vise ideja
- Stolle
- Preminuo
- Postovi: 19098
- Pridružen: 12 Avg 2006, 23:35
- Location: Srbija
- Specialty: tv-multimedia
- Lokacija: Dimitrovgrad
Re: ONYX TITANIUM210 11AK37-11 NE PAMTI PODEŠAVANJA
Probaj i ovaj dump. Diše li slika? Na AV imaš li sliku? Napajanje procesora, eeproma? SDA, SCL? STV2248?
- Prilog
-
ST92195C3B1MSS.rar- (406 bajtova) Preuzeto 190 puta.
"29 poslednjih dana u mesecu je najteže"
- zilebukovac
- _

- Postovi: 25
- Pridružen: 27 Sep 2010, 10:22
- Location: Novi Sad
- Specialty: tv
Re: ONYX TITANIUM210 11AK37-11 NE PAMTI PODEŠAVANJA
Napajanje procesora i eproma ima 5v. SCL,SDA ima 1v7. Napajanje vertikale 27v.
- nec
- Site Admin

- Postovi: 4870
- Pridružen: 17 Okt 2007, 22:15
- Location: Makedonija, Strumica
- Phone number: 0038978425778
- Specialty: tv-multimedia
- Kontakt:
Re: ONYX TITANIUM210 11AK37-11 NE PAMTI PODEŠAVANJA
Sa promenom eeprom-a (i dump-a), dali si dobivao nesto drugacije ili je sve isto (milsim oko podesavanja i ostalo)
Kad zamenimo ideje svi imamo duplo vise ideja
- miodrag popovic
- gx

- Postovi: 3307
- Pridružen: 08 Nov 2006, 21:08
- Location: Srbija
- Phone number: 00381638773821
- Specialty: tv
- Lokacija: Pančevo Braće Jovanović 56
Re: ONYX TITANIUM210 11AK37-11 NE PAMTI PODEŠAVANJA
Otkaci sa magistrale sve nepotrebno,tjuner,procesor za zvuk...pa probaj
Bilo je i većih problema pa ih nismo rešili
- Majstor Duja
- Neaktivan
- Postovi: 3136
- Pridružen: 23 Avg 2006, 17:29
- Location: Novi Sad - centar
- Warranty service: http://www.elektrocentar.com
- Contact person: Goran Duic
- Specialty: tv-multimedia
Re: ONYX TITANIUM210 11AK37-11 NE PAMTI PODEŠAVANJA
@zilebukovac:
Gledam ovu temu i razmisljam da li da je prebacim u hobby ili da je zakljucam? Zasto?
Zatim prekontrolisi koliki je napon na OW kalemu i da li je tranzistor sto ga kontrolise ispravan. Geometriju mozes dovesti u dobro stanje i bez SM, mehanickim putem...
Gledam ovu temu i razmisljam da li da je prebacim u hobby ili da je zakljucam? Zasto?
- U prvom postu si napisao da tv NE PAMTI PODESAVANJA sto ce 99% clanova foruma shvatiti kako ti u stvari mozes da nastelujes geometriju u service modu ali nakon gasenja uredjaja, parametri ne ostanu memorisani tj. opet se razdesi geometrija, medjutim u predhodnom postu kazes da ne mozes uopste da nastelujes geometriju tj. da regulacija iz SM-a ne radi, sto nema veze sa prvom konstatacijom. To je mimo pravilnika.
- Po ovome ni naslov teme ne odgovara.
- Dalje u temi kolege te lepo upucuju da hardverski nesto ne valja jer servisna podesavanja se ne desavaju direktno iz procesora nego postoje jos neki filteri u horizontalnom i vertikalnom izlazu a ti ih nisi ni udostojio ni odgovora nego tupis po svome sto se opet kosi sa pravilnikom...
- Trazis da ti neko objasni princip rada TV uredjaja i njegovog sklopa za kontrolu geometrije - sto su osnove i opet se kosi sa pravilnikom.
Kolega ti je napisao:zilebukovac je napisao:SCL,SDA ima 1v7...
sa dobrim razlogom jer su ti naponi SCL i SDA niski (pogledaj osciloskopom da li ima podataka na SCL,SDA liniji ili su zakucani na 1,7VDC?miodrag popovic je napisao:Otkaci sa magistrale sve nepotrebno,tjuner,procesor za zvuk...pa probaj
Zatim prekontrolisi koliki je napon na OW kalemu i da li je tranzistor sto ga kontrolise ispravan. Geometriju mozes dovesti u dobro stanje i bez SM, mehanickim putem...
Rule #1 "Always stand for what you believe, even if it means standing alone."
- zilebukovac
- _

- Postovi: 25
- Pridružen: 27 Sep 2010, 10:22
- Location: Novi Sad
- Specialty: tv
Re: ONYX TITANIUM210 11AK37-11 NE PAMTI PODEŠAVANJA
Sa magistrale sve nepotrebno otkačeno a SCL i SDA naponi i dalje 1.7V.miodrag popovic je napisao:Otkaci sa magistrale sve nepotrebno,tjuner,procesor za zvuk...pa probaj
Mereno sa osciloskopom i ima podataka na tim linijama.
Napon za OW je dobar.Tranzistor vađen,meren i on je dobar.Majstor Duja je napisao:Zatim prekontrolisi koliki je napon na OW kalemu i da li je tranzistor sto ga kontrolise ispravan.
- Majstor Duja
- Neaktivan
- Postovi: 3136
- Pridružen: 23 Avg 2006, 17:29
- Location: Novi Sad - centar
- Warranty service: http://www.elektrocentar.com
- Contact person: Goran Duic
- Specialty: tv-multimedia
Re: ONYX TITANIUM 210 11AK37-11 problem sa geometrijom
...onda propratis vezu sa baze/gejta tog OW tranzistora dokle ide i da li zavrsava direktno na procesoru. Prekotrolises taj pin (meris na njemu, uglavnom se ponasa kao PWM) ako prilikom regulacije u SM nema odziva sa procesora - onda je procesor neispravan.
Ista stvar je sa Vertical_out, na samom chipu za vertikalu sirinu otklona regulises sa DC naponom na komparatoru (ako pogledas datasheet videces da svaki Vert. chip ima komp. na ulazu) na jedan pin mu se dovodi Vert. signal sa procesora a drugi pin je sirina (verovatno opet PWM sa procesora) i obicno iznosi oko 2Vdc...ako se i taj kontrolni pin na procesoru ne menja - opet je procesor u pitanju. To sto je I2C magistrala zauzeta (niski naponi) opet moze da znaci da je procesor pobrljavio i salje neke bezveze zahteve i da ostale periferije ne tumace taj format kako treba (obicno je SCL 2,3-2,6V mereno digitalcem dok je clock prisutan na pinu)...
O samom procesoru i nacinu rada mozes saznati vise sa ovog link-a:
...jedno banalno pitanje: da li prebacivanje kanala i search rade kako treba?
Ista stvar je sa Vertical_out, na samom chipu za vertikalu sirinu otklona regulises sa DC naponom na komparatoru (ako pogledas datasheet videces da svaki Vert. chip ima komp. na ulazu) na jedan pin mu se dovodi Vert. signal sa procesora a drugi pin je sirina (verovatno opet PWM sa procesora) i obicno iznosi oko 2Vdc...ako se i taj kontrolni pin na procesoru ne menja - opet je procesor u pitanju. To sto je I2C magistrala zauzeta (niski naponi) opet moze da znaci da je procesor pobrljavio i salje neke bezveze zahteve i da ostale periferije ne tumace taj format kako treba (obicno je SCL 2,3-2,6V mereno digitalcem dok je clock prisutan na pinu)...
O samom procesoru i nacinu rada mozes saznati vise sa ovog link-a:
Kod: Označi sve
http://pdf1.alldatasheet.com/datasheet-pdf/view/120450/STMICROELECTRONICS/ST92195C3B1.html Rule #1 "Always stand for what you believe, even if it means standing alone."
- zilebukovac
- _

- Postovi: 25
- Pridružen: 27 Sep 2010, 10:22
- Location: Novi Sad
- Specialty: tv
Re: ONYX TITANIUM 210 11AK37-11 problem sa geometrijom
Prebacivanje kanala radi dobro, a search traži kanale redovno ali nenađe ništa zato što sam menjao dumd pa sada nemogu da ispodešavam tjuner u SM. Ali mislim da i on radi dobro kada se ispodešava.
Zadnja izmena: Majstor Duja, dana 09 Nov 2010, 16:35, ukupno menjano 1 put.
Razlog: Nemoj citirati poslednji post prilikom odgovaranja
Razlog: Nemoj citirati poslednji post prilikom odgovaranja
- cacko85
- gx

- Postovi: 1752
- Pridružen: 03 Dec 2008, 17:51
- Location: Macedonia
- Contact person: Slavche
- Specialty: tv-multimedia
- Lokacija: Sveti Nikole
- Kontakt:
Re: ONYX TITANIUM 210 11AK37-11 problem sa geometrijom
Otkaci magistrale od STV... i meri napon.
www.facebook.com/slavceelectronics
- Majstor Duja
- Neaktivan
- Postovi: 3136
- Pridružen: 23 Avg 2006, 17:29
- Location: Novi Sad - centar
- Warranty service: http://www.elektrocentar.com
- Contact person: Goran Duic
- Specialty: tv-multimedia
Re: ONYX TITANIUM210 11AK37-11 NE PAMTI PODEŠAVANJA
@Cacko85:
zilebukovac je napisao: Sa magistrale sve nepotrebno otkačeno a SCL i SDA naponi i dalje 1.7V
Rule #1 "Always stand for what you believe, even if it means standing alone."
- DSsasa
- _

- Postovi: 192
- Pridružen: 24 Okt 2008, 06:24
- Location: Pirot, Srbija
- Contact person: Sasa
- Specialty: tv-multimedia
Re: ONYX TITANIUM 210 11AK37-11 problem sa geometrijom
Iz svega ovde napisanog da se zaključiti da ti je problem kao što kolega @nec napisao hardverske prirode, O/W ti ne radi korektno i to najverovatnije zbog nekog bloka u kolu, kažeš da si tranzistor vadio i merio, ne vraćaj ga već GA MENJAJ i prekontroliši obavezno blok kondenzatore u O/W kolu (najbolje je menjati ih nema ih puno).
Ne zaboravimo da, ne uspemo li u svemu što želimo, ponekad je baš to srećan pogodak.
- Majstor Duja
- Neaktivan
- Postovi: 3136
- Pridružen: 23 Avg 2006, 17:29
- Location: Novi Sad - centar
- Warranty service: http://www.elektrocentar.com
- Contact person: Goran Duic
- Specialty: tv-multimedia
Re: ONYX TITANIUM 210 11AK37-11 problem sa geometrijom
@DSsasa: nemoguce je da je crklo i OW i vertikala u isto vreme...
Rule #1 "Always stand for what you believe, even if it means standing alone."
- cacko85
- gx

- Postovi: 1752
- Pridružen: 03 Dec 2008, 17:51
- Location: Macedonia
- Contact person: Slavche
- Specialty: tv-multimedia
- Lokacija: Sveti Nikole
- Kontakt:
Re: ONYX TITANIUM210 11AK37-11 NE PAMTI PODEŠAVANJA
Ni je naveo shta tacno je otkacio, i zavisi shta on podrazumeva pod nepotrebnoMajstor Duja je napisao:@Cacko85:zilebukovac je napisao: Sa magistrale sve nepotrebno otkačeno a SCL i SDA naponi i dalje 1.7V
www.facebook.com/slavceelectronics
- DSsasa
- _

- Postovi: 192
- Pridružen: 24 Okt 2008, 06:24
- Location: Pirot, Srbija
- Contact person: Sasa
- Specialty: tv-multimedia
Re: ONYX TITANIUM 210 11AK37-11 problem sa geometrijom
Dujo, oprosti, na osnovu opisanog kvara gde kaže da je slika po vertikali sužena a po horizontali razvučena nisam razumeo da je stradala vertikala jer kaže "sužena" pa sam mu na osnovu toga i predložio da pregleda O/W stepen jer se i meni dešavalo da kada raster korekcija ne radi korektno slika na ekranu izgleda sužena, deformisana. Čini mi se da je rekao da je napajanje procesora u redu (5V) a šta je sa naponom od 8V ? Njega i ne pominje.Majstor Duja je napisao:@DSsasa: nemoguce je da je crklo i OW i vertikala u isto vreme...
Ne zaboravimo da, ne uspemo li u svemu što želimo, ponekad je baš to srećan pogodak.
- zilebukovac
- _

- Postovi: 25
- Pridružen: 27 Sep 2010, 10:22
- Location: Novi Sad
- Specialty: tv
Re: ONYX TITANIUM210 11AK37-11 NE PAMTI PODEŠAVANJA
Lako je vama da se sprdate samnomcacko85 je napisao:Ni je naveo shta tacno je otkacio, i zavisi shta on podrazumeva pod nepotrebno
Prvo sam otkačio tjuner,bandove,audio, a posle toga sam sve zivo probao.Naravno sem napona,SCL i SDA.Taj TV mi je u radionici već pola godine.Već se jednom ladio pa sam ga sada stavio ponovo na sto.Izludeo me.Mislim da će ići ponovo u ćošak.
- zilebukovac
- _

- Postovi: 25
- Pridružen: 27 Sep 2010, 10:22
- Location: Novi Sad
- Specialty: tv
Re: ONYX TITANIUM 210 11AK37-11 problem sa geometrijom
Nigde se ni u šemi ne spominje napon od 8V. Svi su 5V.DSsasa je napisao: Čini mi se da je rekao da je napajanje procesora u redu (5V) a šta je sa naponom od 8V ? Njega i ne pominje.
- zilebukovac
- _

- Postovi: 25
- Pridružen: 27 Sep 2010, 10:22
- Location: Novi Sad
- Specialty: tv
Re: ONYX TITANIUM 210 11AK37-11 problem sa geometrijom
Izvinjavam se moja greška.Oslonio sam se na štampanu verziju pa se malo slabije vidi.
Ima i tih 8V.I to je u redu.
Ima i tih 8V.I to je u redu.
-
- Slične teme
- Odgovori
- Pregledano
- Zadnji post
-
-
TV ONYX Chassis 11AK45B5 - Nema slika (RESENO)
napisao majstorr » 23 Nov 2008, 22:46 » u Servisiranje CRT Televizora - 7 Odgovori
- 1677 Pregledano
-
Zadnji post napisao majstorr
28 Nov 2008, 18:41
-
-
- 11 Odgovori
- 2403 Pregledano
-
Zadnji post napisao borce
09 Sep 2009, 16:35
-
-
AKAI 11AK37 - PROBLEM SA VERTIKALOM
napisao pecy » 19 Nov 2010, 10:26 » u Servisiranje CRT Televizora - 13 Odgovori
- 2307 Pregledano
-
Zadnji post napisao pecy
23 Nov 2010, 10:01
-
-
- 4 Odgovori
- 1193 Pregledano
-
Zadnji post napisao Zlatkovic
02 Mar 2012, 05:10
-
-
Gorenje 11AK37, problem sa FBT-om - REŠENO
napisao Arseniye » 25 Okt 2014, 19:36 » u Servisiranje CRT Televizora - 4 Odgovori
- 2182 Pregledano
-
Zadnji post napisao Arseniye
30 Okt 2014, 18:52
-
-
-
TV GORENJE Chassis 11AK37-13 - Nece da upali (RESENO)
napisao staka » 11 Feb 2008, 23:05 » u Servisiranje CRT Televizora - 10 Odgovori
- 3218 Pregledano
-
Zadnji post napisao staka
27 Feb 2008, 10:01
-
-
- 18 Odgovori
- 3605 Pregledano
-
Zadnji post napisao cacko85
24 Avg 2009, 19:29
-
-
Tv Quadro CTV7230TX 11AK37-11 mreza [reseno]
napisao djole-79 » 07 Dec 2011, 22:17 » u Servisiranje CRT Televizora - 19 Odgovori
- 4107 Pregledano
-
Zadnji post napisao Majstor Duja
15 Dec 2011, 12:25
-
