ŠEME INSTRUMENATA
Urednik: alexa_pg
- fanzo
- Site Admin

- Postovi: 16038
- Pridružen: 02 Avg 2006, 06:41
- Location: Bački Petrovac, Srbija
- Phone number: 0038121781575
- Specialty: tv-multimedia
- Lokacija: Bački Petrovac
ŠEME INSTRUMENATA
U prilogu su šeme 12 digitalnih instrumenata. Instrumenti su jeftinije proizvodnje i sa čipovima ICL7106 , ICL7126
M93; M93A
M266C; M266F
M300
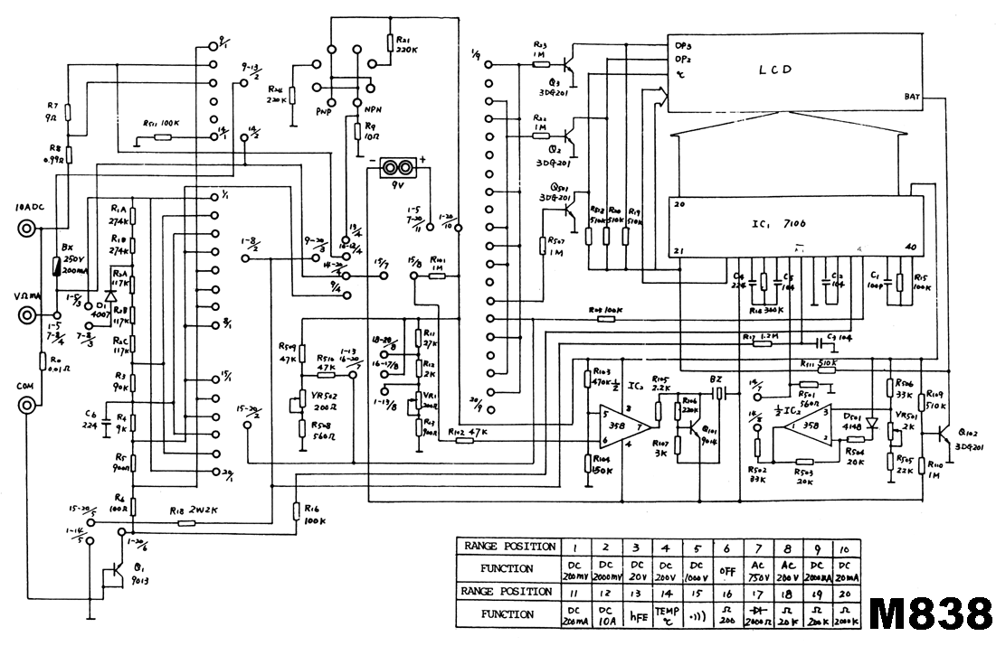
M830B
M890F; M890G
M3900
M9502
MY61
MY64
**********************************************************************************************
Ispod su linkovi sa našeg foruma prema temama sa šemama instrumenata
MA2027 viewtopic.php?p=126148#p126148
UNIMER 1 viewtopic.php?p=12636#p12636
UNIMER 3 viewtopic.php?p=12577#p12577
UNIMER 4 viewtopic.php?p=63985#p63985
UNIMER 31 viewtopic.php?p=12640#p12640
UNIMER 33 viewtopic.php?p=12575#p12575
UNIMER 35 viewtopic.php?p=12600#p12600
DIGIMER MI7030 viewtopic.php?p=12642#p12642
MI7042 viewtopic.php?p=12638#p12638
MI7043 viewtopic.php?p=12639#p12639
MI7045 = UNIMER 45 viewtopic.php?p=12563#p12563
M93; M93A
M266C; M266F
M300
M830B
M890F; M890G
M3900
M9502
MY61
MY64
**********************************************************************************************
Ispod su linkovi sa našeg foruma prema temama sa šemama instrumenata
MA2027 viewtopic.php?p=126148#p126148
UNIMER 1 viewtopic.php?p=12636#p12636
UNIMER 3 viewtopic.php?p=12577#p12577
UNIMER 4 viewtopic.php?p=63985#p63985
UNIMER 31 viewtopic.php?p=12640#p12640
UNIMER 33 viewtopic.php?p=12575#p12575
UNIMER 35 viewtopic.php?p=12600#p12600
DIGIMER MI7030 viewtopic.php?p=12642#p12642
MI7042 viewtopic.php?p=12638#p12638
MI7043 viewtopic.php?p=12639#p12639
MI7045 = UNIMER 45 viewtopic.php?p=12563#p12563
- Prilog
-
Seme instrumenata.rar- (1.44 MiB) Preuzeto 1051 put.
Svakodnevno usavršavanje je bolje od zakasnelog savršenstva
- Stolle
- Preminuo
- Postovi: 19098
- Pridružen: 12 Avg 2006, 23:35
- Location: Srbija
- Specialty: tv-multimedia
- Lokacija: Dimitrovgrad
Re: ŠEME INSTRUMENATA - digitalci
SM Metex M3830 M3850
- Prilog
-
metex m3830 m3850.pdf- (3.98 MiB) Preuzeto 2049 puta.
"29 poslednjih dana u mesecu je najteže"
- Stolle
- Preminuo
- Postovi: 19098
- Pridružen: 12 Avg 2006, 23:35
- Location: Srbija
- Specialty: tv-multimedia
- Lokacija: Dimitrovgrad
Re: ŠEME INSTRUMENATA - digitalci
SM Metex M3610D M3650D
- Prilog
-
Metex M3610D-3650D.pdf- (2.25 MiB) Preuzeto 1282 puta.
"29 poslednjih dana u mesecu je najteže"
- Stolle
- Preminuo
- Postovi: 19098
- Pridružen: 12 Avg 2006, 23:35
- Location: Srbija
- Specialty: tv-multimedia
- Lokacija: Dimitrovgrad
Re: ŠEME INSTRUMENATA - digitalci
VOLTCRAFT VC920 VC960
VOLTCRAFT VC820
METEX M4650
M4650 dodatak, 2 posta ispod >> http://fanzo.org/forum/viewtopic.php?p=153182#p153182
"29 poslednjih dana u mesecu je najteže"
- Stolle
- Preminuo
- Postovi: 19098
- Pridružen: 12 Avg 2006, 23:35
- Location: Srbija
- Specialty: tv-multimedia
- Lokacija: Dimitrovgrad
Re: ŠEME INSTRUMENATA - digitalci
M890C+
M890D
M890D
- Prilog
-
M890C+ M890D.rar- (190.76 KiB) Preuzeto 610 puta.
"29 poslednjih dana u mesecu je najteže"
- Stolle
- Preminuo
- Postovi: 19098
- Pridružen: 12 Avg 2006, 23:35
- Location: Srbija
- Specialty: tv-multimedia
- Lokacija: Dimitrovgrad
Re: ŠEME INSTRUMENATA
MASTECH MY6013A Digital Capacitance Meter
- Prilog
-
mastech_my6013a.rar- (103.2 KiB) Preuzeto 662 puta.
"29 poslednjih dana u mesecu je najteže"
Re: ŠEME INSTRUMENATA
Evo jos nekih dodataka/sema za Voltcraft/Metex M4650
- Prilog
-
VOLTCRAFT M 4650 CR.rar- (772.43 KiB) Preuzeto 590 puta.
Re: ŠEME INSTRUMENATA
FLUKE 123
- Prilog
-
FLUKE 123 industrial scopemeter sm.pdf- (5.26 MiB) Preuzeto 619 puta.
TOCE
Re: ŠEME INSTRUMENATA
FLUKE 88
- Prilog
-
Fluke 88 Automotive meter sm.pdf- (1.12 MiB) Preuzeto 812 puta.
TOCE
Re: ŠEME INSTRUMENATA
Evoj jos jedan FLUKE 407D od starije generacije mozda ce nekome zatrebati.
- Prilog
-
FLUKE_407D_(Vintage)Service-Manual.pdf- (4.92 MiB) Preuzeto 750 puta.
TOCE
- Stolle
- Preminuo
- Postovi: 19098
- Pridružen: 12 Avg 2006, 23:35
- Location: Srbija
- Specialty: tv-multimedia
- Lokacija: Dimitrovgrad
Re: ŠEME INSTRUMENATA
MY68
- Prilog
-
my68-multimeter-schematic.pdf- (173.25 KiB) Preuzeto 635 puta.
"29 poslednjih dana u mesecu je najteže"
- Stolle
- Preminuo
- Postovi: 19098
- Pridružen: 12 Avg 2006, 23:35
- Location: Srbija
- Specialty: tv-multimedia
- Lokacija: Dimitrovgrad
Re: ŠEME INSTRUMENATA
SIEMENS B1002
[ Ei D1216 ]
[ Ei D1216 ]
- Prilog
-
Siemens B1002.rar- (608.33 KiB) Preuzeto 445 puta.
"29 poslednjih dana u mesecu je najteže"
- Stolle
- Preminuo
- Postovi: 19098
- Pridružen: 12 Avg 2006, 23:35
- Location: Srbija
- Specialty: tv-multimedia
- Lokacija: Dimitrovgrad
Re: ŠEME INSTRUMENATA
VOLTRCRAFT GDM704
- Prilog
-
VOLTCRAFT GDM704.pdf- (271.59 KiB) Preuzeto 470 puta.
"29 poslednjih dana u mesecu je najteže"
- Stolle
- Preminuo
- Postovi: 19098
- Pridružen: 12 Avg 2006, 23:35
- Location: Srbija
- Specialty: tv-multimedia
- Lokacija: Dimitrovgrad
Re: ŠEME INSTRUMENATA
UNIMER 2 ISKRA
UNIGOR 3P METRAWATT
UNIGOR 3P METRAWATT
- Prilog
-
METRAWATT UNIGOR 3P ISKRA UNIMER 2.pdf- (1.13 MiB) Preuzeto 546 puta.
"29 poslednjih dana u mesecu je najteže"
Re: ŠEME INSTRUMENATA
Yu Fong Taipei Analog Multimeter YF-250
- Prilog
-
schematic.pdf- (87.28 KiB) Preuzeto 204 puta.


