ESR METAR - MAKEDONAC
Urednik: alexa_pg
- dzafer
- gx

- Postovi: 2520
- Pridružen: 21 Sep 2006, 13:13
- Location: BIH SARAJEVO-ILIDŽA
- Specialty: tv-multimedia
Mada je tema zavrsena ali evo ja cu uzeti sebi za pravo da napisem jos par rijeci o esr-metru pre svega zahvalio bi se gospodinu Proki na ovom istrumentu napravio je pravu stvar
mada jos nisam stigao u potpunosti da izvrsim sva mjerenja sa njim ali ovo sto sam dosad probao stvarno je ok :lol: :lol: nemogu a da nekazem da sam bio malo sumnjicav kad sam ga dobio mala kutija (dosta manja od pakla cigara) a obavlja tolike radnje
e kad sam malo bolje pogledao i procitao ono upustvo onda mi je bilo jasno da je to sto sam i porucio

džale
Bez alata nema zanata, a bez znanja ni najbolji alat neće pomoći.
Bez alata nema zanata, a bez znanja ni najbolji alat neće pomoći.
Izvinite sto otvaram staru temu ponovo koja je zatvorena :lol:
Da li neko ima nacrt plocice ovog istrumenta
download.php?id=2033
Da li neko ima nacrt plocice ovog istrumenta
download.php?id=2033
- Prilog
-
- pict0003_200.jpg (93.2 KiB) Pregledano 3394 puta.
Sto vise ucim sve vise vidim koliko neznam :plaz:
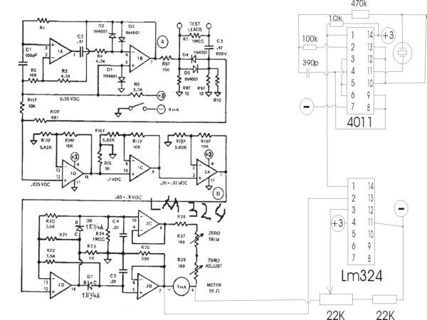
Posto sam i ja sam napravio pre visse godina ovaj istrument i jako sam sa njim zadovoljan evo pokussat ccu ostaviti PCB ovih plocica u originalnom Tango zapisu ove plocice sam licno ja crtao tako da ih poklanjam ovdje serviserima koji zele da ga naprave .Pravio sam jos mnoge ali ni sa jednom drugom koncepcijom nisam bio toliko zadovoljan u radu i osjetio toliku udobnost u radu kao sa ovom koncepcijom . Jednostavno sprava radi ko sami djavo.stojkePN je napisao:Izvinite sto otvaram staru temu ponovo koja je zatvorena :lol:
Da li neko ima nacrt plocice ovog istrumenta
download.php?id=2033
Sutra mozda slikam gotov uredjaj koji je napravljen pre pet ssest godina
e da sad sam bas pogledao datume kada su nacrtani ovi fajlovi 19.04.2002 godine srdacan pozdrav za sve i mnogo srece u izgradnji ovog istrumenta koji vredi jako jako mnogo
Mane
- Prilog
-
esr_makedonac.zip- esr metar
- (8.06 KiB) Preuzeto 273 puta.
- kisko
- Preminuo
- Postovi: 2054
- Pridružen: 12 Jun 2007, 01:51
- Location: Kovilj-na kraj sveta
- Specialty: tv-multimedia
- Lokacija: Kovilj-Novi sad
evo jednog mališe za kapacitet http://www.radiolocman.com/shem/schemat ... 3/30/2.jpg[/img]
uvek ima nesto interesantno
- miodrag popovic
- gx

- Postovi: 3307
- Pridružen: 08 Nov 2006, 21:08
- Location: Srbija
- Phone number: 00381638773821
- Specialty: tv
- Lokacija: Pančevo Braće Jovanović 56
evo jos dodatak koji sam napravio na moj ESR metar,nerviralo me sto stalno trebam imati u vidnom polju ESR,a navikao sam se na unimeru kad ispitivam otpore na zujalicu,pa reko... da dodam i na ESR,dodatak se kaci na instrument pa je univerzalan,moze da se koristi na svaki ESR sa kazaljkom
na trimer se moze podesiti po volji,a ja sam podesio sam na 2oma zujanje pa kad je elco veceg unutrasnjeg otpora ne svira
a,da ovaj dodatak vuce samo 1mA
na trimer se moze podesiti po volji,a ja sam podesio sam na 2oma zujanje pa kad je elco veceg unutrasnjeg otpora ne svira
a,da ovaj dodatak vuce samo 1mA
- Prilog
-
- ESR NAS DOPUNJENO M.jpg (128.44 KiB) Pregledano 3228 puta.
- fanzo
- Site Admin

- Postovi: 16037
- Pridružen: 02 Avg 2006, 06:41
- Location: Bački Petrovac, Srbija
- Phone number: 0038121781575
- Specialty: tv-multimedia
- Lokacija: Bački Petrovac
Re: esr metar ( zavrseno )
ESR instrument koji Aswo prodaje ESR1 ESR-MESSGERÄT 7667953
Slika instrumenta + prilog šema instrumenta. cena u aswo je oko 100€
Slika instrumenta + prilog šema instrumenta. cena u aswo je oko 100€
- Prilog
-
7667953 aswo Merac kapaciteta.rar- (611.13 KiB) Preuzeto 125 puta.
Svakodnevno usavršavanje je bolje od zakasnelog savršenstva
- fanzo
- Site Admin

- Postovi: 16037
- Pridružen: 02 Avg 2006, 06:41
- Location: Bački Petrovac, Srbija
- Phone number: 0038121781575
- Specialty: tv-multimedia
- Lokacija: Bački Petrovac
Re: esr metar ( zavrseno )
još jedan...P3710 R/C STIFTMESSGERÄT FÜR SMD VONPEAKTECH
5425727 SMD RCD meter aswo 5425727 , cena oko 30€
Autorange otpor, kapacitet i diode
SLIKA
KRATKE SPECIFIKACIJE
+ PRILOG SA DETALJNOM SPECIFIKACIJOM
5425727 SMD RCD meter aswo 5425727 , cena oko 30€
Autorange otpor, kapacitet i diode
SLIKA
KRATKE SPECIFIKACIJE
+ PRILOG SA DETALJNOM SPECIFIKACIJOM
- Prilog
-
- 5425727 SMD RCD meter aswo 5425727.jpg (24.55 KiB) Pregledano 3602 puta.
-
specifikacije P3710 sdm meter.rar- (168.22 KiB) Preuzeto 83 puta.
-
- specifikacije P3710 sdm meter.jpg (26.5 KiB) Pregledano 3158 puta.
Svakodnevno usavršavanje je bolje od zakasnelog savršenstva
- kisko
- Preminuo
- Postovi: 2054
- Pridružen: 12 Jun 2007, 01:51
- Location: Kovilj-na kraj sveta
- Specialty: tv-multimedia
- Lokacija: Kovilj-Novi sad
Re: ESR METAR
Ovaj što ja imam dobar je,ustvari super za merenja od 1uF pa naviše bez skidanja sa štampe mada i onaj sa elektronika.ba odradi dosta toga A ovaj mali plavi mi odma zapao za oko ,ubio se izgleda za one "male plave blokove"
oko tjunera,procesora i ostalog 
uvek ima nesto interesantno
- Stolle
- Preminuo
- Postovi: 19098
- Pridružen: 12 Avg 2006, 23:35
- Location: Srbija
- Specialty: tv-multimedia
- Lokacija: Dimitrovgrad
Re: ESR METAR
...a i SMD otpornike.
Sad sam zvao i naručio.Oko 2500 din,jedino što se čeka,nemaju na lageru.
Sad sam zvao i naručio.Oko 2500 din,jedino što se čeka,nemaju na lageru.
"29 poslednjih dana u mesecu je najteže"
- krllebg
- ___

- Postovi: 1719
- Pridružen: 27 Avg 2006, 19:45
- Location: Beograd
- Warranty service: DeGermany
- Specialty: tv
- Lokacija: Beograd
- Kontakt:
Re: ESR METAR
Zanimljiva spravica ! I ja narucih jedan,treba ce iako imam dva instrumenta sa kojim radim.
... Here lies a man whom is little known !!!
- fanzo
- Site Admin

- Postovi: 16037
- Pridružen: 02 Avg 2006, 06:41
- Location: Bački Petrovac, Srbija
- Phone number: 0038121781575
- Specialty: tv-multimedia
- Lokacija: Bački Petrovac
Re: ESR METAR
Šta ste naručili ? ..obojica !
Svakodnevno usavršavanje je bolje od zakasnelog savršenstva
- Stolle
- Preminuo
- Postovi: 19098
- Pridružen: 12 Avg 2006, 23:35
- Location: Srbija
- Specialty: tv-multimedia
- Lokacija: Dimitrovgrad
Re: ESR METAR
Da.A evo ga i ovaj iz Conrad-a.Negde sam pre postavio,ali ne mogu da ga nađem.
"29 poslednjih dana u mesecu je najteže"
- fanzo
- Site Admin

- Postovi: 16037
- Pridružen: 02 Avg 2006, 06:41
- Location: Bački Petrovac, Srbija
- Phone number: 0038121781575
- Specialty: tv-multimedia
- Lokacija: Bački Petrovac
Re: ESR METAR
i???..šta si naručio..ne reče..ako si to naručio iz Aswa
..pomisliće...koji im je quarc ..šta su navalili na ove testere ko mutavi ...daj da povećamo cenu 
Svakodnevno usavršavanje je bolje od zakasnelog savršenstva
- Stolle
- Preminuo
- Postovi: 19098
- Pridružen: 12 Avg 2006, 23:35
- Location: Srbija
- Specialty: tv-multimedia
- Lokacija: Dimitrovgrad
Re: ESR METAR
"29 poslednjih dana u mesecu je najteže"
- krllebg
- ___

- Postovi: 1719
- Pridružen: 27 Avg 2006, 19:45
- Location: Beograd
- Warranty service: DeGermany
- Specialty: tv
- Lokacija: Beograd
- Kontakt:
Re: ESR METAR
Oni ? Pa oni nemaju ni elektrolita vise od 5 kom u radnji !!! Neboj se,nista se tu nece menjati.fanzo je napisao:i???..šta si naručio..ne reče..ako si to naručio iz Aswa![]()
..pomisliće...koji im je quarc ..šta su navalili na ove testere ko mutavi ...daj da povećamo cenu
... Here lies a man whom is little known !!!
- krllebg
- ___

- Postovi: 1719
- Pridružen: 27 Avg 2006, 19:45
- Location: Beograd
- Warranty service: DeGermany
- Specialty: tv
- Lokacija: Beograd
- Kontakt:
Re: ESR METAR
E stvarnooo ... nisam hteo nista da kazem,ali vidim da nisam jedini baksuz:i mene su juce zvali,izvinjavaju se,nije njihova krivica ... nemozeee.
Ajde rekoh,nije vazno imam sa cime da radim,ali sad vidim da i tebe Stolle otkacise.E sad vec cena moze znacajno da skoci.Uopste me nebi iznenadilo !!!
Ajde rekoh,nije vazno imam sa cime da radim,ali sad vidim da i tebe Stolle otkacise.E sad vec cena moze znacajno da skoci.Uopste me nebi iznenadilo !!!
... Here lies a man whom is little known !!!
Re: ESR METAR
ma to im zoki reko nedaj njima
jbg bas sa i ja nesto racuno da vidim kako kod vas radi 
proradijo mi net zahvaljujuci fanzi
-
- Slične teme
- Odgovori
- Pregledano
- Zadnji post
-
- 13 Odgovori
- 7161 Pregledano
-
Zadnji post napisao torentino
20 Mar 2020, 19:19
-
- 8 Odgovori
- 3786 Pregledano
-
Zadnji post napisao krllebg
13 Jan 2011, 12:51
-
- 16 Odgovori
- 9735 Pregledano
-
Zadnji post napisao mladen82
01 Jul 2015, 08:24
-
- 5 Odgovori
- 2787 Pregledano
-
Zadnji post napisao branimir
24 svi 2023, 19:01
-
- 96 Odgovori
- 50763 Pregledano
-
Zadnji post napisao kenanh
19 Dec 2016, 20:44
-
- 17 Odgovori
- 6324 Pregledano
-
Zadnji post napisao alexa_pg
27 svi 2021, 11:10
-
- 3 Odgovori
- 2441 Pregledano
-
Zadnji post napisao Sapun
26 Okt 2008, 16:56
-
- 28 Odgovori
- 6238 Pregledano
-
Zadnji post napisao tonimk
08 svi 2012, 20:58

