ROHS 50W 12V 4A LED Driver (S-50-12)
oznaka na kucistu S-50-12
oznaka na ploci S-50GD-R1
proizvodjac TIANHENG
Da neko nema semu ili ima slucajno ovaj ispravljac
ako moze da posalje semu ili pogleda u njegovom ispravljacu oznake ovih delova
posto su kod mene izgoreli pa ne mogu da procitam oznake
ovo je najbolja slika koju sam mogao pronaci po netu
zaokruzeno je na slici
Q1
Q2
R8
J1
hvala unapred
ROHS 50W 12V4a LED Driver (S-50-12) potrebna sema RESENO
Urednik: alexa_pg
Pravila foruma
Praktikujemo da na kraju opišemo kako smo rešili problem. Zatim zatvorimo temu >UPUTSTVO<
Praktikujemo da na kraju opišemo kako smo rešili problem. Zatim zatvorimo temu >UPUTSTVO<
- kefaja
- _

- Postovi: 45
- Pridružen: 24 Jan 2007, 18:09
- Location: Crna Gora Niksic
- Contact person: Pedja
- Lokacija: Niksic
ROHS 50W 12V4a LED Driver (S-50-12) potrebna sema RESENO
Zadnja izmena: kefaja, dana 07 Feb 2013, 00:46, ukupno menjano 6 puta.
Sine knjige su pisane za glupe ljude UZMI KNJIGU I PROCITAJ
- Majstor Duja
- Neaktivan
- Postovi: 3136
- Pridružen: 23 Avg 2006, 17:29
- Location: Novi Sad - centar
- Warranty service: http://www.elektrocentar.com
- Contact person: Goran Duic
- Specialty: tv-multimedia
Re: ROHS 50W 12V4a LED Driver (S-50-12)
Uvek napises koji je polozaj tih delova, kao na primer C9 za kondenzator (vidi se sa slike)...zatim na samoj plocici mora da ima vise oznaka proizvodjaca - ovako ti opet niko ne moze pomoci...kefaja je napisao: zaokruzeno je na slici
otpornik 3w
pored ovog kondezatora ima jedan otpornik ne vidi se na slici
tranzistor
hvala unapred
Napisi i koji su chipovi na ploci!
Koliko se razumes u servisiranje tog SMPS napajanja?
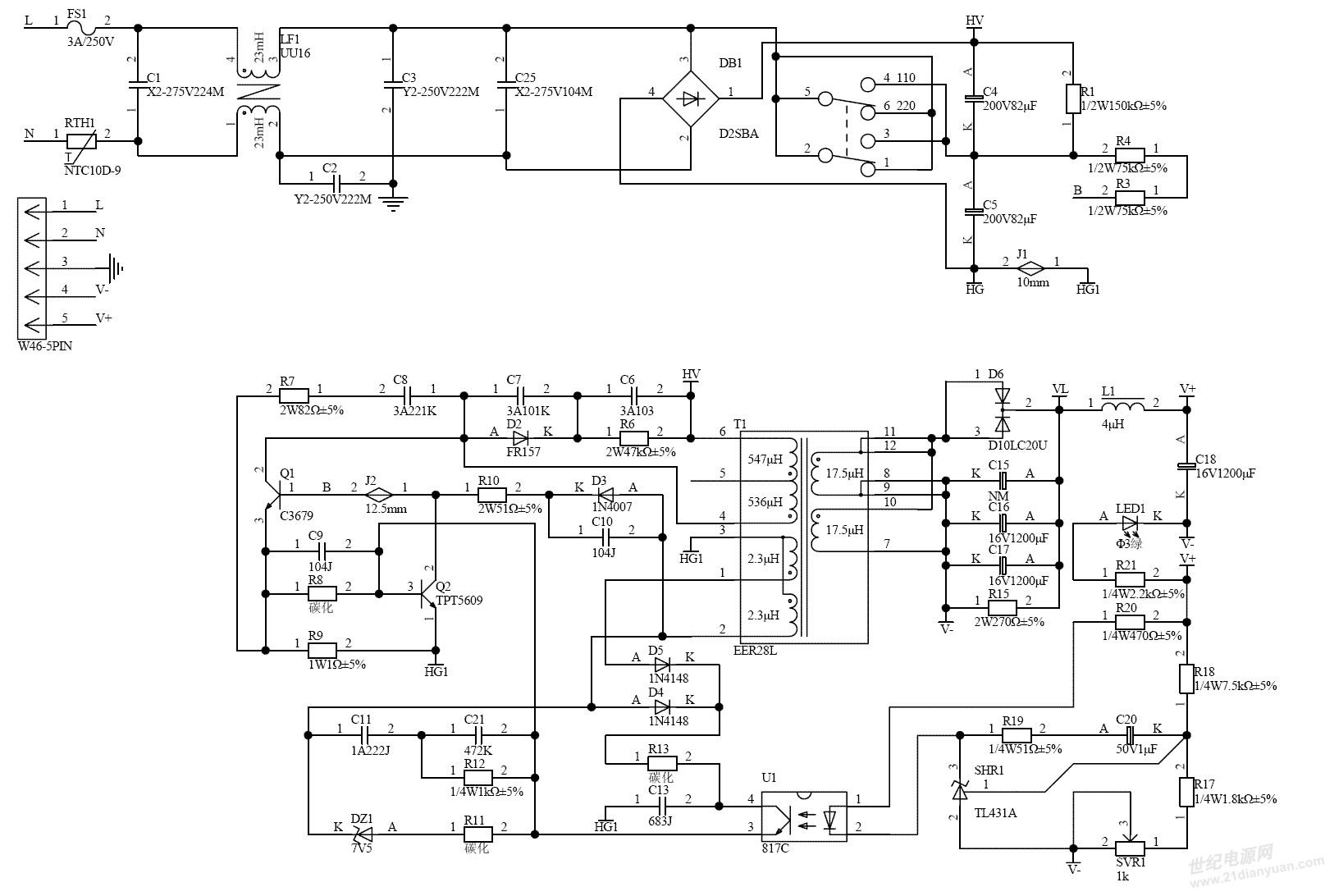
Ovo je slicna shema nadjena na netu po oznaci sa ploce ( s-50gd-r1 ):
http://www.ti.com.cn/cn/lit/an/slua086/slua086.pdf
( s50gdr1 )
Rule #1 "Always stand for what you believe, even if it means standing alone."
- Damiru
- ___

- Postovi: 924
- Pridružen: 19 Avg 2006, 15:26
- Location: Srbija
- Contact person: Damir
- Specialty: tv-multimedia
- Lokacija: Kovilj, 127.0.0.1
- Kontakt:
Re: ROHS 50W 12V4a LED Driver (S-50-12)
Ja ću malo da odem u off. Gospodin je tražio pomoć i posle korekcije posta i urađenog domaćeg zadatka dobio je rešenje. Time je uštedeo i vreme (i nešto novca) i živce - sebi i svima ostalima. Evo kako se to radi:
http://www.fanzo.org/forum/viewtopic.ph ... &sk=t&sd=a
Da je više takvih, sve bi bilo pesma...
http://www.fanzo.org/forum/viewtopic.ph ... &sk=t&sd=a
Da je više takvih, sve bi bilo pesma...
Commitment is pushing yourself when no one else is around.
- kefaja
- _

- Postovi: 45
- Pridružen: 24 Jan 2007, 18:09
- Location: Crna Gora Niksic
- Contact person: Pedja
- Lokacija: Niksic
Re: ROHS 50W 12V4a LED Driver (S-50-12)
ova sema gore je od nekog drugog ista je oznaka ali se razlikuju
ova sema dolje je kod mene samo bez prekidaca
ova dva na kineskom su
R11 3Kohm
R8 1,5Kohm ili 150 ohm ne mogu da razaznam koja je treca boja smedja ili crvena jer je nagorelo na ovim kod mene pre ce bit 1,5Kohm na multimetru je 1.3kohm
zamenjeno
Q1 C3679 koji cekam jer ga nemam niti zamene 2SC3153 , 2SC3466
Q2 TPT5609
R8 1,5Kohm
J1 kod mene je 0,33ohm 2w
moram ucit kineski nema mi druge
ova sema dolje je kod mene samo bez prekidaca
ova dva na kineskom su
R11 3Kohm
R8 1,5Kohm ili 150 ohm ne mogu da razaznam koja je treca boja smedja ili crvena jer je nagorelo na ovim kod mene pre ce bit 1,5Kohm na multimetru je 1.3kohm
zamenjeno
Q1 C3679 koji cekam jer ga nemam niti zamene 2SC3153 , 2SC3466
Q2 TPT5609
R8 1,5Kohm
J1 kod mene je 0,33ohm 2w
moram ucit kineski nema mi druge
Zadnja izmena: Majstor Duja, dana 07 Feb 2013, 09:01, ukupno menjano 11 puta.
Razlog: Slike se postavljaju u JPG formatu da ih svi vide a ne zapakovane u RAR.
Razlog: Slike se postavljaju u JPG formatu da ih svi vide a ne zapakovane u RAR.
Sine knjige su pisane za glupe ljude UZMI KNJIGU I PROCITAJ
-
- Slične teme
- Odgovori
- Pregledano
- Zadnji post
-
-
Slayer Exciter kao driver za Teslin Transformator
napisao Proton potaž » 29 Nov 2024, 16:59 » u Elektronika - 3 Odgovori
- 1147 Pregledano
-
Zadnji post napisao Proton potaž
30 Nov 2024, 14:43
-
-
- 9 Odgovori
- 3278 Pregledano
-
Zadnji post napisao miros981
23 Apr 2009, 18:21
-
- 7 Odgovori
- 1448 Pregledano
-
Zadnji post napisao marko
18 Sep 2009, 10:37
-
- 9 Odgovori
- 2022 Pregledano
-
Zadnji post napisao stojkePN
23 Sep 2009, 23:51
-
- 8 Odgovori
- 1967 Pregledano
-
Zadnji post napisao TOMSON
02 Nov 2009, 00:21
-
- 3 Odgovori
- 1225 Pregledano
-
Zadnji post napisao Krajnc Karlo
13 Mar 2012, 22:49
-
- 6 Odgovori
- 2021 Pregledano
-
Zadnji post napisao grifon
12 Mar 2009, 15:39
-
- 21 Odgovori
- 6575 Pregledano
-
Zadnji post napisao Milos fis
26 Jan 2017, 12:11
