MODEL: FT5942VT
CHASSIS(oznaka šasije): PC020.0
PCB(oznake na štampanoj ploči): PC020.0 60.3115.011
MCU(procesor): ST6356B1/UE
VERTIKALA: TDA8215B
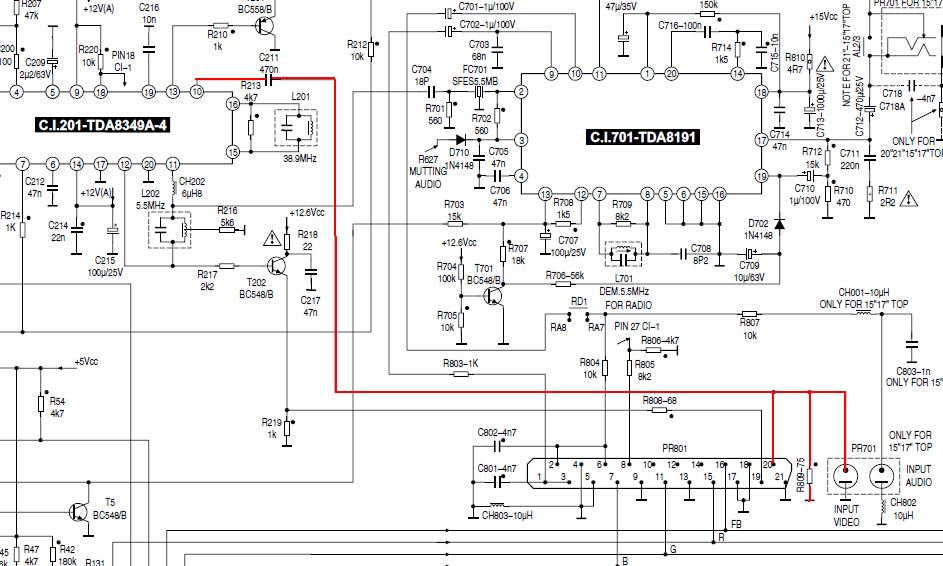
AUDIO: TDA8191
VIDEO: TDA3301B
IF: TDA8349A
SMPS (mreža): TEA2261
FBT (vn trafo): DST286B 243 47326100 NC
TUNER: F2077/04A
KVAR: Ne radi video ulaz
OPIS KVARA: Tv je prvenstveno dosao sa kvarom da je suzena slika po horizontali. Uzrok je bio C303 (330n). Posle zamene slika nije imala sinhronizaciju kad je hladan tv. Problem je bio u TDA8215B (HORIZONTAL AND VERTICAL DEFLECTION CIRCUIT). Posle zamene je bilo sve kako treba ali su dosta losi bili elektroliti u mrezi u His-u pa sam morao da ih zamenim. Zamenjen je i PTC jer je slika bila namagnetisana.
Ostao je jos problem sto preko scart-a ili prednjeg panela ne radi video ulaz. Merio sam sa 20-tog pina scart prikljucka i sa prednjeg panela preko blok kondezatora C211(470n) na nozicu 10 integrala TDA8349A vod nije u prekidu. R809 (75ohm) sam takodje merio. Kod ukljucivanja video kabla ne desi se bas nikakva promena u smislu treperenja. Slika je crna i stoji ispisano AV. Sumljam u ispravnost TDA8349A.
SEMA:


