..
Автосервиза вече е взел паре /мъни/ за смяна на някакво реле, но проблема продължава.
С ваша помощ разчитам да разгадая причината. Благодаря Ви!
VIN AUTO VF33CNFUC8414xxxx, 1.6 Petrol
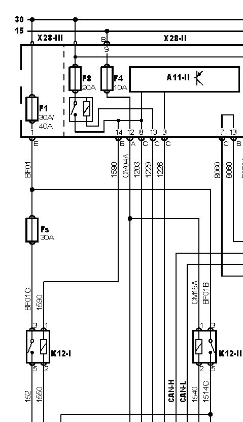
Гледал съм схемите тук > http://peugeot.mainspot.net/wiring307/index.shtml . Четох в други форуми за причините за изгарянето на F8. Твърди се, че това е стартера (шалтера), но не го виждам схемно ?! A11-II multifunction control module 2
K12-IEngine coolantblower motor relay 1
A-35 Engine control module ECM


