Punjač akumulatora Ctek mxs 5.0 - ne radi 

Hobi i ostala elektronika

Urednik: alexa_pg

Pravila foruma
Praktikujemo da na kraju opišemo kako smo rešili problem. Zatim zatvorimo temu >UPUTSTVO<
kostab
_
_
Postovi: 20
Pridružen: 09 Jan 2023, 22:20
Location: Srbija
Specialty: consumer

Punjač akumulatora Ctek mxs 5.0 - ne radi

Post napisao kostab » 29 Mar 2023, 21:34

Ponovo pokrecem temu, koja je, ne znam kako, nestala sa foruma.
Posto nisam neke delove mogao da nabavim u srbiji, morao sam da porucim sa aliexpresa i samim ti morao da cekam mesec i kusur dana, tako da nisam mogao nista da postujem u temi dok ne stignu delovi. U medjuvremenu je tema nestala!
Radi se o smart punjacu akumulatora, svedskom proizvodu ctek, koji sluzi za punjenje, kondicioniranje i desulfatizaciju akumulatora za automobile. Ja sam ga kupio kao neispravnog i pokusavam da ga vratim u zivot jer nije davao znake zivota. Ukratko cu da ponovim sta sam radio.
Posle otvaranja primetio sam naduven veliki elektrolit 47mf 400v. Daljom proverom utvrdjeno je da su crkle i dve ispravljacke diode i osigurac. Takodje i mosfet 04n60c3 je pokazivao kratak spoj. Sve je to zamenjeno ali punjac i dalje ne radi. Nakon toga utvrdjeno je da tranzistor 2f ne valja, i on je zamenjen ali i dalje nije bilo pomaka. Na ic imao sam kratak spoj izmedju pina gnd i pina drv. Ic sam narucio sa alija i pre neki dan je stiglo. Nalemljen je na mesto i punjac se upalio, upalile su se diode za stanby i program ali je sijalica koja je namestena umesto osiguraca pokazicala neku anomaliju-stalno se palila i gasila i culo se nesto kao kliktanje releja. Nista nije puklo ili izgorelo pa sam resio da vratim osigurac i probam. Punjac se upalio i posle otprilike 7-8sec je jedan od elektrolira ( ima ih dva od 1000mf 16v)u sekundarnom delu eksplodirao i ispustio dusu. Drugi nije ostecen. Mislio sam da je los elektrolit, pa sam oba zamenio sa druga dva-malo veceg kapaciteta 1500mf i istog probojnog napona 16v i isto se desilo. Elektrolit na istom mestu je ponovo izduvao, drugi nije ostecen. Pretpostavljam da je problem u regulaciji napona u sec. delu ali nisam siguran zasto se to desava. Sumnjiv mi je optokapler odnosno njegov tranziator ( kao tl431 kod klasicnog napajanja) ali ovde u smd izvedbi ne mogu da prepoznam taj tranzistor.
Ubacicu sliku sec. dela da pogledate i date neki savet, ako ste u mogucnosti, na sta da obratim paznju! Hvala unapred!
Prilog
20230329_212917.jpg

Avatar
alexa_pg
Site Admin
Site Admin
Postovi: 6119
Pridružen: 22 Avg 2006, 08:10
Location: Podgorica
Specialty: tv-multimedia

Re: Punjac akumulatora-ne radi

Post napisao alexa_pg » 29 Mar 2023, 23:44

Sjećam se te teme i otprilike znam kako je išla diskusija
što se tiče brisanja - nestajanja teme, stvari stoje ovako. Forum je tako napravljen da u javnom dijelu - hobi podforum, nakon 30 dana ako nema diskusije, tema se sama briše. To se desilo i u tvom slučaju. Nije niko namjerno već se sama obrisala.

Ponekad i mi urednici znamo da napravimo grešku pa ne sačuvamo temu od samobrisanja. Dok dođe dio iz Kine, ode tema.

Uglavnom, kvar koji je trenutno prisutan je zbog povećanog napona u sekundaru. Čim se elko nazivnog napona 16V naduje i pukne, znak je da stabilizacija noje dobra. Kao što si napisao, nešto oko opto kaplera i TL431 nije u redu. Možda je najbolje zamijeniti oba dijela.
"I ja volim ljude ali ih sve manje podnosim"

Avatar
miodrag popovic
gx
gx
Postovi: 3307
Pridružen: 08 Nov 2006, 21:08
Location: Srbija
Phone number: 00381638773821
Specialty: tv
Lokacija: Pančevo Braće Jovanović 56

Re: Punjac akumulatora-ne radi

Post napisao miodrag popovic » 30 Mar 2023, 00:38

Nije za pretpostviti da imaš kvar i u primaru i u sekundaru.Vrati se u primar i prouči vezu IC koji si menjao-optokapler.Prvo zameni optokapler,vrati sijalicu i vidi ima li poboljšanja.
Bilo je i većih problema pa ih nismo rešili

Avatar
KASA1
Site Admin
Site Admin
Postovi: 3856
Pridružen: 14 Feb 2011, 10:28
Location: Zagreb
Specialty: tv-multimedia

Re: Punjac akumulatora-ne radi

Post napisao KASA1 » 30 Mar 2023, 10:37

Ne sjećam se koji je čip u mreži, no, momci su sve rekli,... ne radi krug kontrole izlaznog napona i potrebno je provjeriti sve elemente toga kruga i linije ka optocoupler-u sa obje strane te prvo zamijeniti optocoupler.
Podsjeti nas - dopiši koji je čip u primaru zamijenjen i postavi kvalitetnu sliku i primarnog dijela.
kostab je napisao:
29 Mar 2023, 21:34
..Sumnjiv mi je optokapler odnosno njegov tranziator ( kao tl431 kod klasicnog napajanja) ali ovde u smd izvedbi ne mogu da prepoznam taj tranzistor...
Katodni pin TL431 ide na pin 2 optocoupler-a (nije tranzistor već integrirani krug, tzv. shunt regulator).
"Čovječe, pazi da ne ideš malen ispod zvijezda!"

kostab
_
_
Postovi: 20
Pridružen: 09 Jan 2023, 22:20
Location: Srbija
Specialty: consumer

Re: Punjac akumulatora-ne radi

Post napisao kostab » 30 Mar 2023, 11:25

Cip je ncp1271a
Prilog
20230115_211608.jpg

Avatar
sim
gxu
gxu
Postovi: 1184
Pridružen: 09 Jul 2009, 21:43
Location: Krusevac
Warranty service: Bela tehnika
Contact person: Ivan
Phone number: 0038162303936
Specialty: whitegoods

Re: Punjac akumulatora-ne radi

Post napisao sim » 30 Mar 2023, 11:45

Veoma losa slika sa koje se slabo sta videti.
Ipak jedan deo izgleda izgoreno
Prilog
IMG_20230330_114403.jpg
SIMkom

kostab
_
_
Postovi: 20
Pridružen: 09 Jan 2023, 22:20
Location: Srbija
Specialty: consumer

Re: Punjac akumulatora-ne radi

Post napisao kostab » 30 Mar 2023, 23:29

To na slici se vidi neka prljavstina jer je cela ploca lakirana i od lemljenja se topi taj lak i stvara taj utisak...probao sam alkoholom da obrisem plocu i slabo se skida ta stroka 🙂
Sutra posle posla menjam optokapler, stavljam fenjer umesto osiguraca i stavljam elektrolite pa cu da probam da vidim sta ce da kaze...

kostab
_
_
Postovi: 20
Pridružen: 09 Jan 2023, 22:20
Location: Srbija
Specialty: consumer

Re: Punjac akumulatora-ne radi

Post napisao kostab » 31 Mar 2023, 21:32

Zamenio sam optokapler, vratio sijalicu i zalemio druga dva elektrolita u sekundarnom delu. Punjac se upali ali sijalica opet trepce-pali se i gasi i cuje se tiho kliktanje kao neki relej. Ne smem duze od par sekundi (5-6) da drzim ukljuceno jer se plasim da ne pukne opet nesto...ili mozda nece pa bih na taj nacin mogao i nesto da merim. Ovako nemam pojma koliki su naponi.
Dajte neku smernicu...

Avatar
sim
gxu
gxu
Postovi: 1184
Pridružen: 09 Jul 2009, 21:43
Location: Krusevac
Warranty service: Bela tehnika
Contact person: Ivan
Phone number: 0038162303936
Specialty: whitegoods

Re: Punjac akumulatora-ne radi

Post napisao sim » 01 Apr 2023, 00:49

Moras da meris ne mozes napamet.
Prikaci instrument pa pali.
SIMkom

kostab
_
_
Postovi: 20
Pridružen: 09 Jan 2023, 22:20
Location: Srbija
Specialty: consumer

Re: Punjac akumulatora-ne radi

Post napisao kostab » 02 Apr 2023, 15:35

Danas sam izmerio na brzaka, da nebi doslo do nejog kurslusa, napon na sekundarnim kondenzatorima-ide preko 30v dc sto nije dobro. Takodje na ncp1271a na pinu 6vcc, napon se penje na 12-13v pa onda pada nanize. Kazem nisam mogao dugo da drzim ukljuceno da nebi nesto puklo. Imate li neki predlog?

Avatar
alexa_pg
Site Admin
Site Admin
Postovi: 6119
Pridružen: 22 Avg 2006, 08:10
Location: Podgorica
Specialty: tv-multimedia

Re: Punjac akumulatora-ne radi

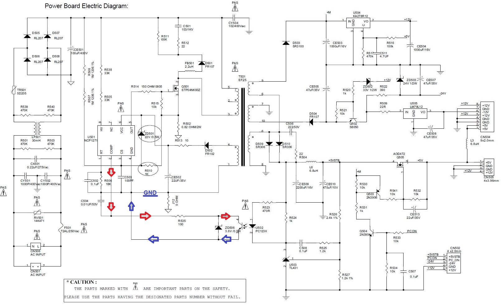
Post napisao alexa_pg » 03 Apr 2023, 12:34

U prilogu je jedna od šema sa tim kolom na kojoj možeš vidjeti kako to otprilike radi.
Drugi pin IC se preko opto elementa spaja na masu i tako se reguliše izlazni napon. Da li je kod tebe drugi pin direktno spojen na opto ili preko nekog tranzistora, to ne znam. To moraš vidjeti sam kako je povezano.
Da li povratna veza preko opto elementa radi dobro, možeš probati na sledeći način.
Uređaj isključiti iz struje. Između kolektora i emitera opto elementa spojiti ommetar tako da je plus baterije iz ommetra spojen na kolektor a minus spojiti na emiter.
Priključiti ispravljač na neki regulacioni ispravljač na kome može da se mijenja napon barem od 9 do 15V. Minus ispravljača staviti na minus elektrolita C9 (važi za ovu šemu) a plus iz regulacionog ispravljača spojiti na plus C9
Kazaljka na ommetru ne smije da skreće, tj. otpor mora biti beskonačan.
Lagano povećavaš napon na ispravljaču. Kada napon pređe neku vrijednost, u tvom slučaju između 12 i 15V, trebalo bi da se aktivira opto elemenat i da to vidiš na ommetru tako što će kazaljka skrenuti - pokazati neki otpor.
Ova povratna veza kod tebe sigurno ne radi. Uz malo analize, siguran sam da ćeš je riješiti.

Da ne bi svaki mjesec zbog automatskog brisanja počinjali priču iz početka, tema je premještena u odgovarajući podforum.

NCP1271.JPG
"I ja volim ljude ali ih sve manje podnosim"

Avatar
buzdumra
gx
gx
Postovi: 5370
Pridružen: 22 Okt 2006, 20:14
Location: srbija

Re: Punjac akumulatora-ne radi

Post napisao buzdumra » 03 Apr 2023, 14:32

ne moze da se popravlja bez akumulatora ... na sijalicu naravno da okine veci napon ..
proradijo mi net zahvaljujuci fanzi

kostab
_
_
Postovi: 20
Pridružen: 09 Jan 2023, 22:20
Location: Srbija
Specialty: consumer

Re: Punjac akumulatora-ne radi

Post napisao kostab » 03 Apr 2023, 19:50

Hvala na savetu, probacu ovo samo da nabavim analogni instrument.

Avatar
alexa_pg
Site Admin
Site Admin
Postovi: 6119
Pridružen: 22 Avg 2006, 08:10
Location: Podgorica
Specialty: tv-multimedia

Re: Punjač akumulatora Ctek mxs 5.0 - ne radi

Post napisao alexa_pg » 03 Apr 2023, 21:44

Ne treba ti da tražiš analogni instrumenet. Može i digitalni ako ima područje za ispitivanje poluprovodnika - dioda.
Crvena pipalica ide na kolektor opto elementa a crna na emiter.
"I ja volim ljude ali ih sve manje podnosim"

kostab
_
_
Postovi: 20
Pridružen: 09 Jan 2023, 22:20
Location: Srbija
Specialty: consumer

Re: Punjač akumulatora Ctek mxs 5.0 - ne radi

Post napisao kostab » 07 Apr 2023, 22:53

Probao sam ovo sto je aleksa predlozio, po ovome bi optokapler trebao da bude ok, jer do 14,9v se ne aktivira. Kad napon predje 15v on se aktivira i instument podesen za ispitivanje dioda pocne da pisti. Nisam imao laboratorijsko napajanje nego sam koristio obican ispravljac stuje 350mA i napona koji se menja pomocu klizaca. Tu je meni sumnjiv ovaj element sa tri nogice koji bi trebao da bude voltage regulator i koji bi, ja mislim, trebao da upravlja optokaplerom-ispravite me ako gresim...
Nisam siguran, po oznaci koju ima sta je, evo slika
Prilog
20230331_203634_resized.jpg

Avatar
alexa_pg
Site Admin
Site Admin
Postovi: 6119
Pridružen: 22 Avg 2006, 08:10
Location: Podgorica
Specialty: tv-multimedia

Re: Punjač akumulatora Ctek mxs 5.0 - ne radi

Post napisao alexa_pg » 07 Apr 2023, 23:14

Po ovome kako si opisao, optokapler je ispravan a i isplavno je kolo 431

Na slici koju si postavio je 5V stabilizator napon. Ne znam zašto sumnjaš na njega ali lako se provjerava. Prva nožica je GND, srednja izlaz 5V i treća je ulazni napon koji pretpostavljan dolazi sa 12V

5V.JPG
5V.JPG (6.7 KiB) Pregledano 7151 put.
Najvjerovatnije si na YT gledao klipove u vezi ovog ispravljača. Ima ih dosta. Ako nisi, evo ti par njih pa pogledaj. Vrijedi videti.

Kod: Označi sve

https://www.youtube.com/watch?v=xeTJTzKRUy0
https://www.youtube.com/watch?v=Wtz04HOE0dU
https://www.mikrocontroller.net/topic/445430
"I ja volim ljude ali ih sve manje podnosim"

kostab
_
_
Postovi: 20
Pridružen: 09 Jan 2023, 22:20
Location: Srbija
Specialty: consumer

Re: Punjač akumulatora Ctek mxs 5.0 - ne radi

Post napisao kostab » 07 Apr 2023, 23:47

Ma sve sam ih odgledao i to vise puta, i ove diskusije na nemackim i poljskim sajtovima ali nikako da ga resim, vec pocinje da me nervira...ne znam sta vise da gledam, iscoravi se sa ovim sitnim delovima 😄

Avatar
bada
gx
gx
Postovi: 912
Pridružen: 23 svi 2016, 13:24
Location: BEOGRAD
Specialty: tv

Re: Punjač akumulatora Ctek mxs 5.0 - ne radi

Post napisao bada » 08 Apr 2023, 13:13

Proveri da li postoji veza 4 pina optokaplera i 2 pina NCP1271, 3 pina opto i 4 pina NCP.
Postavi sliku primarnog dela sa obe strane.

kostab
_
_
Postovi: 20
Pridružen: 09 Jan 2023, 22:20
Location: Srbija
Specialty: consumer

Re: Punjač akumulatora Ctek mxs 5.0 - ne radi

Post napisao kostab » 08 Apr 2023, 16:13

Evo ovako nesto, slike sa drugog sajta gde se vodila diskusija, vide se vodovi na primarnoj strani sa gornje i donje strane.
Kada multimetrom (na opsegu za ispitivanje dioda) spojim pipalicom pin4 optokaplera i pin 2 na ncp1271, pokazuje kratak spoj. Isto se dogadja kada spojim pin3 opto i pin4 na ncp1271.
Prilog
6E5DBEC8-E7AE-47EE-B692-31F5AFDD80EE.jpeg
D09DE4FE-B628-4FF2-8011-EB7FDB6B593F.jpeg

Avatar
alexa_pg
Site Admin
Site Admin
Postovi: 6119
Pridružen: 22 Avg 2006, 08:10
Location: Podgorica
Specialty: tv-multimedia

Re: Punjač akumulatora Ctek mxs 5.0 - ne radi

Post napisao alexa_pg » 08 Apr 2023, 19:25

Ovo je skoro nemoguće. Što bih u šali rekao, "mora da su mađije"
Stabilizacija izlaznog napona se ostvaruje preko opto kaplera. Pin 2 IC NCP ako se spoji na masu, kolo prestaje sa radom.
Znači, ako izlazni napon, u tvom slučaju 14.9V, prekorači proračunatu vrijednost, provede tranzistor u opto elementu, spoju 2. pin IC sa masom i zaustavlja rad kola. Na napone ispod 14.9V kolo radi. Znači, opto kapler sa pripadajućim elementima drži IC u ravnoteži da izlazni napon ne može biti veći od 14.9V.
Mjerenjem kažeš da na 14.9V opto provede i obori pin 2 na masu. Ako ga obori, kako onda kolo može da radi? Jedino ako samo kolo nije ispravno.
Nemam drugu ideju šta se kod tebe tu dešava. Baš čudno.
Kolega @bada te je zato i pitao postoji li omska veza opto i odgovarajućih pinova IC, da slučajno nije sama štampa u prekidu.

Power.JPG
"I ja volim ljude ali ih sve manje podnosim"

Odgovori
  • Slične teme
    Odgovori
    Pregledano
    Zadnji post

Natrag na “Elektronika”