LG 47LN5406 Nece da se upali

problemi, kvarovi, sheme upload/download popravka LED televizora

Urednici: alexa_pg,KASA1

Pravila foruma
Naslov teme treba da bude u formatu: PROIZVOĐAČ, MODEL, KRATAK OPIS KVARA
Nakon rešenog kvara zatvoriti temu >> >UPUTSTVO< u suprotnom ništa ne činiti.
RAZNA UPUTSTVA
video
_
_
Postovi: 23
Pridružen: 19 Sep 2012, 07:55
Location: Sarajevo - BiH
Specialty: broadcast

LG 47LN5406 Nece da se upali

Post napisao video » 03 Jun 2025, 11:48

LED TV
FIRMA: LG
MODEL: 47LN5406
MODEL DODATNO: 47LN5406-ZA.BVSYLJG
CHASSIS: Ne znam
MAINBOARD: EAX64891306(1.1)
PANEL: LC470DUE-(SF)(R1)
T-CON BOARD: 6870C-0444A LC470DUE-SFR1
SMPS: EAX64905501 2.1 REV2.0 2013.03.18

***************************************
SIMPTOMI:
Nece da se upali, ima stand by.

DETALJAN OPIS KVARA i PREDUZETE RADNJE:

TV nece da starta, ima stand by. Posjedujem shematic diagram. Sa napojne salje 3.5V preko konektora P201 nozice 3, 5 prema Main bordu. Main board reaguje na paljenje i salje na konektor P201 nozice 1, 2 Power_ON, DRV_ON po 3.3V kao i na nozice 4, 6 po 1,8V (PDIM1. PDIM2). Kad se upali na daljinski dobije se napon napajanja IC 101(SSC9527s) od 14V i isti reaguje na power on/off. Jos na tom IC 101 dolazi onaj VSEN od 1.2V (preko onih 5 otpornika od 750K oma) ALI nece da se zastarta. Provjerio omski primar - sve ok. Sekundar isto tako, sve ok. Onda odspojio sekundar iza dioda, a spojio se sijalicom na vod od 12V na njegovom kondezatoru i ni tada nece da baci nikakav napon, da trzne, nista. Cak sam i mjenjao to IC 101 ali nista. Ona dva MOSFET-a djeluju oba ispravna a sve oko tog dijela je ispavno.
Ako ko moze pomoci bio bih jako zahvalan.

Avatar
KASA1
Site Admin
Site Admin
Postovi: 3856
Pridružen: 14 Feb 2011, 10:28
Location: Zagreb
Specialty: tv-multimedia

Re: LG 47LN5406 Nece da se upali

Post napisao KASA1 » 03 Jun 2025, 14:45

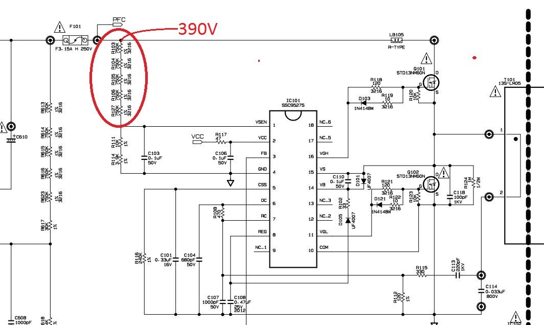
Znači, ne radi ti 12V, 24V rail.
Čip koji je za to zadužen, SSC9527S, osim napona napajanja VCC kojeg imaš i koji je korektan, za start treba i odgovarajući nivo napona na Vsen pinu. Kako navodiš da na tom pinu imaš svega 1.2V, tu bi mogao biti uzrok problema.
Treshold nivo tog napona potreban za start čipa kreće se između 1.32 i 1.52V. Kako to nemaš, možda ti je premali PFC napon ili su otpori u naponskom djelitelju (onih 5 komada od 750K) promijenili - povečali vrijednost.

Za početak, dakle, izmjeri napon na mrežnom elektrolitu kada startaš mrežu, pa ćemo biti malo pametniji.
"Čovječe, pazi da ne ideš malen ispod zvijezda!"

video
_
_
Postovi: 23
Pridružen: 19 Sep 2012, 07:55
Location: Sarajevo - BiH
Specialty: broadcast

Re: LG 47LN5406 Nece da se upali

Post napisao video » 03 Jun 2025, 15:23

Hvala na odgovoru.
Napon je 317V, cak sam i mjenjao njegov filter 100/400V
Otpori su svi dobri po 750K oma. I imam tu tih 1.2 koji su i potrebni u tom OFF modu dok na ON trebaju biti kako rece između 1.32 i 1.52V.
Prateci to bacio sam se na ovo IC601(R2A20133D) i njegov out sa nozice 7 koji je ustvari Power MOSFET drive terminal prema dva Mosfet-a. Mjereci sto instrumentu, sto osciloskopom na toj nozici nemam nista sto samim tim ovaj segment sa dva Mosfeta q601, 602 ne radi pa zato i ne mogu dobiti taj gore navedeni Treshold.
Probati cu gdje pronaci to IC601 pa da ga zamjenim jer bi tu morao dobiti impuls prema gejtovama.

Avatar
nec
Site Admin
Site Admin
Postovi: 4870
Pridružen: 17 Okt 2007, 22:15
Location: Makedonija, Strumica
Phone number: 0038978425778
Specialty: tv-multimedia
Kontakt:

Re: LG 47LN5406 Nece da se upali

Post napisao nec » 03 Jun 2025, 15:29

video je napisao:
03 Jun 2025, 15:23
sam i mjenjao njegov filter 100/400V
mislim da je tu original 450V, po onome sto si napisao, fali ti PFC
Kad zamenimo ideje svi imamo duplo vise ideja

Avatar
KASA1
Site Admin
Site Admin
Postovi: 3856
Pridružen: 14 Feb 2011, 10:28
Location: Zagreb
Specialty: tv-multimedia

Re: LG 47LN5406 Nece da se upali

Post napisao KASA1 » 03 Jun 2025, 16:29

video je napisao:
03 Jun 2025, 15:23
Napon je 317V...
... I imam tu tih 1.2 koji su i potrebni u tom OFF modu dok na ON trebaju biti kako rece između 1.32 i 1.52V...
Tako je,... jednako tako se na ON modu, na mrežnom elku, očekuje oko 390V. Može se lako izračunati da ćeš u tom slučaju na Vsen pinu dobiti točno 1.44V i da će čip prostartati.
Dakle, rješavaj PFC.

SSC9527S VSEN.JPG
"Čovječe, pazi da ne ideš malen ispod zvijezda!"

video
_
_
Postovi: 23
Pridružen: 19 Sep 2012, 07:55
Location: Sarajevo - BiH
Specialty: broadcast

Re: LG 47LN5406 Nece da se upali

Post napisao video » 03 Jun 2025, 20:35

A u ovom slucaju PFC pravi ovaj segment pri cemu je generator IC601. koji uz pomoc ovih T603, 604 drajva ovaj par MOSFET transistora te preko zavojnice i na kraju diode dize na potrenih 385 ili malo vise volti.
Screenshot_20250603_201435_Samsung Notes.jpg
Na nozici 7 ovog IC601 imam 0V, nikakav signal. Imam potrebno napajanje kola od onih 14v koje se generira kad se pokrene uredjaj iz stand bay moda + na nozici 1 onih 1.1v koje se dobije preko onog drugog skupa otpornika.
Dakle, moram zamjeniti IC601 oznake R2A20133D
Zadnja izmena: video, dana 03 Jun 2025, 23:59, ukupno menjano 1 put.

video
_
_
Postovi: 23
Pridružen: 19 Sep 2012, 07:55
Location: Sarajevo - BiH
Specialty: broadcast

Re: LG 47LN5406 Nece da se upali

Post napisao video » 03 Jun 2025, 20:44

nec je napisao:
03 Jun 2025, 15:29
video je napisao:
03 Jun 2025, 15:23
sam i mjenjao njegov filter 100/400V
mislim da je tu original 450V, po onome sto si napisao, fali ti PFC
Da tako je, u pitanju je 450V, pogresno napisah.

Odgovori

Natrag na “Servisiranje LED televizora”