TV PHILIPS 21PT1542 Chassis L61AA - Ne radi HIS (RESENO)
Pravila foruma
Naslov teme treba da bude u formatu: PROIZVOĐAČ, MODEL, KRATAK OPIS KVARA
Nakon rešenog kvara zatvoriti temu >> >UPUTSTVO< u suprotnom ništa ne činiti.
HOME -- SERVISERI -- DALJINSKI -- RAZNA UPUTSTVA
Naslov teme treba da bude u formatu: PROIZVOĐAČ, MODEL, KRATAK OPIS KVARA
Nakon rešenog kvara zatvoriti temu >> >UPUTSTVO< u suprotnom ništa ne činiti.
HOME -- SERVISERI -- DALJINSKI -- RAZNA UPUTSTVA
TV PHILIPS 21PT1542 Chassis L61AA - Ne radi HIS (RESENO)
Zapravo, pitanje bi trebalo da bude koliki je napon +B? Da li je 95V kao na shemi ili 110V koliko merim (otkacen HIS,
napajanje optereceno sijalicom). Imam st. by, krene pobuda, ali odmah ''padne'' po ukljucenju.
U napajanju ne nalazim nista neispravno, svi otpori i blokovi premereni, menjane cenerke, imp. trafo...
napajanje optereceno sijalicom). Imam st. by, krene pobuda, ali odmah ''padne'' po ukljucenju.
U napajanju ne nalazim nista neispravno, svi otpori i blokovi premereni, menjane cenerke, imp. trafo...
Zadnja izmena: zozontv1, dana 24 Avg 2008, 21:37, ukupno menjano 3 puta.
- nec
- Site Admin

- Postovi: 4870
- Pridružen: 17 Okt 2007, 22:15
- Location: Makedonija, Strumica
- Phone number: 0038978425778
- Specialty: tv-multimedia
- Kontakt:
Re: TV PHILIPS 21PT1542 CHASSIS L6.1AA ne radi HIS
mislim da ti je napon pokacen trebao bi biti 96V probaj da ga smanjis i onda startujes isto proveri dal su svi naponi na sekundaru mreze dobri dok startujes TV
Kad zamenimo ideje svi imamo duplo vise ideja
-
Palme
- ___

- Postovi: 378
- Pridružen: 25 Jun 2007, 20:32
- Location: Sweden
- Contact person: Damir
- Phone number: 0046 31 811238
- Specialty: tv-multimedia
Re: TV PHILIPS 21PT1542 Chassis L6.1AA - Ne radi HIS
Promjeni blok kondenzator 2423(1nF/1KV).
Re: TV PHILIPS 21PT1542 Chassis L6.1AA - Ne radi HIS
E sad sam malo i zaboravio da li je to sasja na koju ja mislim ali vidi da li imas tu kod mreze 2 kondenzatora meni se cini od 160V (47mF i ne znam jos jedan,ali obicno budu jedan do drugog).Vidi da li su dobri,jer meni se cini ,znaci pod uslovom da je to sasija na koju ja mislim ,da sam imao vec nekoliko tv-a sa tim kondenzatorima i problemom paljenja.
STAKA
Re: TV PHILIPS 21PT1542 CHASSIS L6.1AA ne radi HIS
Nesto, malo je povecan +8Sb, +9S, +5S, naravno, nije, posto ide preko stabilizatora...nec je napisao:mislim da ti je napon pokacen trebao bi biti 96V probaj da ga smanjis i onda startujes isto proveri dal su svi naponi na sekundaru mreze dobri dok startujes TV
+96V ne mogu da smanjim, to i pokusavam da uklavirim.
TV mi momentalno nije pri ruci, ali ovog bloka nema na shemi...Palme je napisao:Promjeni blok kondenzator 2423(1nF/1KV).
Kad je HIS otkacen, +B opterecen sijalicom, imam pobudu za HIS preko optokaplera, a kad spojim HIS- pobuda
postoji samo u momentu ukljucenja. U oba slucaja frekvencija pob. signala je veca od 15kHz.
Moje razmisljanje:
1. ako je +B=110V, krivac je trafo i/ili nesto drugo (oscilator?);
2. ako +B treba da bude +96V, kako ga smanjiti sa 110V imajuci u vidu sve sto sam probao...
Re: TV PHILIPS 21PT1542 Chassis L6.1AA - Ne radi HIS
Ja mislim da sam i ja uvijek imao problema sto se tice tog napona +B ,odnosno nije uvijek isti kao sto pise na ploci
STAKA
Re: TV PHILIPS 21PT1542 Chassis L6.1AA - Ne radi HIS
Ovo bi trebalo da je isti problem kao tvoj
http://www.elforum.ro/viewtopic.php?f=1 ... &sk=t&sd=a
ili prevedeno sa Rumunskog na Engleski
http://translate.google.com/translate?u ... l=ro&tl=en
Edit 1
Šema: viewtopic.php?p=4836#p4836
http://www.eserviceinfo.com/downloadsm/ ... 1.1AA.html
Edit 2
Philips L6.1AA Chassis
Set totally inoperative, no led
Replace T7504, D6506, D6514, F1501, R3514 and R3515
http://www.elforum.ro/viewtopic.php?f=1 ... &sk=t&sd=a
ili prevedeno sa Rumunskog na Engleski
http://translate.google.com/translate?u ... l=ro&tl=en
Edit 1
Šema: viewtopic.php?p=4836#p4836
http://www.eserviceinfo.com/downloadsm/ ... 1.1AA.html
Edit 2
Philips L6.1AA Chassis
Set totally inoperative, no led
Replace T7504, D6506, D6514, F1501, R3514 and R3515
Zadnja izmena: Stolle, dana 21 Avg 2008, 18:09, ukupno menjano 3 puta.
Razlog: Šemu već imamo
Razlog: Šemu već imamo
Sto vise ucim sve vise vidim koliko neznam :plaz:
Re: TV PHILIPS 21PT1542 Chassis L6.1AA - Ne radi HIS
Philips-ov color tv veličine ekrana 55cm, šasija je L6.1AA a model tv-a 20PT1553/00
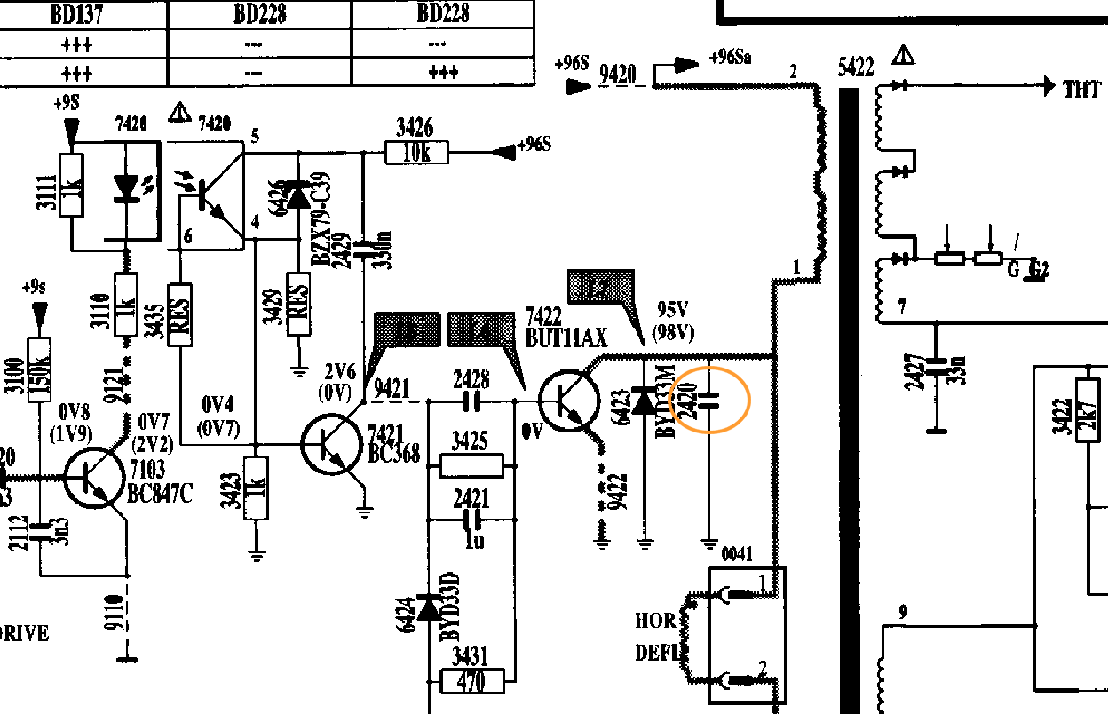
Odmah odspojite izlazni horizontalni tranzistor, da se ne bi opterećivala mreža bespotrebno jer u drastičnim uvjetima može reagirati na način da ne uspije srušiti horizontalni napon a onda “ćao” horizontalni izlazni transformator. U nekim verzijama ovog tipa kvara Hout tranzistor izdrži (kao u ovom slučaju) ali u nekima baš i ne, nego i on ode u kratki spoj. Ali on nije uzrok kod ovog tipa kvara, naime mreža reagira sa drastičnim rušenjem izlaznog napona i “cvilenjem” zbog neispravnog C2423 (na šemi je označen C2420) koji je pločasti blok kondenzator vrijednosti 102/1kV ili 1nF/kV, kako Vam je lakše. Ja uvijek stavim od dolje na stranu štampanh veza MKP blok iste vrijednosti. To su oni normalni četvrtasti u plastici. Od strane elemenata nema mjesta, nego samo za tanki okrugli. Svi vlasnici aparata koji su imali ovaj kvar su izjavili da su puno gledali taj tv, pa pretpostavljam da ne mogu izdržati zbog prevelike temperature. Možda i nisam u pravu. Bilo kako, novi blok kondenzator, nekada tranzistor i sve radi ok.
Odmah odspojite izlazni horizontalni tranzistor, da se ne bi opterećivala mreža bespotrebno jer u drastičnim uvjetima može reagirati na način da ne uspije srušiti horizontalni napon a onda “ćao” horizontalni izlazni transformator. U nekim verzijama ovog tipa kvara Hout tranzistor izdrži (kao u ovom slučaju) ali u nekima baš i ne, nego i on ode u kratki spoj. Ali on nije uzrok kod ovog tipa kvara, naime mreža reagira sa drastičnim rušenjem izlaznog napona i “cvilenjem” zbog neispravnog C2423 (na šemi je označen C2420) koji je pločasti blok kondenzator vrijednosti 102/1kV ili 1nF/kV, kako Vam je lakše. Ja uvijek stavim od dolje na stranu štampanh veza MKP blok iste vrijednosti. To su oni normalni četvrtasti u plastici. Od strane elemenata nema mjesta, nego samo za tanki okrugli. Svi vlasnici aparata koji su imali ovaj kvar su izjavili da su puno gledali taj tv, pa pretpostavljam da ne mogu izdržati zbog prevelike temperature. Možda i nisam u pravu. Bilo kako, novi blok kondenzator, nekada tranzistor i sve radi ok.
Sto vise ucim sve vise vidim koliko neznam :plaz:
Re: TV PHILIPS 21PT1542 Chassis L6.1AA - Ne radi HIS
Philips color TV 21PT1542/58, šasija L6.1 AA, 51 cm ekran sa običnim teletekstom
Jedini znakovi života kod ovog aparata su ti, da u trenutku uključenja začuje se neki čudan zvuk iz choppera ali se odmah mreža i zakoči s karakterističnim udarom napona, napon na mrežnom elektrolitu je oko 300 volta a isto i na elektrolitu za peglanje horizontalnog napona postoji 106 volta, što je sasvim dovoljno za nomalno pokretanje aparata. Pažnja, ova šasija ima jako neobično smišljenu mrežu tako i da elko za horizontalni napon se nalazi u primaru, znači i on ima tzv. živu masu, vezanu za mrežni napon. Ova mala mreža daje na sekundaru samo jedan napon od desetak volti koji se sa serijskim tranzistorskim stabilizatorom smanjuje na 5 volti za rad procesora i startne elektronike. Instrumentom izmjerite napon na emiteru i on je 0 volta u ovom slučaju. Tranzistor 7505 MORA biti zamjenjen sa BC337-40 a ne BC337-25 kako je naznačeno u šemi. Sam tranzistor se u normalnom radu jako grije i ne pomaže da ga zamjenite sa jačim ili nekim 7805 jer onda aparat neće da proradi.Nemojte stavljati direktnu zamjenu BC635 ili BC639 kako je navedeno u ECI jer će se aparat ubrzo vratiti na “doradu”.
Jedini znakovi života kod ovog aparata su ti, da u trenutku uključenja začuje se neki čudan zvuk iz choppera ali se odmah mreža i zakoči s karakterističnim udarom napona, napon na mrežnom elektrolitu je oko 300 volta a isto i na elektrolitu za peglanje horizontalnog napona postoji 106 volta, što je sasvim dovoljno za nomalno pokretanje aparata. Pažnja, ova šasija ima jako neobično smišljenu mrežu tako i da elko za horizontalni napon se nalazi u primaru, znači i on ima tzv. živu masu, vezanu za mrežni napon. Ova mala mreža daje na sekundaru samo jedan napon od desetak volti koji se sa serijskim tranzistorskim stabilizatorom smanjuje na 5 volti za rad procesora i startne elektronike. Instrumentom izmjerite napon na emiteru i on je 0 volta u ovom slučaju. Tranzistor 7505 MORA biti zamjenjen sa BC337-40 a ne BC337-25 kako je naznačeno u šemi. Sam tranzistor se u normalnom radu jako grije i ne pomaže da ga zamjenite sa jačim ili nekim 7805 jer onda aparat neće da proradi.Nemojte stavljati direktnu zamjenu BC635 ili BC639 kako je navedeno u ECI jer će se aparat ubrzo vratiti na “doradu”.
- Prilog
-
- L6.1AA_Philips.gif (21.81 KiB) Pregledano 7076 puta.
Sto vise ucim sve vise vidim koliko neznam :plaz:
-
Palme
- ___

- Postovi: 378
- Pridružen: 25 Jun 2007, 20:32
- Location: Sweden
- Contact person: Damir
- Phone number: 0046 31 811238
- Specialty: tv-multimedia
Re: TV PHILIPS 21PT1542 CHASSIS L6.1AA ne radi HIS
Promjeni blok koji sam naveo (ima ga u aparatu),,i rjesit ces problem,,Stojke je odlicno objasnio problematiku ove sasije i mislim da je sve sada receno,,,zozontv1 je napisao:Nesto, malo je povecan +8Sb, +9S, +5S, naravno, nije, posto ide preko stabilizatora...nec je napisao:mislim da ti je napon pokacen trebao bi biti 96V probaj da ga smanjis i onda startujes isto proveri dal su svi naponi na sekundaru mreze dobri dok startujes TV
+96V ne mogu da smanjim, to i pokusavam da uklavirim.TV mi momentalno nije pri ruci, ali ovog bloka nema na shemi...Palme je napisao:Promjeni blok kondenzator 2423(1nF/1KV).
Kad je HIS otkacen, +B opterecen sijalicom, imam pobudu za HIS preko optokaplera, a kad spojim HIS- pobuda
postoji samo u momentu ukljucenja. U oba slucaja frekvencija pob. signala je veca od 15kHz.
Moje razmisljanje:
1. ako je +B=110V, krivac je trafo i/ili nesto drugo (oscilator?);
2. ako +B treba da bude +96V, kako ga smanjiti sa 110V imajuci u vidu sve sto sam probao...
Re: TV PHILIPS 21PT1542 Chassis L6.1AA - Ne radi HIS
OK, Kolege, mislim da cu veceras stici da ga malo pogledam po vasim sugestijama, a mozda stigne i novi trafo....
Re: TV PHILIPS 21PT1542 Chassis L6.1AA - Ne radi HIS-RESENO
Je li problem da navedes sta je bilo sa tv-om ako si napisao - rijeseno
STAKA
Re: TV PHILIPS 21PT1542 Chassis L6.1AA - Ne radi HIS-RESENO
Konacno!
Pretpostavio sam da je +B u redu, kupio novi trafo i TV je proradio. +B je 106V, slika je normalna. Ostavicu ga da se
''krcka'' danas....
Jedna info:
-''famozni'' blok C2423, na semi i ploci oznacen kao C2420 je po obliku i boji dobro poznat Philipsov narandzasti,
cetvrtasti kondenzator i ima kapacitet 10n/1000V (103/1kV).
Hvala svim kolegama na pomoci i interesovanju!
Pretpostavio sam da je +B u redu, kupio novi trafo i TV je proradio. +B je 106V, slika je normalna. Ostavicu ga da se
''krcka'' danas....
Jedna info:
-''famozni'' blok C2423, na semi i ploci oznacen kao C2420 je po obliku i boji dobro poznat Philipsov narandzasti,
cetvrtasti kondenzator i ima kapacitet 10n/1000V (103/1kV).
Hvala svim kolegama na pomoci i interesovanju!
Re: TV PHILIPS 21PT1542 Chassis L61AA - Ne radi HIS (RESENO)
Da ne otvaram novu temu,ista sasija u pitanju L61AA,tv radi normalno i kad se izvuce uticnica iz napajanja 220 volti,ne moze da se upali neko vreme(nekih 1-2 minuta) i posle tog vremena upali bez problema.Kao da se nesto od komponenti ugreje pa kad se malo ohladi ,proradi.Kada se iskljuci preko daljinskog pali bez problema svaki put.Menjao sam sve elkoe u primaru,blokove oko VN trafoa i tranzistora BUT11AF,prelemio sve sto mi je bilo sumnjivo ali stanje je isto a nista se preterano ne greje.
- Majstor Duja
- Neaktivan
- Postovi: 3136
- Pridružen: 23 Avg 2006, 17:29
- Location: Novi Sad - centar
- Warranty service: http://www.elektrocentar.com
- Contact person: Goran Duic
- Specialty: tv-multimedia
Re: TV PHILIPS 21PT1542 Chassis L61AA - Ne radi HIS (RESENO)
Sta ti nije "upalilo" mreza ili HIS?
Rule #1 "Always stand for what you believe, even if it means standing alone."
Re: TV PHILIPS 21PT1542 Chassis L61AA - Ne radi HIS (RESENO)
Izvinjavam se.
Mreza radi bez problema i signalna lampica svetli,svi naponi po semi O.K. ,nego HIS kad se isteka uticnica i odmah vrati nece da proradi.
Mreza radi bez problema i signalna lampica svetli,svi naponi po semi O.K. ,nego HIS kad se isteka uticnica i odmah vrati nece da proradi.
- Ribery
- gx

- Postovi: 668
- Pridružen: 28 Okt 2008, 20:21
- Location: Beograd
- Contact person: Darko
- Specialty: tv-multimedia
- Lokacija: Beograd-Zvezdara
- Kontakt:
Re: TV PHILIPS 21PT1542 Chassis L61AA - Ne radi HIS (RESENO)
Nije tu do pregrevanja problem a ako sumnjas da jeste uzmi ledol pa proveri sa njim. Moj ti je savet da napone u mrezi i mrezu komplet jos jednom prekontrolises, neki napon tu nije uredu u mrezi, imao sam dosta takvih kvarova bas kod Philips televizora i mreza je uvek bila problem.
Posao TV servisera moras da volis da bi radio takav posao. Ovaj posao niko ne uci samo zbog novca.
Re: TV PHILIPS 21PT1542 Chassis L61AA - Ne radi HIS (RESENO)
Zasto onda kad sacekam minut,ustekam uticnicu i HIS startuje bez problema?Na daljinski kad ugasis tv,HIS startuje bez problema.
- Ribery
- gx

- Postovi: 668
- Pridružen: 28 Okt 2008, 20:21
- Location: Beograd
- Contact person: Darko
- Specialty: tv-multimedia
- Lokacija: Beograd-Zvezdara
- Kontakt:
Re: TV PHILIPS 21PT1542 Chassis L61AA - Ne radi HIS (RESENO)
Zato sto imas problem ili u mrezi sa ostecenjem neke komponente ili je u komandnoj jedinici problem. Po meni to ne lici na pregrevanje nego je najverovatnije u mrezi problem neki otpornik ili dioda ili ako su to one mreze sa startnim kolom hoce i to kolo da pravi problem cesto puta. Upravo sam skinuo semu sa neta. Dobro prekontrolisi SVE elemente i sve napone pre trafoa na poziciji 5500.
Posao TV servisera moras da volis da bi radio takav posao. Ovaj posao niko ne uci samo zbog novca.
Re: TV PHILIPS 21PT1542 Chassis L61AA - Ne radi HIS (RESENO)
Red je da napisem sta je sa ovim TV-om.
Kad mi je donesen nije uopste mogao da se upali tj. mreza nije radila.Problem je bio u tranzistoru BC337-40 i kad sam njega zamenio tv je proradio.Objasnim musteriji a on kaze da je tv tako radio od kad su ga novog kupili i nosen je u servis jos pod garancijom i nije resen. ali im nije smetalo pa je tako i ostalo.Pretpostavljam da je neka fabricka greska u pitanju.
Kad mi je donesen nije uopste mogao da se upali tj. mreza nije radila.Problem je bio u tranzistoru BC337-40 i kad sam njega zamenio tv je proradio.Objasnim musteriji a on kaze da je tv tako radio od kad su ga novog kupili i nosen je u servis jos pod garancijom i nije resen. ali im nije smetalo pa je tako i ostalo.Pretpostavljam da je neka fabricka greska u pitanju.
-
- Slične teme
- Odgovori
- Pregledano
- Zadnji post
-
-
TV PHILIPS 21PT1542 58S L61AA POTREBAN DUMP *RESENO*
napisao nesko62 » 14 Sep 2010, 20:12 » u Servisiranje CRT Televizora - 4 Odgovori
- 1184 Pregledano
-
Zadnji post napisao nesko62
17 Sep 2010, 21:48
-
-
-
TV PHILIPS 20PT1553 Chassis L61AA - Ne starta (RESENO)
napisao makedonec » 15 Okt 2008, 17:34 » u Servisiranje CRT Televizora - 4 Odgovori
- 1602 Pregledano
-
Zadnji post napisao makedonec
17 Okt 2008, 11:22
-
-
-
TV PHILIPS 21PT1542/58S Chassis L61 (L6.1) - Slika (RESENO)
napisao yamamoto » 26 Feb 2009, 10:09 » u Servisiranje CRT Televizora - 9 Odgovori
- 1793 Pregledano
-
Zadnji post napisao yamamoto
26 Feb 2009, 21:58
-
-
-
Philips 28PT4423/58 L6.2AA - Crkava HIS tranzistor
napisao mijatovic_86 » 10 Jun 2012, 14:53 » u Servisiranje CRT Televizora - 3 Odgovori
- 1275 Pregledano
-
Zadnji post napisao mijatovic_86
11 Jun 2012, 08:06
-
-
-
TV GORENJE TVF29S15 Chassis 11AK37S - Ne starta HIS (REŠENO)
napisao cromax » 02 Nov 2008, 13:58 » u Servisiranje CRT Televizora - 6 Odgovori
- 2799 Pregledano
-
Zadnji post napisao Stolle
14 Nov 2008, 15:45
-
-
-
TV SAMSUNG WS32Z308T Chassis S63B - HIS (RESENO)
napisao viktel » 11 Jun 2009, 10:29 » u Servisiranje CRT Televizora - 7 Odgovori
- 1955 Pregledano
-
Zadnji post napisao viktel
11 Jun 2009, 12:46
-
-
-
TV MELECTRONIC PA5300 CHASSIS C500 PREGORAVA HIS (RESENO)
napisao virtual » 02 Jul 2011, 14:00 » u Servisiranje CRT Televizora - 20 Odgovori
- 2507 Pregledano
-
Zadnji post napisao ivica-servis
14 Jul 2011, 12:35
-
-
-
TV SAMSUNG WS32Z308T Chassis S63B - HIS
napisao lnicks » 27 svi 2009, 21:53 » u Servisiranje CRT Televizora - 10 Odgovori
- 3139 Pregledano
-
Zadnji post napisao krllebg
07 Jun 2009, 00:33
-

