TV PHILIPS 21PT1542/58S Chassis L61 (L6.1) - Slika (RESENO)
Pravila foruma
Naslov teme treba da bude u formatu: PROIZVOĐAČ, MODEL, KRATAK OPIS KVARA
Nakon rešenog kvara zatvoriti temu >> >UPUTSTVO< u suprotnom ništa ne činiti.
HOME -- SERVISERI -- DALJINSKI -- RAZNA UPUTSTVA
Naslov teme treba da bude u formatu: PROIZVOĐAČ, MODEL, KRATAK OPIS KVARA
Nakon rešenog kvara zatvoriti temu >> >UPUTSTVO< u suprotnom ništa ne činiti.
HOME -- SERVISERI -- DALJINSKI -- RAZNA UPUTSTVA
TV PHILIPS 21PT1542/58S Chassis L61 (L6.1) - Slika (RESENO)
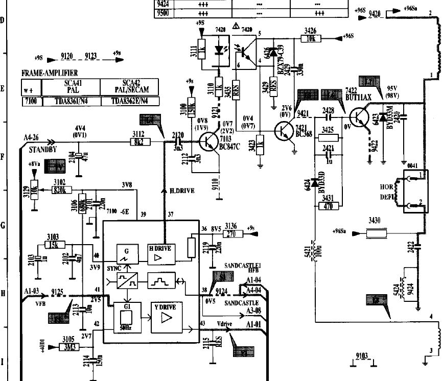
PHILIPS 21PT1542
SASIJA L6.1
TRAFO 1392.0005C
OSCILATOR TDA8362
KVAR- SLIKA POMERENA U LEVO TRIMER ZA FAZU REAGUJE ALI NEMOZE DA SE VRATI DO KRAJA UVEK OSTANE CRNO SA DESNE STRANE
ZAMENJEN OPTOKAPLER, ELEKTROLITI,BC368 MREZNI NAPON JE 103V. HVALA
SASIJA L6.1
TRAFO 1392.0005C
OSCILATOR TDA8362
KVAR- SLIKA POMERENA U LEVO TRIMER ZA FAZU REAGUJE ALI NEMOZE DA SE VRATI DO KRAJA UVEK OSTANE CRNO SA DESNE STRANE
ZAMENJEN OPTOKAPLER, ELEKTROLITI,BC368 MREZNI NAPON JE 103V. HVALA
Zadnja izmena: yamamoto, dana 26 Feb 2009, 22:00, ukupno menjano 1 put.
- nec
- Site Admin

- Postovi: 4849
- Pridružen: 17 Okt 2007, 22:15
- Location: Makedonija, Strumica
- Phone number: 0038978425778
- Specialty: tv-multimedia
- Kontakt:
Re: 21PT1542-58S L6.1 POMERENA FAZA
a jeli slika dobra po sirini (da nije izoblicena jastucasto itd...)
Kad zamenimo ideje svi imamo duplo vise ideja
Re: 21PT1542-58S L6.1 POMERENA FAZA
MALO JESTE JASTUCASTA MENJAO SAM I MREZNI ALI NIJE POMOGLO BRINE ME DA TRANZISTOR BC337-25 NE ODGOVARA U POTPUNOSTI BC368
- nec
- Site Admin

- Postovi: 4849
- Pridružen: 17 Okt 2007, 22:15
- Location: Makedonija, Strumica
- Phone number: 0038978425778
- Specialty: tv-multimedia
- Kontakt:
Re: 21PT1542-58S L6.1 POMERENA FAZA
Na kojoj pozicii se nalazi taj tranzistor (inace BC337 u potpunosti menja BC368) i pisi malim slovima
Kad zamenimo ideje svi imamo duplo vise ideja
Re: 21PT1542-58S L6.1 POMERENA FAZA
tranzistor bc368 nalazi se pre optokaplera u mrezi
Zadnja izmena: yamamoto, dana 26 Feb 2009, 12:15, ukupno menjano 1 put.
- nec
- Site Admin

- Postovi: 4849
- Pridružen: 17 Okt 2007, 22:15
- Location: Makedonija, Strumica
- Phone number: 0038978425778
- Specialty: tv-multimedia
- Kontakt:
Re: 21PT1542-58S L6.1 POMERENA FAZA
aj ti slikaj tu sliku da vidimo dali je problem u mrezni stepen (ili kako sumnjam dolazi s drugog stepena)
Kad zamenimo ideje svi imamo duplo vise ideja
- rubin_miki
- Preminuo
- Postovi: 3382
- Pridružen: 13 Avg 2006, 00:22
- Location: Prilep Makedonija
- Specialty: tv-multimedia
- Kontakt:
Re: 21PT1542-58S L6.1 POMERENA FAZA
sto cackas u mrezu kad ti je dobra, trazi u HIS/O-W problem.....
ce da izadjem na televizor,a????
http://www.macedonium.org/makedonija.swf
http://www.macedonium.org/makedonija.swf
- Stolle
- Preminuo
- Postovi: 19098
- Pridružen: 12 Avg 2006, 23:35
- Location: Srbija
- Specialty: tv-multimedia
- Lokacija: Dimitrovgrad
Re: 21PT1542-58S L6.1 POMERENA FAZA
Možda i misli na HIS?
BC368, ponekad, zna da bude prilično nezgodan i mora se staviti isti,pa čak i da bude Philips!
"29 poslednjih dana u mesecu je najteže"
- chellawy
- gx

- Postovi: 3186
- Pridružen: 12 Avg 2006, 22:25
- Location: Bačka Palanka
- Contact person: SIX
- Specialty: tv
Re: 21PT1542-58S L6.1 POMERENA FAZA
ja bi ti savetovao da prekontrolises blokove u HIS-OW stepenu .... od 10nano do 470 ... sve redom... takodje zna zbog prekida bloka da izgori i otponik koji je snjim u sprezi i da onda imas takve simptome ..
Kompletna ponuda rezervnih delova koja će biti veoma ažurirana u narednih dve ,dve i po godine :)
https://www.kupindo.com/Clan/chellawy/SpisakPredmeta
https://www.kupindo.com/Clan/chellawy/SpisakPredmeta
Re: 21PT1542-58S L6.1 POMERENA FAZA
stavio sam BC368 i tv je proradio HVALA na pomoci
-
- Slične teme
- Odgovori
- Pregledano
- Zadnji post
-
-
TV PHILIPS 21PT1542 58S L61AA POTREBAN DUMP *RESENO*
napisao nesko62 » 14 Sep 2010, 20:12 » u Servisiranje CRT Televizora - 4 Odgovori
- 1104 Pregledano
-
Zadnji post napisao nesko62
17 Sep 2010, 21:48
-
-
-
TV PHILIPS 21PT1542 Chassis L61AA - Ne radi HIS (RESENO)
napisao zozontv1 » 19 Avg 2008, 07:00 » u Servisiranje CRT Televizora - 19 Odgovori
- 6249 Pregledano
-
Zadnji post napisao kele
03 Mar 2014, 21:29
-
-
-
TV PHILIPS Chassis L62 (L6.2) - Suzena slika (RIJESENO)
napisao digital » 29 Apr 2008, 10:59 » u Servisiranje CRT Televizora - 5 Odgovori
- 2679 Pregledano
-
Zadnji post napisao digital
30 Apr 2008, 12:05
-
-
-
Philips 21PT1532 chassis L6.1AA problem slika Riješeno
napisao jschn » 30 svi 2013, 10:27 » u Servisiranje CRT Televizora - 8 Odgovori
- 1673 Pregledano
-
Zadnji post napisao Majstor Duja
30 svi 2013, 15:08
-
-
-
Philips 21PT5221/60 Zguzvana slika *RESENO*
napisao stojkePN » 14 Sep 2012, 04:41 » u Servisiranje CRT Televizora - 23 Odgovori
- 2807 Pregledano
-
Zadnji post napisao stojkePN
13 Okt 2012, 23:27
-
-
-
Philips L6.1 Napon 96V previsok Slika sabijena [RESENO]
napisao yutronic » 11 Nov 2015, 20:37 » u Servisiranje CRT Televizora - 6 Odgovori
- 2240 Pregledano
-
Zadnji post napisao alexa_pg
14 Nov 2015, 20:22
-
-
-
TV PHILIPS 25ML8966 nema slika (RESJENO)
napisao kirka » 16 Feb 2011, 23:46 » u Servisiranje CRT Televizora - 6 Odgovori
- 1208 Pregledano
-
Zadnji post napisao kirka
21 Feb 2011, 19:09
-
-
-
TV EI Chassis B40 - Suzena slika (RESENO)
napisao majstorr » 29 Jan 2008, 00:20 » u Servisiranje CRT Televizora - 8 Odgovori
- 2030 Pregledano
-
Zadnji post napisao majstorr
30 Jan 2008, 17:10
-

